这个是我在其他坛子上和一些发烧友们探讨的帖子,很多评论直接合并一起了. 下面是我看到的一篇关于环型变压器比较权威的计算方法和公式,看...
环 型 变 压 器 的 算 法 ! 环 形 变 压 器 是 电 子 变 压 器 的 一 大 类 型 , 已 广 泛 应 用 于 家...
下载后可任意编辑2024 年变压器销售工作总结我从__年 5 开始从事变压器的销售工作,大半年来在销售公司领导的带领和帮助下,加之每位同...
变压器的维修对投入运行的变压器应定期进行检查和维护,了解质量变异情况,防止设备发生故障,以确保生产安全.变压器的检修期限随产品质量的可...
可编辑范本油浸式变压器知识大全!导读配电变压器为工矿企业与民用建筑供配电系统中的重要设备之一,它将 10(6)kV 或 35kV 网络电压降...
变压器局部放电及铁心故障在线监测系统一、研制目的和意义1.研制目的本项目在现有局部放电在线监测技术的基础上,开发一套变压器局部放电及...
干式变压器安装方案(施工工艺一、施工准备序号一12345678910111213二123三1234名称工器具圆头木柄手锤磁力线坠钢卷尺千斤顶活扳手平口螺丝...
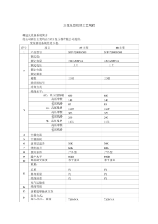
S11 系 列 油 浸 式 电 力 变 压 器工艺文件汇编HS601-xxxx 公 司二 〇 一 二 年 三 月序号123456789101112131415161718...
S11 系 列 油 浸 式 电 力 变 压 器变压器引线装配工艺守则0HS.910.602XXXX 公 司二 〇年月设计文件名称变压器引线装配工艺守...
word版整理变压器检修规程第一节变压器的检修周期第 1 条变压器的小修周期,应根据环境条件和运行情况确定,但每年至少一次。第 2 条电...
下载后可任意编辑主变、所用电测试题目一、 选择题:(每题 1 分,共 10 分)1、运营中旳变压器发出持续旳、均匀旳嗡嗡声音应( )。答案...
35KV 油浸式变压器安装方案1.1《某装置工程施工组织总设计》1.2《电气装置安装工程电力变压器、油浸电抗器、互感器施工及验收规范》GBJ148...
下载后可任意编辑全镇变压器检查方案引言变压器是电力系统中重要的电气设备之一,承担着电能互换和电压变换的责任。为了保障变压器的安全运...
下载后可任意编辑电源变压器项目投资分析及可行性报告下载后可任意编辑目录概论...........................................................
下载后可任意编辑电子变压器项目可行性讨论报告下载后可任意编辑目录前言.................................................................
下载后可任意编辑电子变压器项目投资分析及可行性报告下载后可任意编辑目录前言...........................................................
2017 年天津注册电气工程师:变压器套管的作用及要求试题一、单项选择题(共 25 题,每题 2 分,每题的备选项中,只有 1 个事最符合...
2017 年台湾省注册电气工程师:变压器套管的作用及要求考试试题一、单项选择题(共 25 题,每题 2 分,每题的备选项中,只有 1 个事...
结构图解1-铭牌;2-信号式温度计;3-吸湿器;4-油标;5-储油柜;6-安全气道7-气体继电器;8-高压套管;9-低压套管;10-分接开关;11-油箱;1...
下载后可任意编辑变压器项目可行性分析报告下载后可任意编辑目录序言.....................................................................

