220kV主变压器安装作业指导书 基本条件 工作任务 220kV主变压器安装作业 作业指导书编号 2010-07 工作条件 室外无雨,风力<6级 工...
220KV 主变压器参数 型号 SZ11-100000/220 额定容量 100000KVA 额定电压 ﹙230±8×1.25﹪﹚/35KV 联接组别 YN,d11 短路阻抗 ...
第 三篇 220kV 三相三绕组电力变压器 招标文件技术规范范本 ■ 1 220kV 三相三绕组电力变压器招标文件技术规范范本通用部分 ■ 2...
3.1 工艺流程: 设备点件检查→ 变压器二次搬运→ 变压器稳装→ 附件安装→变压器吊芯检查及交接试验→ 送电前的检查→ 送电运行验...
(2009年版) 国家电网公司物资采购标准 (交流变压器卷 10kV变压器册) 10kV三相干式变压器 专用技术规范 (编号:1001002-0010-02...
单路输出功率 20~75W 交流适配器高频开关变压器的设计及软件 ----------------------------------------------------------------------...
20kV变压器技术手册
安 装 使 用 说 明 书 NOMEX 绝 缘 系 统 本 说 明 书 适 用 于 本 公 司 制 造 的 容 量 在3500KVA 及 以 ...
咼低后备保护定乂:高后备保护和低后备保护是相对变压器而言的,变压器高压侧的后备保护称为高后备,变压器低压侧的后备保护称为低后备。高...
网络变压器的作用、原理及主要参数 前言 图 1 所示的网络变压器(Ethernet Transformer,也称数据汞/网络隔离变压器) 模块是网卡电路...
Xx 集 团 战 略 项 目 最 近 修 订 时 间 : 2012 年 /12 月 /22 日 1 / 9 [ 变 压 器 交 货 周 期 缩 短...
第二章 变压器 2-1 什么叫变压器的主磁通,什么叫漏磁通?空载和负载时,主磁通的大小取决于哪些因素? 答:变压器工作过程中,与原、...
第三章 变压器 一、填空: 1. 变 压 器 空 载 运 行 时 功 率 因 数 很 低 , 其 原 因 为 。 答 : 激 磁 回...
变压器返厂大修安全施工协议书发包单位:(以下简称甲方)承包单位:(以下简称乙方)为贯彻“安全第一、预防为主、综合治理”的安全生产方...
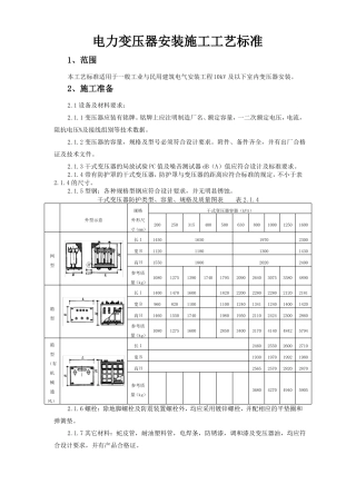
电力变压器安装施工工艺标准1、范围本工艺标准适用于一般工业与民用建筑电气安装工程10kV 及以下室内变压器安装。2、施工准备2.1 设备及...
江苏南通二建集团有限公司变压器、高压线防护施工方案中国哈尔滨国际农业博览中心·世贸花园国际公寓 03 地块变压器、高压线防护施工方案...
(此文档为 Word 格式,下载后可以任意编辑修改!)(文件备案编号:)施工方案工程名称:编制单位:编 制 人:审 核 人:批 准 人...
作 业 指 导 书 文 件 编 号 共 12 页 第 1 页 环 氧 树 脂 绝 缘 干 式 变 压 器高 、低压 线圈浇注工艺 版...
环形变压器额定功率计算公式(补充)
这个是我在其他坛子上和一些发烧友们探讨的帖子,很多评论直接合并一起了. 下面是我看到的一篇关于环型变压器比较权威的计算方法和公式,看...

