水的饱和蒸汽压和温度对应表来源: 发布时间: 2024—08—18 08:33 3392 次浏览 大小: 16px 14px 12px 温度(Temperature) 饱和...
氨饱和蒸汽压力与温度对比表压力(bar)温度(℃)压力(bar)温度(℃)压力(bar)温度(℃)压力(bar)温度(℃)0.717-401。901-204。29408.57...
**经济技术开发区第四供热站花园道蒸汽管网工程施工组织设计编制单位:***********动力工程公司编 制:***审 核:***编制时...
饱和蒸汽温度与绝对压力对比表附图1:饱和蒸汽压力温度对比表压力温度压力温度压力温度压力温度MPa℃MPa℃MPa℃MPa℃0。00100.00150.00200。...
饱和蒸汽温度与绝对压力对比表附图1:饱和蒸汽压力温度对比表压力温度压力 温度压力温度压力 温度MPa℃MPa℃MPa℃MPa℃0。00100。00150。...
供 用 热 合 同 合同编号:供热方(甲方):用热方(乙方):签订日期:年 月为了明确供热方和用热方在热力供应和使用中的权利和义务...
辽 宁工 业 大 学过程控制系统课程设计(论文)题目:基于废水和蒸汽的换热器温度控制系统设计院(系): 电气工程学院专业班级:测控 ...
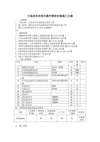
长钢余能利用项目1×4MW 机组外部主蒸汽管道安装施 工 方 案编制: 审核: 批准: 安徽马钢工程技术集团有限公司2024 年 3 月 15...
青岛润亿清洁能源有限公司综合利用工程 II标段安装工程主蒸汽、主给水等高压管道安装施工方案江苏华能建设工程集团有限公司目 录1、适用...
主蒸汽管道施工方案一、 工程概况 本工程主蒸汽管道设计参数:设计温度:545;℃ 设计压力:9。8MPa.设计依据:«电厂动力管道设计法律规...
河南天冠企业集团有限公司年产 6 万吨秸秆乙醇扩大示范项目高压蒸汽、高压供水及外管热力管道安装施工方案 编制: 审核: 批准: 中...
河南天冠企业集团有限公司年产 6 万吨秸秆乙醇扩大示范项目高压蒸汽、高压供水及外管热力管道安装施工方案 编制: 审核: 批准: 中化...
蒸汽管道施工技术交底记录单位工程名称分部分项工程名称交底人记录人参加班组交底日期交底内容:一、工程概况蒸汽管道工作压力 3.5MPa,工...
中国石化股份有限公司九江分公司油品质量升级改造工程240 万吨/年加氢裂化及 4 万标立/时 PSA 装置 中压蒸汽管道吹扫施工方案目 录1...
xxx 中压蒸汽供热管道机务安装工程施工组织设计编 制:审 核:批 准:目 录1工程概述.................................................
东线蒸汽管网直埋补偿器更换 U 形弯改造施工技术方案龙泰热电安装维修队2012 年 5 月 6 日目 录第一章 编制说明一、工程说明二、...
山东东佳集团股份有限公司蒸汽管道安装工程施工方案编 写:审 核:批 准:中石化工建设有限公司2024 年 5 月 26 日目 录一、工程...
蒸汽疏水阀工作原理一、国内蒸汽疏水阀现状概述 蒸汽疏水阀是用于蒸汽供热设备和蒸汽管道上,能自动地排除蒸汽使用设备和管道中的冷凝水、...
蒸汽计量技术在锅炉中的作用 采油工业中用到的蒸汽在实际的计量过程中存在确定的困难,主要在于蒸汽的流量与其干度、压力、温度等条件关系...
蒸汽发生器工作原理概述 现如今,市场上的蒸汽发生器五花八门,许多人一时不知如何抉择,尤其对于选择困难症的人更为艰难。那么,究竟该如...

