目 录1、编制依据...........................................................22、工程概况及工程数量...................................
贵州省 A 至 B 高速公路第 12 合同段项目经理部高边坡施工专项方案(K87+500~K93+420)编 制:复 核:审 核:日 期: 年 月 ...
Xx 至 xx 高速公路 NO.1 标段桥梁桩基础开工报告(K4+245xx 大桥)Xx 局集团有限公司Xx 高速公路 NO.1 标项目经理部二〇一〇年十...
目 录第一章、工程项目概述.........................................1一、监理项目概况.........................................1二、...
预算编制与报价策略[摘 要]:本文通过介绍安徽省合徐高速公路淮南连接线公路的预算编制及报价策略,谈谈目前我国公路投标中业主意图的趋向...
项 目 技 术 管 理 工 作 手 册一 、 项 目 总 工 的 职 责项目总工程师是项目部的技术总负责人,是对项目技术人员进行指...
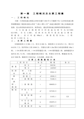
第 一 篇 工 程 概 况 及 主 要 工 程 量一 、 工 程 概 况天镇~大同段高速公路是山西省交通厅 2025 年 2 月编制下...
xxx施工组织设计第1 章编制说明根据建设单位标前会和答疑会精神以及现场的实地踏勘,结合我公司多年来在公路、市政道路、立交桥等类似市政...
钢筋采购合同甲方:***高速公路总承包部乙方:***高速公路 W 合同段项目经理部丙方:***中信国际商贸有限公司依照《中华人民共和国合同法...
. 编制: 审核: 审批: XX 高速公路 XX 段项目实施计划2016 年 11 月 15 日目 录1 提纲及要点...............................
高速公路通信管道工程设计要点浅析高速公路通信管道工程设计要点浅析 摘 要:本文介绍了高速公路通信管道的必要性和重要性,对通信管道工...
XX 高速公路项目安全生产大检查实施方案 XX 高速公路项目路面工程 NRC-11 标段项目经理部2025 年 8 月 “安全生产大检查”专项活...
危险源及重大危险源清单编 制:工程管理部审 核: 批 准: 日 期:目 录危险源识别与评价表.........................................
编 号: 002 国道横 12 昆明至北河段高速公路进场道路 工程施 工 监 理 规 划 监 理 合 同 号:昆北高速公路进场道路工程...
宁夏 A 湾至营盘水高速公路路基第 3 合同段(K89+000—K101+000 段全长 12 公里)钻孔灌注桩施工方案钻孔灌注桩施工技术方案1.1、编...
本 科 毕 业 设 计高速公路(64+2×113+64)m连续梁桥设计年 级: 2025 级学 号:20250449 姓 名: 专 业:土木工程 指导老师...
XX 至 XX 高速公路YT3 合同段钢花管抗滑桩首件工程施工总结报告(即 K30+300~K30+520 右侧钢花管抗滑桩施工总结报告)施工单位:XX ...
预应力锚索施工技术方案编 制:xx复 核:xx施工单位:xx 路桥集团有限公司日 期:2025 年 6 月 20 日目 录一、编制依据 ………...
高速公路车道设备的日常维护和常见故障处理高速公路车道设备的日常维护和常见故障处理 摘要:高速公路收费系统在高速公路运营中是重要的一...
目 录第一章 编制说明 …………………………………………………………………2第二章 工程概况 ………………………………………………...

