1 六环路天然气工程京包联络线 通球试压方案 北京城建道桥建设集团有限公司 六环路天然气工程京包联络线项目经理部 2014年9月3日 2 ...
天然气管道经济运行分析
连云港天然气有限公司高压 输气管线工程 焊 接 作 业 指 导 书 编制单位:连云港天然气管道工程有限公司 日 期: 2011-3-20 ...
武汉天河机场第二公路通道工程 穿 天然气管线盖板涵施工方案 一 、工程概况 本项目是连接武汉市区与天河机场的快速通道,同时也是武汉...
天然气管道氮气置换 操作规程 新 疆 中正琛邦气体有限公司 名称 签字 日期 名称 签字 日期 编制 审核 校对 批准 氮 气 的...
天然气管道安全检查表 序号 检查项目 依据 备注 1 输气线路应避开军事禁区、飞机场、铁路及汽车客运站、海(河)港码头等区域。 《输...
淮安市西安路南延工程穿越西气东输天然气 (武墩—金湖线)管道保护工程施工方案 施工单位:淮安市市政建设工程有限公司 西安路南延工程...
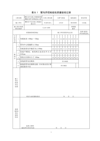
1 表B.1 管沟开挖检验批质量验收记录 工程名称 濮阳市许信路、铁路顺西路濮耐天然气管线改迁工程 分项工程名称 天然气管道 验收部位...
广 德 县 天 然 气 开 发 有 限 责 任 公 司 安 徽 英 挪 唯 铝 业有 限 公 司 天 然 气 管道工程自验报告 编...
山东鲁焱项目管理有限公司第二十三项目部 资料整理要求 第1 页 天然气管道工程竣工资料整理编制的 基本要求 在每项工程施工前,各施...
天然气管道带压开孔 安全施工组织措施 编制: 审核: 批准: X X X X 年 X X 月 X X 日 安全施工组织措施 2 目 录 1、...
天然气管道工程与土建工程监理大纲
渤海精细化工管道工程 1 渤海精细化工配气工程、 渤海精细化工(一化)配气工程 施 工 组 织 设 计 批 准 人: 审 核 人:...
《城镇燃气设计规范》 10.2.14 燃气引入管敷设位置应符合下列规定: 1 燃气引入管不得敷设在卧室、卫生间、易燃或易爆品的仓库、有腐蚀...
天然气管道双层熔结环氧粉末防腐体系的应用
天然气管道安装施工方案 目 录 第一章 编制依据和原则------------------------------------- 第二章 工程概况及特点---------------...
张石高速公路与陕京天然气管道 交叉资料与保护方案 张石高速公路石家庄段 X X 合同段项目经理部 二〇〇六年六月十四日 1 目 录 ...
目 录 第一章 总 则 第二章 管道规划与建设 第三章 管道运行中的保护 第四章 管道建设工程与其他建设工程相遇关系的处理 第五章...
*************500KV 变电站工程站外道路跨越****天然气管道保护措施 施 工 方 案 *****电力公司*****供电公司 2016 年 11 月 4...
纵 二 路 东 延 道 路 、 雨 污 水 管 网 等 工 程 扬 州 市 宏 泰 基 础 工 程 有 限 公 司 1 纵二路延伸...

