一、接缝设臵的原因 混凝上面层是由一定厚度的混凝土面板组成的,具有热胀冷缩的性质。由于一年四季气 温的变化,混凝土板会产生不同程度...
水泥砼路面快速修补施工方法 水泥砼的特点是在养护良好的条件下使用年限比其他路面长,然而一旦开始破坏,将会迅速发展,而且修补起来比沥...
乌兰坝林场——横河子段 页脚内容 道路面水泥混凝土施工方案 乌兰坝林场——横河子段 页脚内容 道路面水泥混凝土施工方案 一、 编制...
水泥混凝土路面面层施工工艺 页脚内容 渭南市临渭区 2018 年通村公路“油返砂”整治工程 水泥混凝土路面面层施工方案 编制: 审核:...
钢筋直径缝 数一道缝每根长度共 长单位重总 重Φ 30ф 16ф 14Φ 6备 注(m)(m)(mm)(道)(根)(m)(m)(kg/m)(kg)(k...
水泥混凝土路面质量控制措施 水泥混凝土路面作为一种高级刚性路面结构形式,已超过百余年,在世界各地使用极其广泛。我国水泥混凝土路面已...
1 水泥混凝土路面设计 1 标准轴载交通量分析 高速公路设计基准期为30 年,安全等级为一级,我国公路水泥混凝土路面设计规范以汽车轴重...
编号: 道路综合课程设计说明书 题 目: 普通混泥土路面设计 院 (系): 建筑与交通工程学院 专 业: 交通工程专业 学生姓名:...
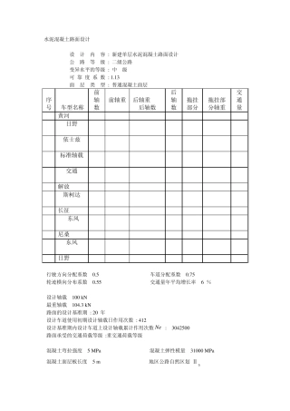
水泥混凝土路面设计 设 计 内 容 : 新建单层水泥混凝土路面设计 公 路 等 级 : 二级公路 变异水平的等级 : 中 级 可 靠...
水泥混凝土路面计算书
1 .1 .1 路面类型的选择确定 本设计为二级公路,位于四川地区,公路自然区划为Ⅴ区,路基土为粘性土,设计路段碎石、砂砾、石灰、水泥供...
惠 盐 高 速 公 路 ( 深 圳 段 ) 日 常 养 护 项 目 水 泥 路 面 维 修 施 工 方 案 编 制 人: 审核人:...
- 1 - 水 泥 混 凝 土 路 面 维 修 方 案 一 、 工 程 概 况 S325 胶 王 线 淄 川 北 沈 至 王 村 段 中...
水泥混凝土路面碎石化施工工艺 将旧水泥混凝路面破碎成一定尺寸要求的混凝土块,表面最大粒径尺寸不超过7.5 厘米,中部粒径尺寸不超过22....
省道S208 璧城至丁家段道路改造工程二标段 水泥混凝土路面破碎施工方案 编 制 单 位 : X X X X 公 司 二 O 一二 年九月...
宜宾市南岸东区路面黑化及人行道铺装 改造工程施工Ⅰ标段 水泥混凝土路面 病害处治专项施工方案 编制人: 审核人: 批准人: 江西省...
水泥混凝土路面病害处治及技术要求 1、裂缝的处治 (1)当水泥混凝土路面产生宽度小于3mm 且边缘无碎裂的轻微裂缝时,可采用直接灌缝措...
水泥混凝土路面滑模摊铺施工工艺标准 FHEC-LM-15-2007 1 适用范围 适用于二级以上新建、改扩建公路、城市道路、机场跑道、停机坪、货场...
题 目: 水泥混凝土路面滑模施工工艺 院 系: 机械工程系 专 业: 机械化施工 班 级: 姓 名: 学 号: 指导教师: 2 1 ...
撰稿人:王银芝 兰 勇 中铁八局集团成都铁路工程有限公司 二○○四年一月八日 -1- 一、前言 水泥混凝土路面具有强度高、刚度大、稳...

