电脑桌面
添加小米粒文库到电脑桌面
安装后可以在桌面快捷访问

水泥混凝土路面设计计算

水泥混凝土路面设计计算_第1页
1/6
水泥混凝土路面设计计算_第2页
2/6
水泥混凝土路面设计计算_第3页
3/6
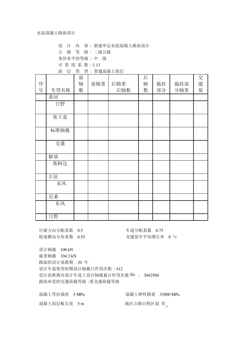
水泥混凝土路面设计 设 计 内 容 : 新建单层水泥混凝土路面设计 公 路 等 级 : 二级公路 变异水平的等级 : 中 级 可 靠 度 系 数 : 1.13 面 层 类 型 : 普通混凝土面层 序号 车型名称 前轴数 前轴重(kN) 后轴重(kN)后轴数 后轴数 拖挂部分 拖挂部分轴重 交通量 1 黄河JN150 1 49 101.6 1 0 0 190 2 日野KF300D 1 40.75 79 2 0 0 170 3 依士兹TD50 1 42.2 80 1 0 0 60 4 标准轴载BZZ100 1 0 100 1 0 0 633 5 交通SH-141 1 23 63.5 2 0 0 62 6 解放CA10B 1 19.4 60.85 1 0 0 436 7 斯柯达706R 1 50 90 1 0 0 94 8 长征XD980 1 37.1 72.65 2 0 0 73 9 东风CS938 1 24 70 2 0 0 81 10 尼桑CK10G 1 39.25 104.3 1 0 0 69 11 东风SP9135 1 20.2 72.3 2 0 0 86 12 日野KB222 1 50.2 76 1 0 0 97 行驶方向分配系数 0.5 车道分配系数 0.75 轮迹横向分布系数 0.55 交通量年平均增长率 6 % 设计轴载 100 kN 最重轴载 104.3 kN 路面的设计基准期 : 20 年 设计车道使用初期设计轴载日作用次数 : 412 设计基准期内设计车道上设计轴载累计作用次数Ne : 3042500 路面承受的交通荷载等级 :重交通荷载等级 混凝土弯拉强度 5 MPa 混凝土弹性模量 31000 MPa 混凝土面层板长度 5 m 地区公路自然区划 Ⅱ5 面层最大温度梯度 88 ℃/m 接缝应力折减系数 0.87 混凝土线膨胀系数 10 10-6/℃ 初拟基(垫)层类型----新建公路路基上修筑的基(垫)层 拟普通混凝土面层厚度为0.24m ,石灰土层厚度为0.18m ,级配碎石层为0.3m 路基回弹模量取30 MPa 层位 基(垫)层材料名称 厚度(m m ) 材料模量(MPa) 1 水泥稳定粒料 200 2000 2 石灰稳定粒料 300 1500 3 新建路基 30 板底地基当量回弹模量 ET= 140 MPa 基层顶面当量回弹模量: 计算公式如下:3100EEEahExbxt (7-15) 2221222121hhEhEhEx (7-16) 3112xxxEDh (7-17) 1221122132231111412hEhEhhhEhEDx (7-18)  45.0051.1122.6EEax (7-19) 55.0044.11EEbx (7-20) 式中:tE ——基层顶面的当量回弹模量,MPa; 0E ——路床顶面的回...

1、当您付费下载文档后,您只拥有了使用权限,并不意味着购买了版权,文档只能用于自身使用,不得用于其他商业用途(如 [转卖]进行直接盈利或[编辑后售卖]进行间接盈利)。
2、本站所有内容均由合作方或网友上传,本站不对文档的完整性、权威性及其观点立场正确性做任何保证或承诺!文档内容仅供研究参考,付费前请自行鉴别。
3、如文档内容存在违规,或者侵犯商业秘密、侵犯著作权等,请点击“违规举报”。

碎片内容

水泥混凝土路面设计计算

您可能关注的文档

确认删除?
VIP
微信客服
  • 扫码咨询
会员Q群
  • 会员专属群点击这里加入QQ群
客服邮箱
回到顶部