<<金属的腐蚀与防腐》学案宜宾市三中新高2011级化学组何磊班级__________姓名_____________学习目标:了解金属腐蚀的概念和分类掌握钢铁的...
word资料1.工程概况1.1概述白山热电2*30MW新机组烟风六道过渡防腐油漆。1.2具体施工围及工程量烟风六道钢结构过渡防腐油漆200吨。构件表面...
施工组织设计一、编制依据1.**省天然气管网一期工程管道3PE外防腐层(约200公里)施工项目招标文件要求2.埋地钢质管道聚乙烯防腐层技术标准...
设备防腐测厚治理制度〔WHNYLM/ZD-068-2021〕第一条总则为了加强设备防腐测厚工作,预防及缓和生产设备遭受腐蚀和破坏,延长使用寿命,改善...
1/71、工程概况适用范围:本施工方案仅适用于*********储油罐防腐施工2、编制依据•《*****防腐施工合同》及业主有关规定和要求•《涂装前...
1.1.1.变电站防腐工程施工方案:1.1.1.1.施工技术措施:一、施工准备:为提高甲方施工效率,确保质量,在进行施工以前,要做好充分的准备工...
设备防腐管理制度1、目的为加强防腐管理工作,确保防腐设施的有效、完整,防止与延缓生产设备的腐蚀与破坏,特制定本制度。2、适用范围本制...
把更加注重预防腐败的要求落实在实际工作中胡锦涛总书记6月25日在中央党校的重要讲话中明确要求,在坚决惩治腐败的同时,更加注重治本,...
1山东铁雄冶金科技有限公司防腐工程施工组织设计河南长兴建设集团有限公司2017年2月16日2施工组织设计1、指导思想与实施目标1.1、指导思想...
管道防腐施工工艺1、概述及编制依据洋浦经济开发区供水工程28000t钢管的外防腐和其中一标段5000t管道安装的焊口防腐及防腐层补伤由我公司负...
施工组织设计目录第一章编制说明第二章工程概况第三章施工技术方案第一节除锈工程施工方案第二节防腐刷漆工程施工方案第四章质量保证体系及...
.精品防腐补口、补伤作业指导书(线路工程)中国石油管道公司管道工程第四项目经理部.精品一、编制依据1、《埋地钢质管道聚乙烯防腐层技术...
防腐木专项施工方案编制人员:审核人员:审批人员:编制单位:编制日期:防腐木专项施工方案第一节防腐木一、防腐木防腐处理的流程防腐的主...
防腐绝热施工方案卷内目录:1.工程概况................................................22.施工工艺程序..................................
古代交通不发达,步行或者马车是人们惯用的出行方式,所以十里一凉亭就成了常见的城市规划模型。到了现在,凉亭逐渐演变成了园林景观中不可...
×温泉养生谷×防腐木花架施工方案工程概述一、1.1、项目地点:惠州市龙门县永汉镇1.2、装饰概况:多层样板房,二层露天阳台、三层露天阳台...
【金属的防护】针对金属腐蚀的原因采取适当的方法防止金属腐蚀,常用的方法有:[改变金属的内部组织结构]例如制造各种耐腐蚀的合金,如在普...
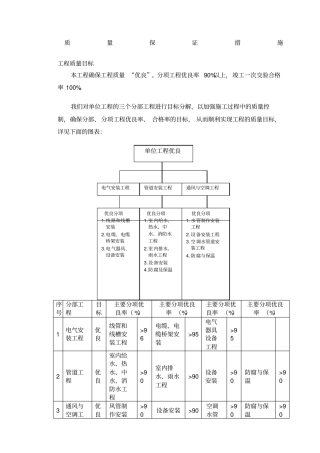
质量保证措施工程质量目标本工程确保工程质量“优良”。分项工程优良率90%以上,竣工一次交验合格率100%。我们对单位工程的三个分部工程进...
昌黎黄金海岸国家级自然保护区基础能力及管护能力建设项目管护走廊建设Ⅱ标段施工组织设计目录一、工程概况第一章工程概况第二章施工准备与...
编号:________________防腐木花箱购销合同甲方:_______________________乙方:_______________________签订日期:___年____月_____日甲方...

