蒸汽发生器作用:1、作为热交换设备,产生蒸汽;2、作为连接设备,隔离一、二回路。类型按照工质流动方式:自然循环式、强迫循环式;按...
供排水杀菌消毒设备交流中国-新疆主要消毒设备分类(一)1、加氯机(投加液氯由于液氯存在特别严重的安全隐患,现在基本被禁止使用);2、...
波形发生器设计(2001年全国大学生电子设计竞赛A题)怀化学院物信系怀化学院“鑫三知”杯大学生电子设计竞赛系列讲座(三)波形发生器设计...
全新第三代射频消融系统Rita1500XSystem射频消融(RFA)历史•古代的埃及和希腊人已经知道通过热疗来治疗溃疡和新生物•20世纪早期Beer和Cla...
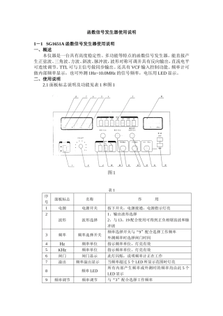
函数信号发生器使用说明1-1SG1651A函数信号发生器使用说明一、概述本仪器是一台具有高度稳定性、多功能等特点的函数信号发生器。能直接产...
NanhuaUniversity课程设计(论文)题目:函数波形发生器学院名称:班级:指导老师:1学号:姓名:同组人员:学号:2007年12月30日前言当今...
三角波发生器1.电路组成迟滞比较器积分器2R3RZD1ouC1R4Rou5R三角波发生器+-A1+-A2cuu2.工作原理0t时0couu由叠加定理可得滞回比较...
1此课件及“海南风光”封面属清华大学唐庆玉创作,如发现剽窃,必究法律责任!此课件及“海南风光”封面属清华大学唐庆玉创作,如发现剽窃...
1序列发生器设计2序列发生器•数字系统中,常需要串行周期性信号;•序列信号:按照特定顺序排列的串行数字信号;•序列信号发生器:生成某...
次氯酸钠发生器及原理•一、概述目前,从水体消毒的种类来说,有氯气、次氯酸钠、漂白粉、二氧化氯、三氯异氰尿酸、双氧水、臭氧等药剂和方...
2011精品一、设计目的掌握8位D/A转换器DAC0832与8086的接口技术及编程方法。二、设计要求1.以8086为CPU。利用D|A转换器,编程产生锯齿波,...
分享纯净水设备用臭氧发生器杀菌一、臭氧发生器概述纯净水设备用臭氧发生器顾名思义是杀菌的,不锈钢材质保证设备的耐腐蚀能力强,不会出现...
基于单片机的脉冲频率测量设计摘要在电子技术中,频率是最基本的参数之一。它广泛应用于计算机系统和各种数字仪器中。随着电子技术的飞速发...
通信系统课程设计报告设计题目:伪随机m序列发生器的设计班级:13物联网1姓名:李亚军学号:2013313136指导教师:程钦、任艳玲课程地点:60...
基于PS2的音乐发生器的设计实现摘要:PS2接口是一种PC兼容型电脑系统上的接口,可以用来链接键盘及鼠标。音乐发生器是电子技术与音乐结合的...
基于Proteus的波形发生器仿真设计作者姓名:孙亚飞专业班级:2006060101指导教师:吴建平摘要本文实现了多功能波形发生器的设计。系统采用A...
北京工业大学课程设计报告(模电课设题目)基于专用IC的函数发生器班级:130242学号:13024211姓名:徐嘉豪组号:192015年6月一、设计要求1...
陕西理工学院毕业设计基于单片机的波形发生器设计许启动(陕理工物理与电信工程学院电子信息科学与技术专业1203班,陕西汉中723001)指导教...
《计算机控制技术》课程设计报告学校:安徽建筑大学课题名称:基于单片机的波形发生器学号:10205900143班级:10城建电子1班学生:圣茂芳指...
河南科技大学本科毕业设计(论文)基于单片机的波形发生器摘要随着电子技术的发展,电子产品越来越走进人们的生活,在电子产品的生产应用和...

