电脑桌面
添加小米粒文库到电脑桌面
安装后可以在桌面快捷访问

函数发生器说明VIP免费

函数发生器说明_第1页
1/22
函数发生器说明_第2页
2/22
函数发生器说明_第3页
3/22
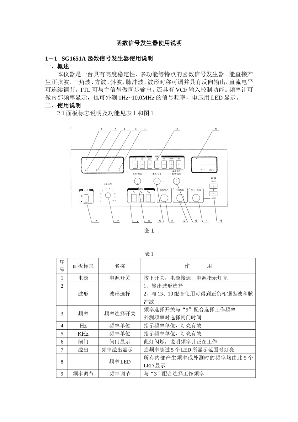
函数信号发生器使用说明1-1SG1651A函数信号发生器使用说明一、概述本仪器是一台具有高度稳定性、多功能等特点的函数信号发生器。能直接产生正弦波、三角波、方波、斜波、脉冲波,波形对称可调并具有反向输出,直流电平可连续调节。TTL可与主信号做同步输出。还具有VCF输入控制功能。频率计可做内部频率显示,也可外测1Hz~10.0MHz的信号频率,电压用LED显示。二、使用说明2.1面板标志说明及功能见表1和图1图1表1序号面板标志名称作用1电源电源开关按下开关,电源接通,电源指示灯亮2波形波形选择1、输出波形选择2、与13、19配合使用可得到正负相锯齿波和脉冲波3频率频率选择开关频率选择开关与“9”配合选择工作频率外测频率时选择闸门时间4Hz频率单位指示频率单位,灯亮有效5KHz频率单位指示频率单位,灯亮有效6闸门闸门显示此灯闪烁,说明频率计正在工作7溢出频率溢出显示当频率超过5个LED所显示范围时灯亮8频率LED所有内部产生频率或外测时的频率均由此5个LED显示9频率调节频率调节与“3”配合选择工作频率10直流/拉出直流偏置调节输出拉出此旋钮可设定任何波形的直流工作点,顺时针方向为正,逆时针方向为负11压控输入压控信号输入外接电压控制频率输入端12TTL输出TTL输出输出波形为TTL脉冲,可做同步信号13幅度调节反向/拉出斜波倒置开关幅度调节旋钮1、与“19”配合使用,拉出时波形反向2、调节输出幅度大小1450Ω输出信号输出主信号波形由此输出,阻抗为50Ω15衰减输出衰减按下按键可产生-20dB/-40dB衰减16VmVp-p电压LED17外测-20dB外接输入衰减-20dB1、频率计内测和外测频率(按下)信号选择2、外测频率信号衰减选择,按下是信号衰减20dB18外测输入计数器外信号输入端外测频率时,信号由此输出1950Hz输出50Hz固定信号输出50Hz固定频率正弦波由此输出20AC220V电源插座50Hz220V交流电源由此输出21FUSE:0.5A电源保险丝盒安装电源保险丝22标准输出10MHz标频输出10MHz标频信号由此输出DC1641数字函数信号发生器使用说明一、概述DC1641使用LCD显示、微处理器(CPU)控制的函数信号发生器,是一种小型的、由集成电路、单片机与半导体管构成的便携式通用函数信号发生器,其函数信号有正弦波、三角波、方波、锯齿波、脉冲五种不同的波形。信号频率可调范围从0.1Hz~2MHz,分七个档级,频率段、频率值、波形选择均由LCD显示。信号的最大幅度可达20Vp-p。脉冲的占空比系数由10%~90%连续可调,五种信号均可加±10V的直流偏置电压。并具有TTL电平的同步信号输出,脉冲信号反向及输出幅度衰减等多种功能。除此以外,能外接计数输入,作频率计数器使用,其频率范围从10Hz~10MHz(50、100MHz[根据用户需要])。计数频率等功能信息均由LCD显示,发光二极管指示计数闸门、占空比、直流偏置、电源。读数直观、方便、准确。二、技术要求2.1函数发生器产生正弦波、三角波、方波、锯齿波和脉冲波。2.1.1函数信号频率范围和精度a、频率范围由0.1Hz~2MHz分七个频率档级LCD显示,各档级之间有很宽的覆盖度,如下所示:频率档级频率范围(Hz)10.1~2101~2010010~2001K100~2K10K1K~20K100K10K~200K1M100K~2M频率显示方式:LCD显示,发光二极管指示闸门、占空比、直流偏置、电源。b、频率精度:±(1个字±时基精度)2.1.2正弦波失真度10~30Hz,〈3%30Hz~100KHz,≤1%2.1.3方波响应前沿/后沿≤100ns(开路)2.1.4同步输出信号的幅度与前沿a、幅度(开路):≥3Vp-pb、前沿:Tr≤35ns2.1.5最大输出幅度(开路)a、F〈1MHz最大输出幅度≥20Vp-pb、1MHz≤F≤2MHz最大输出幅度≥16Vp-p2.1.6直流偏置(开路),最大直流偏置±10V2.1.7输出阻抗ZZo=50±5Ω2.1.8占空比脉冲的占空比与锯齿波的上升,下降沿可连续变化,其变化范围在10%~90%。2.1.9压空振荡(VCF)外加直流电压0~+5V变化时,对应的频率变化在100:1。2.2频率计数器LCD显示计数频率,发光二极管指示:闸门、占空比、直流偏置、电源。2.2.1计数器频率范围a、计数输入(COUNT.IN)10Hz~10MHz(50、100MHz)。b、函数信号输出(OUTPUT)0.1HZ~2MHz。2.2.2闸门时间:0.01s,0.1s,1s,10s由CPU自动控制。2.2.3计数精度:±(1个字±时基误差)时基...

1、当您付费下载文档后,您只拥有了使用权限,并不意味着购买了版权,文档只能用于自身使用,不得用于其他商业用途(如 [转卖]进行直接盈利或[编辑后售卖]进行间接盈利)。
2、本站所有内容均由合作方或网友上传,本站不对文档的完整性、权威性及其观点立场正确性做任何保证或承诺!文档内容仅供研究参考,付费前请自行鉴别。
3、如文档内容存在违规,或者侵犯商业秘密、侵犯著作权等,请点击“违规举报”。

碎片内容

函数发生器说明

文章天下+ 关注
实名认证
内容提供者

各种文档应有尽有

相关文档

确认删除?
VIP
微信客服
  • 扫码咨询
会员Q群
  • 会员专属群点击这里加入QQ群
客服邮箱
回到顶部