断桥铝门窗及钢副框制作安装工程施工组织设计一、工程概况与编制依据(一)、工程综合说明1、工程名称:武警石家庄士官学校新校区2、工程地...
1JNRLH58/LB1A、JNRLH60/LB1A弹性模量、线膨胀系数结构最终弹性系数N/mm2线膨胀系数1/°C铝合金铝包钢61736002.02E-0577700001.99E-0512790...
■RR-"!-■■I*IICd.'FR-I-ITRB-Ii!r产品名称铝合金门窗(机加工)目的范围指导检验人员及生产人员的现场作业,有效地控制铝门窗加工时的质...
铝合金的密度是多少.铝合金的特性Tags:铝合金的密度是多少|时间:2010:7:2219:07:482010年06月14日铝合金一、铝合金的特性(Aluminiumalloypr...
铝合金门窗加工工艺文件铝合金门窗(下料)关键工序质量控制点质量关键工序控制点两个:(1)下料控制;(2)组装控制、质量控制要求如下:...
11河池市凤山县中医医院建设项目门诊住院综合楼工程rffiaxGuangxiConstruction总馳公司铝合金安装施工方案编制单位:广西建工集团建筑工程...
样板引路工程工作指引(铝合金门窗分项)1.目的通过样板工程引路强化工程质量的预控管理,并对样板进行分级管控,明确各阶段各职能的管理职...
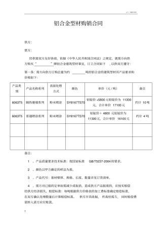
标准实用文案大全型材GB5237《铝合金建筑型材》分为六部分:第1部分:基材第2部分:阳极氧化、着色型材第3部分:电泳涂漆型材第4部分:粉末喷涂...
铝合金门窗施工组织计划书一、施工部署1、设置本工程项目部,安排一名副经理协调联络和施工组织指挥。2、由本公司生产调度中心负责铝合金门...
铝合金门窗工程设计计算书_-_副本【完整版】(文档可以直接使用,也可根据实际需要修订后使用,可编辑放心下载)南沙珠江湾B地块〔J-3及F-7〕...
标书总目录第一部分:投标书一、投标书二、授权书三、企业简介四、投标报价五、投标报价分析表六、我公司承建的优惠条件第二部分:施工组织...
实用标准文档大全铝合金门窗生产工艺流程实用标准文档大全铝合金门窗生产工艺流程标注*为关键工序实用标准文档大全下料(关键工序)一、工...
标准实用文案大全1总则1.0.1为使铝合金门窗工程做到安全适用、技术先进、经济合理、确保质量,制定本规范。1.0.2本规范适用于一般工业与民...
实用标准文档大全产品介绍1、铝合金窗内平开下悬五金系统(产品型号:NKND101)1.1系统配置示意图图1系统布置示意图1.2产品适合型材与窗开...
0目录一、工程概况..........................................1二、料具准备................................1矚慫润厲钐瘗睞枥庑赖。三...
铝合金件金属型铸造工艺及设备发布时间:2010-03-0509:34:04阅读:27次1.概述铝合金件金属型铸造方法由于其生产率高、劳动环境清洁、铸件...
第1页共21页铝合金门窗招标文件范本铝合金门窗工程招标文件招标编号:有限公司2021年3月目录第一部分投标须知1、综合说明(2)2、投标方(3)3...
标准实用文案大全第一章编制依据1、湖光山色工程施工图纸2、《高层民用建筑设计防火规范》GB50016—2014。3、《建筑工程施工质量验收统一标...
====Word行业资料分享--可编辑版本--双击可删====源-于-网-络-收-集铝合金门窗工程制作安装技术参数要求一、相关国家标准和行业标准:1.1铝...
目录1绪论..............................................................11.1断口分析的意义............................................

