电脑桌面
添加小米粒文库到电脑桌面
安装后可以在桌面快捷访问

应急预案评审要素表VIP免费

应急预案评审要素表_第1页
1/8
应急预案评审要素表_第2页
2/8
应急预案评审要素表_第3页
3/8
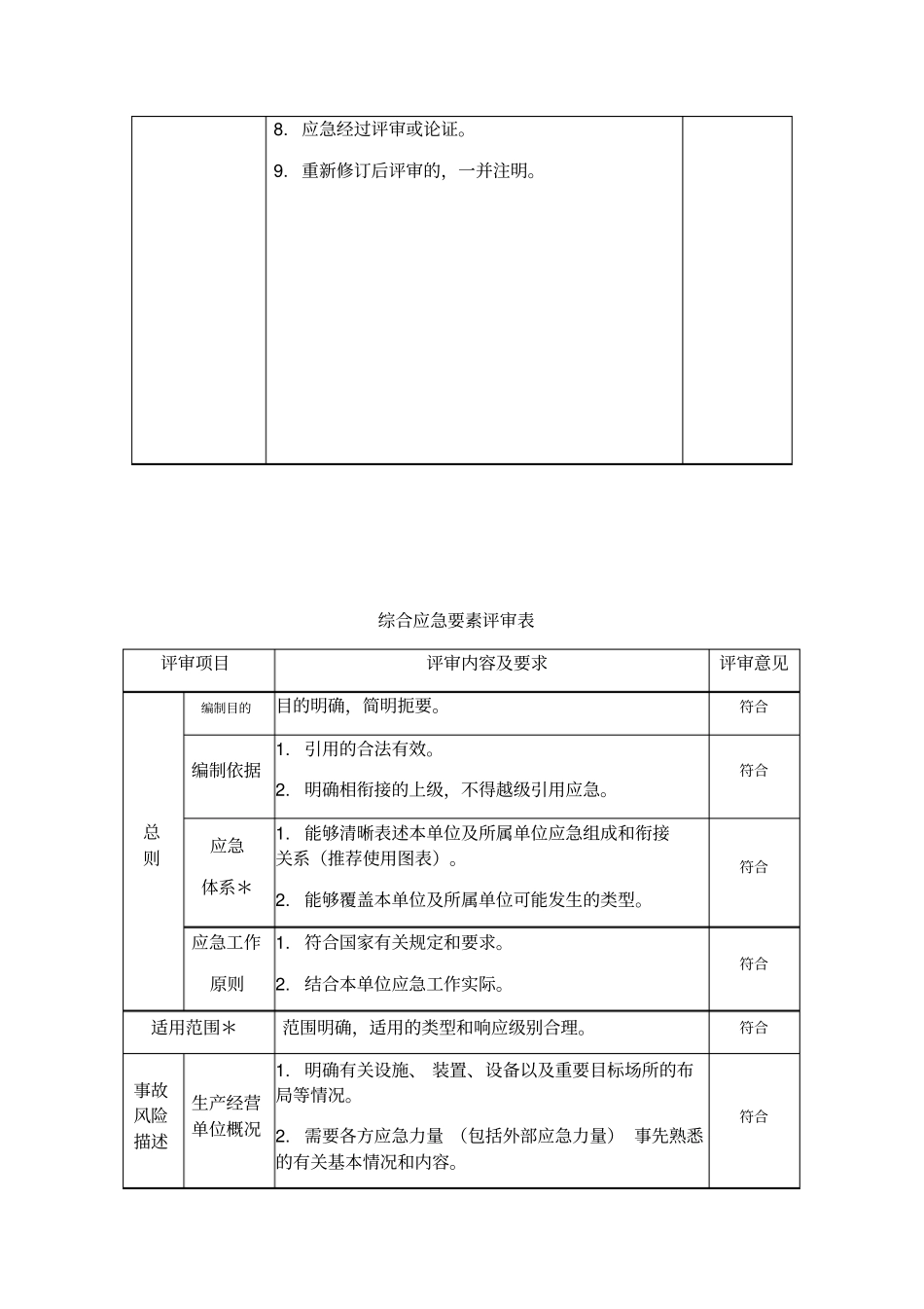
应急形式评审表评审项目评审内容及要求评审意见封面应急版本号、 应急名称、 生产经营单位名称、 发布日期等内容。符合批准页1. 对应急实施提出具体要求。2. 发布单位主要负责人签字或单位盖章。符合目录1. 页码标注准确(简单时目录可省略)。2. 层次清晰,编号和标题编排合理。符合正文1. 文字通顺、语言精炼、通俗易懂。2. 结构层次清晰,内容格式规范。3. 图表、文字清楚,编排合理(名称、顺序、大小等)。4. 无错别字,同类文字的字体、字号统一。符合附件1. 附件项目齐全,编排有序合理。2. 多个附件应标明附件的对应序号。3. 需要时,附件可以独立装订。符合编制过程1. 成立应急编制工作组。2. 全面本单位危险因素,确定可能发生的类型及危害程度。3. 针对危险源和危害程度, 制定相应的防范措施。4. 客观本单位应急能力,掌握可利用的社会应急资源情况。5. 制定相关专项和现场处置方案, 建立应急体系。6. 充分征求相关部门和单位意见,并对意见及采纳情况进行记录。7. 必要时与相关专业单位签订协议。基本符合8. 应急经过评审或论证。9. 重新修订后评审的,一并注明。综合应急要素评审表评审项目评审内容及要求评审意见总则编制目的目的明确,简明扼要。符合编制依据1. 引用的合法有效。2. 明确相衔接的上级,不得越级引用应急。符合应急体系*1. 能够清晰表述本单位及所属单位应急组成和衔接关系(推荐使用图表)。2. 能够覆盖本单位及所属单位可能发生的类型。符合应急工作原则1. 符合国家有关规定和要求。2. 结合本单位应急工作实际。符合适用范围*范围明确,适用的类型和响应级别合理。符合事故风险描述生产经营单位概况1. 明确有关设施、 装置、设备以及重要目标场所的布局等情况。2. 需要各方应急力量 (包括外部应急力量) 事先熟悉的有关基本情况和内容。符合评审项目评审内容及要求评审意见危险源辨识与风险*1. 能够客观本单位存在的危险源及危险程度。2. 能够客观可能引发的诱因、影响范围及后果。基本符合组织机构及职责*应急组织体系1. 能够清晰描述本单位的应急组织体系 (推荐使用图表)。2. 明确应急组织成员日常及应急状态下的工作职责。符合指挥机构及职责1. 清晰表述本单位应急指挥体系。2. 应急指挥部门职责明确。3. 各应急救援小组设置合理,应急工作明确。符合预警与信息报告预警行动1. 明确技术性预防和管理措施。2. 明确相应的应急处置措施。3. 明确预警信息...

1、当您付费下载文档后,您只拥有了使用权限,并不意味着购买了版权,文档只能用于自身使用,不得用于其他商业用途(如 [转卖]进行直接盈利或[编辑后售卖]进行间接盈利)。
2、本站所有内容均由合作方或网友上传,本站不对文档的完整性、权威性及其观点立场正确性做任何保证或承诺!文档内容仅供研究参考,付费前请自行鉴别。
3、如文档内容存在违规,或者侵犯商业秘密、侵犯著作权等,请点击“违规举报”。

碎片内容

应急预案评审要素表

您可能关注的文档

文库响当当+ 关注
实名认证
内容提供者

该用户很懒,什么也没介绍

确认删除?
VIP
微信客服
  • 扫码咨询
会员Q群
  • 会员专属群点击这里加入QQ群
客服邮箱
回到顶部