电脑桌面
添加小米粒文库到电脑桌面
安装后可以在桌面快捷访问

建筑企业安全检查表VIP专享VIP免费

建筑企业安全检查表_第1页
1/5
建筑企业安全检查表_第2页
2/5
建筑企业安全检查表_第3页
3/5
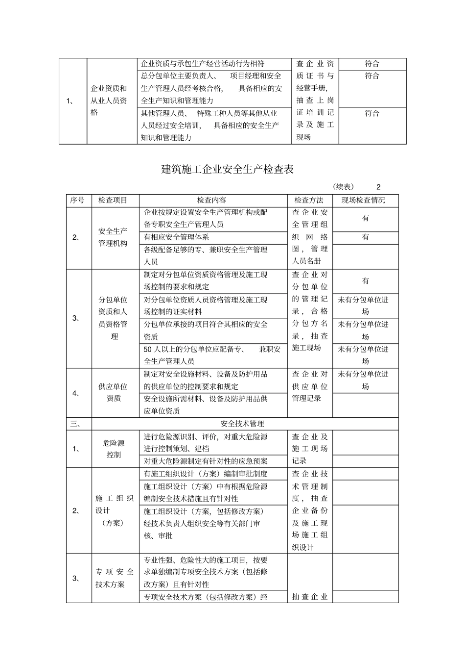
C5-3-2 建筑施工企业对项目安全生产检查建筑施工企业安全生产检查表 1 序号检查项目检查内容检查方法现场检查情况一、安全生产管理制度1、安全生产责任制度按规定建立、健全安全生产责任制度查 管 理 制度目录、 内容,并抽查企 业 及 施工 现 场 相关记录齐全责任制中制定安全管理目标有承发包合同有安全生产管理职责和指标础有关层次、部门、岗位人员以及总分包安全生产责任制齐全制定安全生产奖惩考核制度有按安全生产奖惩考核制度落实奖罚有2、安全生产资金保障制度按规定建立制度符合落实安全劳防用品资金符合落实安全教育培训专项资金符合落实保障安全生产的技术措施资金符合3、安全教育培训制度按规定建立制度符合制度明确项目经理、安全专职人员、特殊工种、待岗、转岗、换岗人员、新进单位从业人员安全教育培训要求符合企业安全教育培训计划有按计划实施教育培训活动并有存档记录有4、安全检查制度按规定制定企业和各层次安全检查制度有制度明确企业、 项目部定期及日常、 专项、季节性安全检查的时间和实施要求有制度规定对隐患整改、处置和复查的要求有有检查和隐患处置、复查的记录或整改情况记录有5 生产安全事故报告处理制度按规定制定事故报告处理制度有按规定实施事故的报告处理,落实“四不放过”原则建立事故档案有按规定办理意外伤害保险未办理制定事故应急预案,建立应急救援小组或指定专门应急救援人员有二、资质、机构与人员管理1、企业资质和从业人员资格企业资质与承包生产经营活动行为相符查 企 业 资质 证 书 与经营手册,抽 查 上 岗证 培 训 记录 及 施 工现场符合总分包单位主要负责人、项目经理和安全生产管理人员经考核合格,具备相应的安全生产知识和管理能力符合其他管理人员、 特殊工种人员等其他从业人员经过安全培训,具备相应的安全生产知识和管理能力符合建筑施工企业安全生产检查表(续表) 2 序号检查项目检查内容检查方法现场检查情况2、安全生产管理机构企业按规定设置安全生产管理机构或配备专职安全生产管理人员查 企 业 安全 管 理 组织网络图 , 管 理人员名册有有相应安全管理体系有各级配备足够的专、兼职安全生产管理人员3、分包单位资质和人员资格管理制定对分包单位资质资格管理及施工现场控制的要求和规定查 企 业 对分 包 单 位的 管 理 记录 , 合 格分 包 方 名录 , 抽 查施工现场有对分包单位资质人员资格管理及施工现场...

1、当您付费下载文档后,您只拥有了使用权限,并不意味着购买了版权,文档只能用于自身使用,不得用于其他商业用途(如 [转卖]进行直接盈利或[编辑后售卖]进行间接盈利)。
2、本站所有内容均由合作方或网友上传,本站不对文档的完整性、权威性及其观点立场正确性做任何保证或承诺!文档内容仅供研究参考,付费前请自行鉴别。
3、如文档内容存在违规,或者侵犯商业秘密、侵犯著作权等,请点击“违规举报”。

碎片内容

建筑企业安全检查表

文库当当响+ 关注
实名认证
内容提供者

该用户很懒,什么也没介绍

确认删除?
VIP
微信客服
  • 扫码咨询
会员Q群
  • 会员专属群点击这里加入QQ群
客服邮箱
回到顶部