电脑桌面
添加小米粒文库到电脑桌面
安装后可以在桌面快捷访问

建筑卫生陶瓷工厂设计规范VIP免费

建筑卫生陶瓷工厂设计规范_第1页
1/50
建筑卫生陶瓷工厂设计规范_第2页
2/50
建筑卫生陶瓷工厂设计规范_第3页
3/50
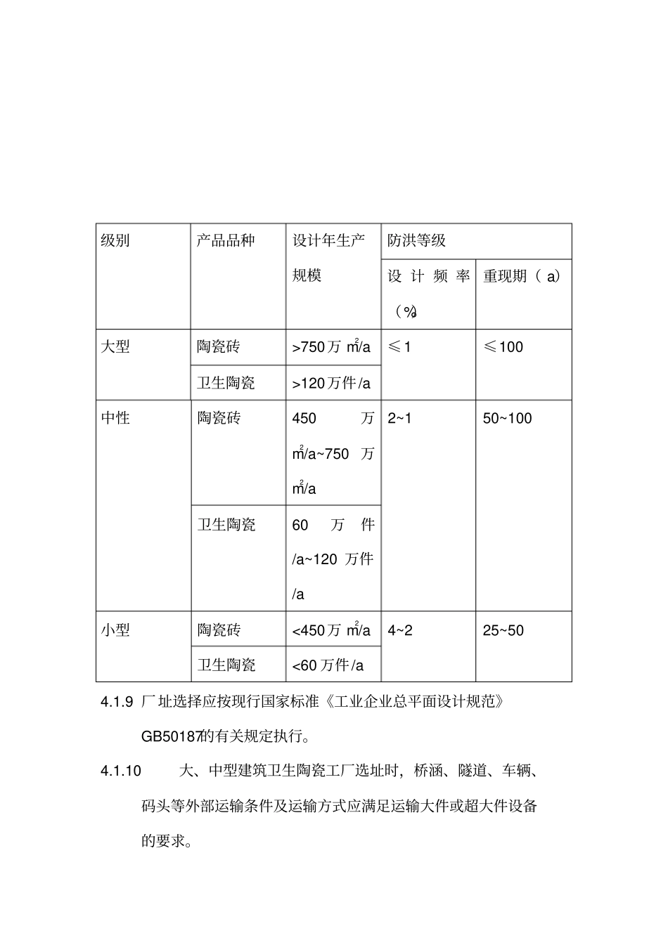
《建筑卫生陶瓷工厂设计规范》(GB50560-2010)4 厂址选择及总体规划4.1.1 厂址选择应满足工业布局,地区建设土地利用总体规划的要求。4.1.2 厂址选择应对建设规模、原料及燃料来源、产品流向、交通运输、供电、供水、企业协作条件、场地现有设施、环境保护、文物古迹保护、人文、社会、施工条件等因素进行综合技术经济比较后确定。厂址应有利于邻近企业和城镇的协作,不宜将厂十单独设在远离城镇、交通不便的地区。4.1.4 厂址选择应合理利用土地和切实保护耕地。4.1.5 厂址应满足工程建设需要的工程地质和水文地质条件,并应避开有用矿藏。4.1.6 厂址应位于城镇和居住区全年最小频率风向的上风侧,不应选在窝风地段。4.1.7 建筑卫生陶瓷工厂的防洪标准应符合现行国家标准《防洪标准》 GB50201的有关规定。场地高低不宜低于防洪标准的洪水位加0.5M。若低于上述标准高时,厂区应有可靠的防洪设施,并在初期工程中一次建成。当厂址位于山区时,应设计防、排洪的设施。4.1.8 建筑卫生陶瓷工厂防洪等级应符合表的规定。表 4.1.8 建筑卫生陶瓷工厂防洪等级表级别产品品种设计年生产规模防洪等级设 计 频 率(%)重现期( a)大型陶瓷砖>750万 m2/a≤1≤100卫生陶瓷>120万件/a中性陶瓷砖450万m2/a~750 万m2/a2~150~100卫生陶瓷60万件/a~120 万件/a小型陶瓷砖<450万 m2/a4~225~50卫生陶瓷<60 万件/a4.1.9 厂址选择应按现行国家标准《工业企业总平面设计规范》GB50187的有关规定执行。4.1.10大、中型建筑卫生陶瓷工厂选址时,桥涵、隧道、车辆、码头等外部运输条件及运输方式应满足运输大件或超大件设备的要求。总体规划4.2.1 建筑卫生陶瓷工厂的总体规划应满足所在地区的区域规划、城镇规划的要求。4.2.2 建筑卫生陶瓷工厂的总体规划应结合当地的技术经济、自然条件等进行。4.2.3 建筑卫生陶瓷工厂的总体规划应贯彻节约用地的原则,严格执行国家规定的土地使用审批程序。4.2.4 同一区域的建筑卫生陶瓷企业要充分利用配套协作条件。4.2.5 建筑卫生陶瓷工厂总体规划应符合现行国家标准《工业企业设计卫生标准》 GBZ1和《工业企业厂界环境噪声排放标准》GB12348的有关规定。4.2.6 外部运输方式的选择应符合下列规定:1 厂外运输方式宜根据当地运输条件确定。2 场外道路与城镇及居住区公路的连接应平顺短捷。4.2.7 厂外道路应满足城乡规划或当地交通运输规划的要求,并应合理利用现有的国家公路及城镇道路。4.2.8 场内动力设施...

1、当您付费下载文档后,您只拥有了使用权限,并不意味着购买了版权,文档只能用于自身使用,不得用于其他商业用途(如 [转卖]进行直接盈利或[编辑后售卖]进行间接盈利)。
2、本站所有内容均由合作方或网友上传,本站不对文档的完整性、权威性及其观点立场正确性做任何保证或承诺!文档内容仅供研究参考,付费前请自行鉴别。
3、如文档内容存在违规,或者侵犯商业秘密、侵犯著作权等,请点击“违规举报”。

碎片内容

建筑卫生陶瓷工厂设计规范

确认删除?
VIP
微信客服
  • 扫码咨询
会员Q群
  • 会员专属群点击这里加入QQ群
客服邮箱
回到顶部