电脑桌面
添加小米粒文库到电脑桌面
安装后可以在桌面快捷访问

工程测量规范最新版本VIP免费

工程测量规范最新版本_第1页
1/73
工程测量规范最新版本_第2页
2/73
工程测量规范最新版本_第3页
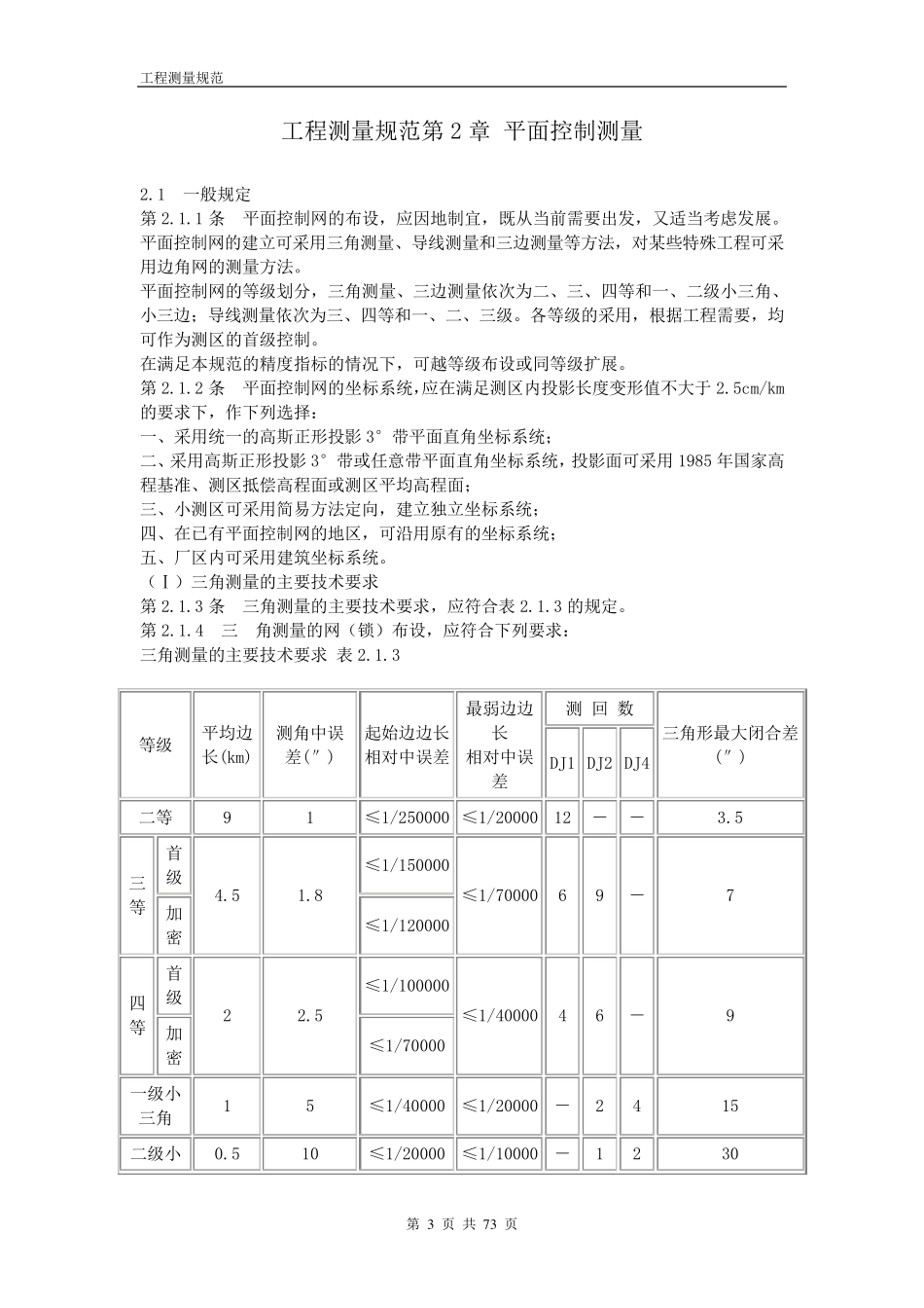
3/73
工程测量规范 第 1 页 共 7 3 页 工程测量规范 GB50026-93 第1 章 总则 第2 章 平面控制测量 2.1 一般规定 2.2 设计、选点、造标与埋石 2.3 水平角观测 2.4 距离测量 2.5 内业计算 第3 章 高程控制测量 3.1 一般规定 3.2 水准测量 3.3 电磁波测距三角高程 第4 章 地形测量 4.1 一般规定 4.2 图根控制测量 4.3 一般地区地形测图 4.4 城镇居住区地形测图第四节 城镇居住区地形测图 4.5 工矿区现状图测量 4.6 水域地形测量 4.7 地形图的修测 第5 章 线路测量 5.1 一般规定 5.2 铁路、公路测量 5.3 架空索道测量 5.4 自流和压力管线测量 5.5 架空送电线路测量 第6 章 绘图与复制 6.1 一般规定 6.2 绘图 6.3 编绘 6.4 晒蓝图、静电复印与复照 6.5 翻版、晒印刷版与修版 6.6 打样与胶印 第7 章 施工测量 7.1 一般规定 7.2 施工控制测量 7.3 工业与民用建筑施工放样 7.4 灌注桩、界桩与红线测量 7.5 水工建筑物施工测量 第8 章 竣工总图的编绘与实测 8.1 一般规定 工 程 测 量 规 范 第 2 页 共 7 3 页 8.2 竣 工 总 图 的 编 绘 8.3 竣 工 总 图 的 实 测 第 9 章 变 形 测 量 9.1 一 般 规 定 9.2 水 平 位 移 监 测 网 9.3 垂 直 位 移 监 测 网 9.4 水 平 位 移 测 量 9.5 垂 直 位 移 测 量 9.6 内 业 计 算 及 成 果 整 理 附 录 一 本 规 范 名 词 解 释 附 录 二 平 面 控 制 点 标 志 及 标 石 的 埋 设 规 格 附 录 三 方 向 观 测 法 度 盘 和 测 微 器 附 录 四 高 程 控 制 点 标 志 及 标 石 的 埋 设 规 格 附 录 五 建 筑 物 、 构 筑 物 主 体 倾 斜 率 和 按 差 异 沉 降 推 算 主 体 倾 斜 值 的 计 算 公 式 附 录 六 基 础 相 对 倾 斜 值 和 基 础 挠 度 计 算 公 式 附 录 七 本 规 范 用 词 说 明 工 程 测 量 规 范 - 总 则 工 程 测 量 规 范 第 1 章 总 则 第 1.0.1 条 为 了 统 一 工 程 测 量 的 技 术 要 求 , 及 时 、 准 确 地 为 工 程 建 设 提 供 正 确 的 测 绘资 料 , 保 证 其 成 果 、 成 图 的 质 量 符 合 各...

1、当您付费下载文档后,您只拥有了使用权限,并不意味着购买了版权,文档只能用于自身使用,不得用于其他商业用途(如 [转卖]进行直接盈利或[编辑后售卖]进行间接盈利)。
2、本站所有内容均由合作方或网友上传,本站不对文档的完整性、权威性及其观点立场正确性做任何保证或承诺!文档内容仅供研究参考,付费前请自行鉴别。
3、如文档内容存在违规,或者侵犯商业秘密、侵犯著作权等,请点击“违规举报”。

碎片内容

工程测量规范最新版本

您可能关注的文档

确认删除?
VIP
微信客服
  • 扫码咨询
会员Q群
  • 会员专属群点击这里加入QQ群
客服邮箱
回到顶部