电脑桌面
添加小米粒文库到电脑桌面
安装后可以在桌面快捷访问

布氏硬度计说明书VIP免费

布氏硬度计说明书_第1页
1/13
布氏硬度计说明书_第2页
2/13
布氏硬度计说明书_第3页
3/13
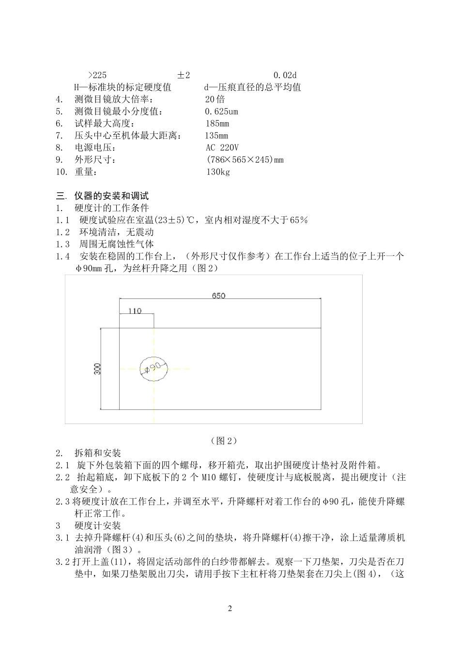
HBS-3000 型数显布氏硬度计 使用说明书 上海高致精密仪器有限公司 目 次 一 简介····················2 二 主要技术参数················2 三 仪器的安装和调试··············3 1 硬度计工作条件 2 拆箱和安装 3 硬度计安装 4 操作面板功能介绍 5 硬度计的使用 四 硬度计的保养及注意事项 ···········9 五 RS232 超级终端设置: ···········10 六附件(装箱单) ···············13 一 简介 HBS-3000型数显布氏硬度计是光机电一体化的高新技术产品,该硬度计造型新颖,具有良好的可靠性,可操作性和直观性,是采用精密机械技术和光电技术的新型布氏测试仪器。 该机采用计算机软件编程,光电传感等技术。通过按键输入,选择测试方法与硬度 1 HB=0.102× 相 互 对 照 、 储 存 等 , 在 LCD 大 屏 幕 显 示 屏 上 能 显 示 试 验 方 法 、 试 验 力 , 测 量 压 痕 长 度 、硬 度 值 、 试 验 力 保 持 时 间 、 试 验 力 与 硬 度 测 量 范 围 、 测 量 次 数 , 并 能 键 入 年 、 月 、 日 期 ,试 验 结 果 和 数 据 处 理 等 , 通 过 打 印 机 输 出 , RS-232 接 口 与 计 算 机 连 网 。 布 氏 硬 度 试 验 主 要 用 于 铸 铁 、 钢 材 、 有 色 金 属 及 软 合 金 等 材 料 的 硬 度 测 定 , 此 外 还可 以 用 于 硬 质 的 塑 料 、 电 木 等 某 些 非 金 属 材 料 硬 度 的 测 定 。 适 用 于 工 厂 、 车 间 、 试 验 室 、大 专 院 校 和 科 研 机 构 。 布 氏 硬 度 试 验 是 用 一 定 直 径 的 钢 球 ( D) ,以 规 定 试 验 力 ( F) 压 入 被 测 试 物 体 的 表面 ( 图 1) , 经 规 定 的 保 持 试 验 力 时 间 后 , 卸 除 试 验 力 , 用 测 微目镜测 量 试 件表 面 的 压痕 直 径 ( d) , 计 算 压 痕 的 球 形表 面 积所承受的 平均压 力 ( N/mm2) , 即布 氏 硬 度 值 。 从以 下计 算 公式中可 得到布 氏 硬 度 值 ; 2F πD(D-√D2-d2) 式中:F-通 过 钢 球 压 头加在...

1、当您付费下载文档后,您只拥有了使用权限,并不意味着购买了版权,文档只能用于自身使用,不得用于其他商业用途(如 [转卖]进行直接盈利或[编辑后售卖]进行间接盈利)。
2、本站所有内容均由合作方或网友上传,本站不对文档的完整性、权威性及其观点立场正确性做任何保证或承诺!文档内容仅供研究参考,付费前请自行鉴别。
3、如文档内容存在违规,或者侵犯商业秘密、侵犯著作权等,请点击“违规举报”。

碎片内容

布氏硬度计说明书

确认删除?
VIP
微信客服
  • 扫码咨询
会员Q群
  • 会员专属群点击这里加入QQ群
客服邮箱
回到顶部