电脑桌面
添加小米粒文库到电脑桌面
安装后可以在桌面快捷访问

带式运输机设计VIP免费

带式运输机设计_第1页
1/33
带式运输机设计_第2页
2/33
带式运输机设计_第3页
3/33
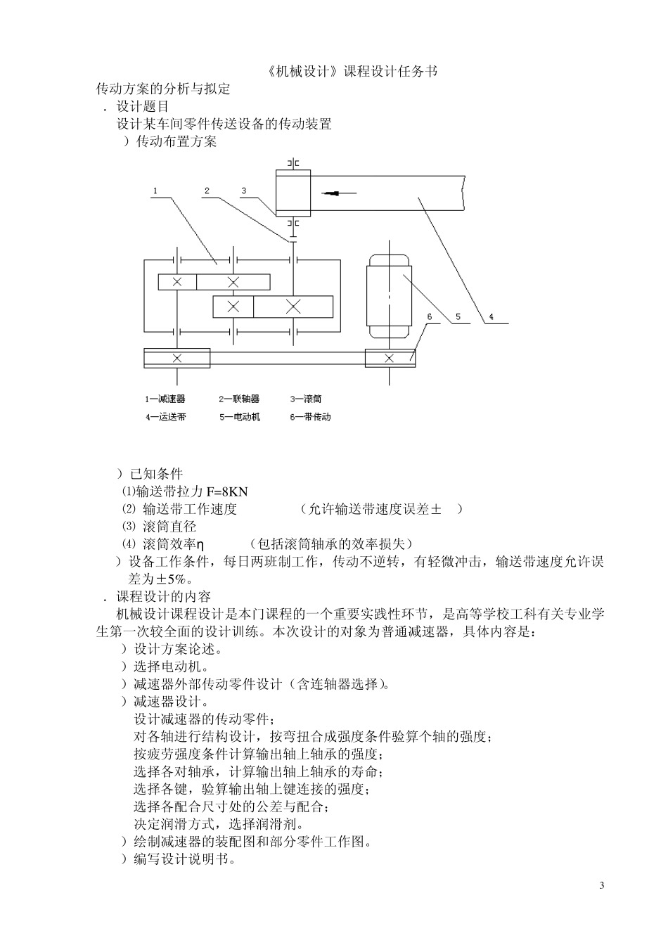
机 械 设 计 ( 机 械 设 计 基 础 ) 课程设计说明书 设计题目: 带式运输机传动装置 院(系): 机械工程 专业: 机械设计制造及其自动化 班级: 0 9 机制 3 班 学号: 0 9 0 6 0 1 3 0 0 3 设计人: 张洪涛 指导老师: 王勇 完成日期: 2 0 1 1 年 1 2 月 3 0 日 (校名) 合肥学院 2 目 录 课程设计任书………………………………………………………………… 3 电动机的选择 …………………………………………………………… 4 传动装置的运动和动力参数计算 ………………………………………… 5 V带传动设计 …………………………………………………………… 6 减速器高速级齿轮设计 …………………………………………………… 8 减速器低速级齿轮设计 …………………………………………………… 10 轴的设计计算 (输入轴)………………………………………………… 1 6 轴的设计计算 (中间轴)………………………………………………… 1 9 轴的设计计算 (输出轴)……………………………………………..… 2 0 滚动轴承的选择及计算 …………………………………………………… 24 键连接的选择及校核计算 ………………………………………………… 28 减速器附件的选择 ……………………………………………………… 29 润滑与密封 ………………………………………………………………… 31 参考数据 …………………………………………………………………… 32 3 《机械设计》课程设计任务书 传动方案的分析与拟定 1.设计题目 设计某车间零件传送设备的传动装置 1)传动布置方案 2)已知条件 ⑴输送带拉力F=8K N ⑵ 输送带工作速度V=0.9m/s(允许输送带速度误差±5%) ⑶ 滚筒直径 D=270mm ⑷ 滚筒效率η =0.96(包括滚筒轴承的效率损失) 3)设备工作条件,每日两班制工作,传动不逆转,有轻微冲击,输送带速度允许误差为±5%。 2.课程设计的内容 机械设计课程设计是本门课程的一个重要实践性环节,是高等学校工科有关专业学生第一次较全面的设计训练。本次设计的对象为普通减速器,具体内容是: 1)设计方案论述。 2)选择电动机。 3)减速器外部传动零件设计(含连轴器选择)。 4)减速器设计。 设计减速器的传动零件; 对各轴进行结构设计,按弯扭合成强度条件验算个轴的强度; 按疲劳强度条件计算输出...

1、当您付费下载文档后,您只拥有了使用权限,并不意味着购买了版权,文档只能用于自身使用,不得用于其他商业用途(如 [转卖]进行直接盈利或[编辑后售卖]进行间接盈利)。
2、本站所有内容均由合作方或网友上传,本站不对文档的完整性、权威性及其观点立场正确性做任何保证或承诺!文档内容仅供研究参考,付费前请自行鉴别。
3、如文档内容存在违规,或者侵犯商业秘密、侵犯著作权等,请点击“违规举报”。

碎片内容

带式运输机设计

您可能关注的文档

确认删除?
VIP
微信客服
  • 扫码咨询
会员Q群
  • 会员专属群点击这里加入QQ群
客服邮箱
回到顶部