电脑桌面
添加小米粒文库到电脑桌面
安装后可以在桌面快捷访问

数控车床编程教学VIP免费

数控车床编程教学_第1页
1/34
数控车床编程教学_第2页
2/34
数控车床编程教学_第3页
3/34
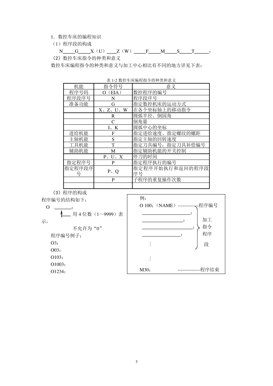
1 数控车床教案 王画 2 第一章 数控车床编程知识 一、 数控车床的坐标系和运动方向 1.机床坐标系和运动方向 数控车床的坐标系是以径向为X轴方向,纵向为Z轴方向,指向主轴箱的方向为Z轴的负方向,而指向尾架方向是Z轴的正方向,而X轴是以沿工件直径增大的方向为正方向。图6-6所示为数控车床的坐标系。 X 坐标和Z 坐标指令,在按绝对坐标编程时,使用代码X 和Z;按增量坐标(相对坐标)编程时,使用代码U 和W。 向负方向 执行切削 X 轴 精加工端面 程序原点 程序原点 精加工端面 X 轴 Z 轴 Z 轴 向正方向 执行切削 图1-7 程序原点 (a) (b) 2.程序原点 程序原点是指程序中的坐标原点,即在数控加工时,刀具相对于工件运动的起点,所以也称为“对刀点”。 程序原点的设定通常是将主轴中心设为X轴方向的原点,将加工零件的精切后的右端面或精切后的夹紧定位面设定为Z轴方向的原点,如图6-7(a)、(b)所示。 3.机械原点(或称机床原点) 机械原点是由数控车床的结构决定的,与程序原点是两个不同的概念,将机床的机械原点设定以后,它就是一个固定的坐标点。每次操作数控车床的时候,启动机床之后,必须首先进行原点复归操作,使刀架返回机床的机械原点。 (1) X 轴机械原点 (2) Z 轴机械原点 二、数控车床手工编程的方法 与其他数控机床相同,数控车床程序编制的方法也有两种:手工程序编制与自动程序编制。使用上述两种方法编制数控程序的步骤,请参考第二章的有关内容。本章主要介绍数控车床编程的特点,并结合实例介绍数控车床手动编程的方法。 操作者 -Z +X +Z -X -C +C C 轴 图1-6 数控车床坐标系 3 1.数控车床的编程知识 (1)程序段的构成 N G X(U) Z(W) F M S T ; (2)数控车床指令的种类和意义 数控车床编程指令的种类和意义与加工中心相比有不同的地方详见下表: 表1-2 数控车床编程指令的种类和意义 机能 指令符号 意义 程序号码 O(EIA) 数控程序的编号 程序段序号 N 程序段序号 准备功能 G 指定数控机床的运动方式 X、Z、U、W 在各个坐标轴上的移动指令 R 圆弧半径、倒园角 C 倒角量 I、K 圆弧中心的坐标 进给机能 F 指定进给速度、指定螺纹的螺距 主轴机能 S 指定主轴的回转速度 工具机能 T 指定刀具编号,指定刀具补偿编号 辅助机能 M 指定辅助机能的开关控制 P、U、X 停刀的时间 指定程序号 P 指...

1、当您付费下载文档后,您只拥有了使用权限,并不意味着购买了版权,文档只能用于自身使用,不得用于其他商业用途(如 [转卖]进行直接盈利或[编辑后售卖]进行间接盈利)。
2、本站所有内容均由合作方或网友上传,本站不对文档的完整性、权威性及其观点立场正确性做任何保证或承诺!文档内容仅供研究参考,付费前请自行鉴别。
3、如文档内容存在违规,或者侵犯商业秘密、侵犯著作权等,请点击“违规举报”。

碎片内容

数控车床编程教学

您可能关注的文档

确认删除?
VIP
微信客服
  • 扫码咨询
会员Q群
  • 会员专属群点击这里加入QQ群
客服邮箱
回到顶部