电脑桌面
添加小米粒文库到电脑桌面
安装后可以在桌面快捷访问

浆砌排水沟施工技术交底1VIP免费

浆砌排水沟施工技术交底1_第1页
1/10
浆砌排水沟施工技术交底1_第2页
2/10
浆砌排水沟施工技术交底1_第3页
3/10
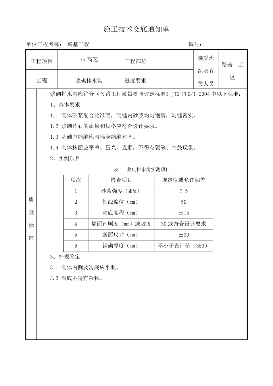
施工技术交底通知单 单位工程名称: 路基工程 编号: 工程项目 xx 高速 工程部位 接受班组及有关人员 路基二工区 工程 浆砌排水沟 进度要求 质 量 标 准 浆砌排水沟应符合《公路工程质量检验评定标准》JTG F80/1-2004 中以下标准: 1、基本要求 1.1 砌体砂浆配合比准确,砌缝内砂浆均匀饱满,勾缝密实。 1.2 浆砌片石的质量和规格应符合设计要求。 1.3 基础中缩缝应与墙身缩缝对齐。 1.4 砌体抹面应平整、压光、直顺,不得有裂缝、空鼓现象。 2、实测项目 表1 浆砌排水沟实测项目 项次 检查项目 规定值或允许偏差 1 砂浆强度(MPa) 7.5 2 轴线偏位(㎜) 50 3 沟底高程(㎜) ±15 4 墙面直顺度(㎜)或坡度 30 或符合设计要求 5 断面尺寸(㎜) ±30 6 铺砌厚度(㎜) 不小于设计值(350) 3、外观鉴定 3.1 砌体内侧及沟底应平顺。 3.2 沟底不得有杂物。 施工程序及操作要点 一、工程概况 K26+940-K28+000施工段共有浆砌排水沟1714m,结构型式为梯形排水沟(60×80㎝),所用材料为M7.5浆砌片石(1.01m3/m),M10水泥砂浆抹面(1.32m2/m)。排水沟示意图如下: 4:1 图1 浆砌排水沟示意图 (尺寸单位:cm) 二、施工机具 砂浆搅拌机、发电机、磅秤、平板振动夯、挖掘机 三、施工工艺流程 图2 浆砌排水沟施工工艺流程图 四、施工方法 1、测量放样 浆砌排水沟工程采用分段施工,分段放样。根据路基中线及护坡道高程放出两侧挂线施工 砌体勾缝 养生 墙身砌筑 测量放样 基坑开挖 基础砌筑 砂浆搅拌 砂浆搅拌 坡 角 线 , 然 后 根 据 《 边 沟 、 排 水 沟 设 计 表 》 中 “ 沟 中 心 至 中 桩 距 离 ” 参 数 放 出 排 水 沟中 线 , 再 通 过 排 水 沟 结 构 尺 寸 放 出 水 沟 边 线 , 并 用 白 灰 在 地 上 画 出 。 通 过 沟 底 高 程 、沟 底 纵 坡 确 定 开 挖 深 度 。 线 位 设 好 以 后 请 监 理 工 程 师 检 测 , 符 合 要 求 后 再 进 行 下 道 工序 。 2、 基 坑 开 挖 利 用 测 量 放 样 出 的 边 线 及 计 算 出 的 开 挖 深 度 , 采 用 人 工 配 合 挖 掘 机 械 开 挖 , 自 卸汽 车 运 输 的 基 坑 开 挖 方 式 。 基 坑 开 挖 至 距 设 计 沟 底 10~15cm ...

1、当您付费下载文档后,您只拥有了使用权限,并不意味着购买了版权,文档只能用于自身使用,不得用于其他商业用途(如 [转卖]进行直接盈利或[编辑后售卖]进行间接盈利)。
2、本站所有内容均由合作方或网友上传,本站不对文档的完整性、权威性及其观点立场正确性做任何保证或承诺!文档内容仅供研究参考,付费前请自行鉴别。
3、如文档内容存在违规,或者侵犯商业秘密、侵犯著作权等,请点击“违规举报”。

碎片内容

浆砌排水沟施工技术交底1

确认删除?
VIP
微信客服
  • 扫码咨询
会员Q群
  • 会员专属群点击这里加入QQ群
客服邮箱
回到顶部