电脑桌面
添加小米粒文库到电脑桌面
安装后可以在桌面快捷访问

建筑工程项目检查标准实用版VIP免费

建筑工程项目检查标准实用版_第1页
1/44
建筑工程项目检查标准实用版_第2页
2/44
建筑工程项目检查标准实用版_第3页
3/44
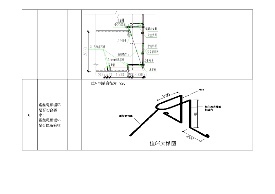
公司对项目部查抄尺度(宁静文明)序号事情内容查抄评价备注一宁静文明(一)外脚手架1 型钢是否按方案部署图部署工字钢间距 1.5m,特殊部位如转角处详见后附图1、2、3。2 型钢挑出长度、后端长度是否按方案1、工况 1(尺度工况) :悬挑水平钢梁接纳16 号工字钢,其中修建物外悬挑段长度1.1m,修建物内锚固段长度 1.7m 。( 注工字钢总长 3m,修建物内长 1.9m) ;2、工况 2(适用于转角处 ):悬挑水平钢梁接纳16 号工字钢,其中修建物外悬挑段长度1.3m,修建物内锚固段长度 2.5m 。( 注工字钢总长 4m,修建物内长 2.7m);3、工况 3(飘窗板处) :悬挑水平钢梁接纳16 号工字钢,其中修建物外悬挑段长度1.5m,修建物内锚固段长度 2.3m 。( 注工字钢总长 4m,修建物内长 2.5m) ;4、工况 4(内天井处搭设满堂脚手架,立杆放在I16 的工字钢上,工字钢两端安装在框架梁上) :简支梁接纳 16 号工字钢,长度不等,长度详平面部署图,两端部安装在框架梁上,每个端部伸入框架梁上200mm。3 型钢预埋环是否按方案埋设;型钢木楔子是否楔紧(上、左右)锚固压点压环钢筋直径为 :?16 (前端 1 个,后端 2 个);木方楔子楔子1122预埋I16 工字钢I16 工字钢1-12-2现浇板现浇板木方楔子I16 工字钢4 型钢预埋环是否隐蔽验收压环吊环作隐蔽验收,预埋钢筋压环在安装完毕混凝土浇注前,项目部技能卖力人应组织宁静员、质检员对所埋设的预埋环进行隐蔽验收,并填隐蔽验收记录表(技能卖力人、质检员、宁静员签字)。5 钢丝绳悬挂是否切合要求钢丝绳选用规格为?12 6 ×19×1570(a)6 钢丝绳预埋环是否切合要求;钢丝绳预埋环是否隐蔽验收拉环钢筋直径为 ?20;7 立杆间距是否切合方案要求立杆的纵距为 1.5m 、立杆的横距为 0.8m、内排架距外框架梁边水平距离为0.20 m;8 外架最后验收垂直度允许偏差:± 100mm 9 外架钢管接长是否切合要求1、立杆讨论除顶层顶步外,其余各层各步讨论必须接纳对接扣件连接,立杆与大横杆接纳直角扣件连接。讨论交织部署,两个相邻立柱讨论制止出现在同步同跨内,而且在高度偏向至少错开50cm ;各讨论中心距主节点的距离不大于步距的1/3 (本工程取 50cm )。立杆在顶部搭接时,搭接长度不小于 1m,必须等间距 3 个旋转扣件牢固,端部扣件盖板边沿至搭接纵向水平杆杆端的距离不小于 100mm ;2、纵向水平杆接长接纳对接扣件连接,对接扣件交织部署,两根相邻纵向...

1、当您付费下载文档后,您只拥有了使用权限,并不意味着购买了版权,文档只能用于自身使用,不得用于其他商业用途(如 [转卖]进行直接盈利或[编辑后售卖]进行间接盈利)。
2、本站所有内容均由合作方或网友上传,本站不对文档的完整性、权威性及其观点立场正确性做任何保证或承诺!文档内容仅供研究参考,付费前请自行鉴别。
3、如文档内容存在违规,或者侵犯商业秘密、侵犯著作权等,请点击“违规举报”。

碎片内容

建筑工程项目检查标准实用版

您可能关注的文档

确认删除?
VIP
微信客服
  • 扫码咨询
会员Q群
  • 会员专属群点击这里加入QQ群
客服邮箱
回到顶部