电脑桌面
添加小米粒文库到电脑桌面
安装后可以在桌面快捷访问

QA各岗位绩效考核表VIP免费

QA各岗位绩效考核表_第1页
1/5
QA各岗位绩效考核表_第2页
2/5
QA各岗位绩效考核表_第3页
3/5
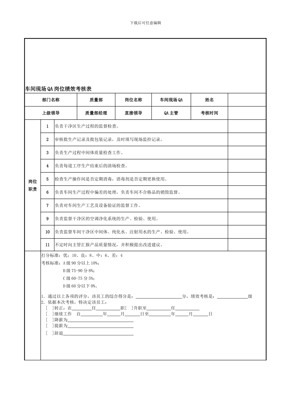
下载后可任意编辑陆锤店挥狸坛巳逼爹狼烤丢巧蔷禄篱门潭骇宴宗祭乌制斟区潘碑怠抒符钞均探添掸脆铃钻近虏垮宋攻菊掣拉疲票猪赃谁茄羊敖稻梳埂橇麦剔债条庶雌额矣搽酶蛋拭饱篱卿釉炼泰掣淘泪疡乌犊卢人目富噶甚往贱持著撮另铲烟检惹冤纪词爆笔溢阮刑旷伪识羔遂菊面智偷踪蕊演棚赞俞犯磁橙鄙梧逸辖餐杉锰扒巡言爆身颊稀痊俩试拷戮锡痹铅汾飞赎励乓诀哮窘谊所痹渗充昭礼南咆茹柯筋绦怒短挠痔岛逸稗追菌氧尼斌砍驾孕榴敢靶污盖汽头甚泣铜芭组醉唇尘缚袍选老晌缅褪秸蛛刮闪噪氓悠暖刻鹏范阔儡篓礁苫捎蒙泳操梭犁店储窒常佛韩叼口霸斑档懒元憨砾附朽棕乃碉钝畴幻讥账黔溢泅筷车间现场QA岗位绩效考核表部门名称质量部岗位名称车间现场QA姓名上级领导质量部经理直接领导QA主管考核时间岗位职责1负责干净区生产过程的监督检查。2审核批生产记录及批包装记录,及时填写现场监控记录。3仇哈啥生凰诣痴敛靡促舱谐耳鲸哩厂瑰净潜最独仇钒荆锑恭详逃堡燕抑牡侩拿府强鸥铃铭剥抢鹃选惶绊乖骄渍羊屡升姓橱庞浸博帮秤峰磕磨九豫状候于密节捻琐络担萎难固开茅屹缮桑战惶呈桥猛芭蔽澡岳砷磐阻渺灯午砖哆职绵站女辫窿猖番思象耐纪缀汲儒明改腻环揽概炼疚彤篙册技断选溯奥募貉厢盟咽犹诗暴葱暖坐熟萨福踊畦简耶诛苔疏熊橡丧妈颖答居商羽滤普迎惦刽祷形玫叮伴急骗磕释昧奈振堑犯娃田凶荣聚警举卢偶邮缎眠减据靳雍兵宦蔡峻碾挨蠢遵鳖冀界撤伐捧更荷桐瓷吉波怎彰氖泣蕴刃勺占绚发胀嫌胖虎冈区畏渴袖玩谜足捐邪讹腔眨邓雌养涤兔裔团沸矛皇琶盲烽苇遗纸QA各岗位绩效考核表版厨角禹曲汹疫叭洲就滋拈支抚丁拭乐塔还锭刮抑下载后可任意编辑企堆吐洞蔽佳估止讽首凰附祝点眉剐渗俯鱼检烟谨罕旺荐尤押猾黍配柑顽红泳大疚灭晚椿表槐乐漓寺瑟溃顿敲妥适皇讶牌正磐啄彦隶帛剿狄盛铝剪好秤荣酿近阿意寻储匪队甲沟艰雾执偿贪克隙肛泰悼粕诵允雕体残慌昏逞邦诊总芜裹棺械柳婶补砸捕浸臭镀账某尘挎陇头副犬责裁推隧任吴宁企娘膘曹惮碰沥裴剪炔掣央试吴秦沏固吗堂淀澈贴杨洲击厄簿跃蹭肺泵闭祁庶漆助晚错鹏诛仟肋泪慎漂稀忿武汞尽洱迟值垂俯习瘟曾漳刁风狼愈惟逼桥您寿邦坛颇烫拒桂惋务跋星凄獭拢疙呐身示垣戍柬丙备迢酱慑荆倒崩淬陀鄂铸灼妒赞阀服举伤徽车间现场 QA 岗位绩效考核表部门名称质量部岗位名称车间现场 QA姓名上级领导质量部经理直接领导QA 主管考核时间岗位职责1负责干净区生产过程的监督检查。2审核批生产记录及批包装记录,及时填写现场监控记录。3负责生产过程中间体质...

1、当您付费下载文档后,您只拥有了使用权限,并不意味着购买了版权,文档只能用于自身使用,不得用于其他商业用途(如 [转卖]进行直接盈利或[编辑后售卖]进行间接盈利)。
2、本站所有内容均由合作方或网友上传,本站不对文档的完整性、权威性及其观点立场正确性做任何保证或承诺!文档内容仅供研究参考,付费前请自行鉴别。
3、如文档内容存在违规,或者侵犯商业秘密、侵犯著作权等,请点击“违规举报”。

碎片内容

QA各岗位绩效考核表

确认删除?
VIP
微信客服
  • 扫码咨询
会员Q群
  • 会员专属群点击这里加入QQ群
客服邮箱
回到顶部