电脑桌面
添加小米粒文库到电脑桌面
安装后可以在桌面快捷访问

XPS板-企业质保体系管理制度VIP免费

XPS板-企业质保体系管理制度_第1页
1/13
XPS板-企业质保体系管理制度_第2页
2/13
XPS板-企业质保体系管理制度_第3页
3/13
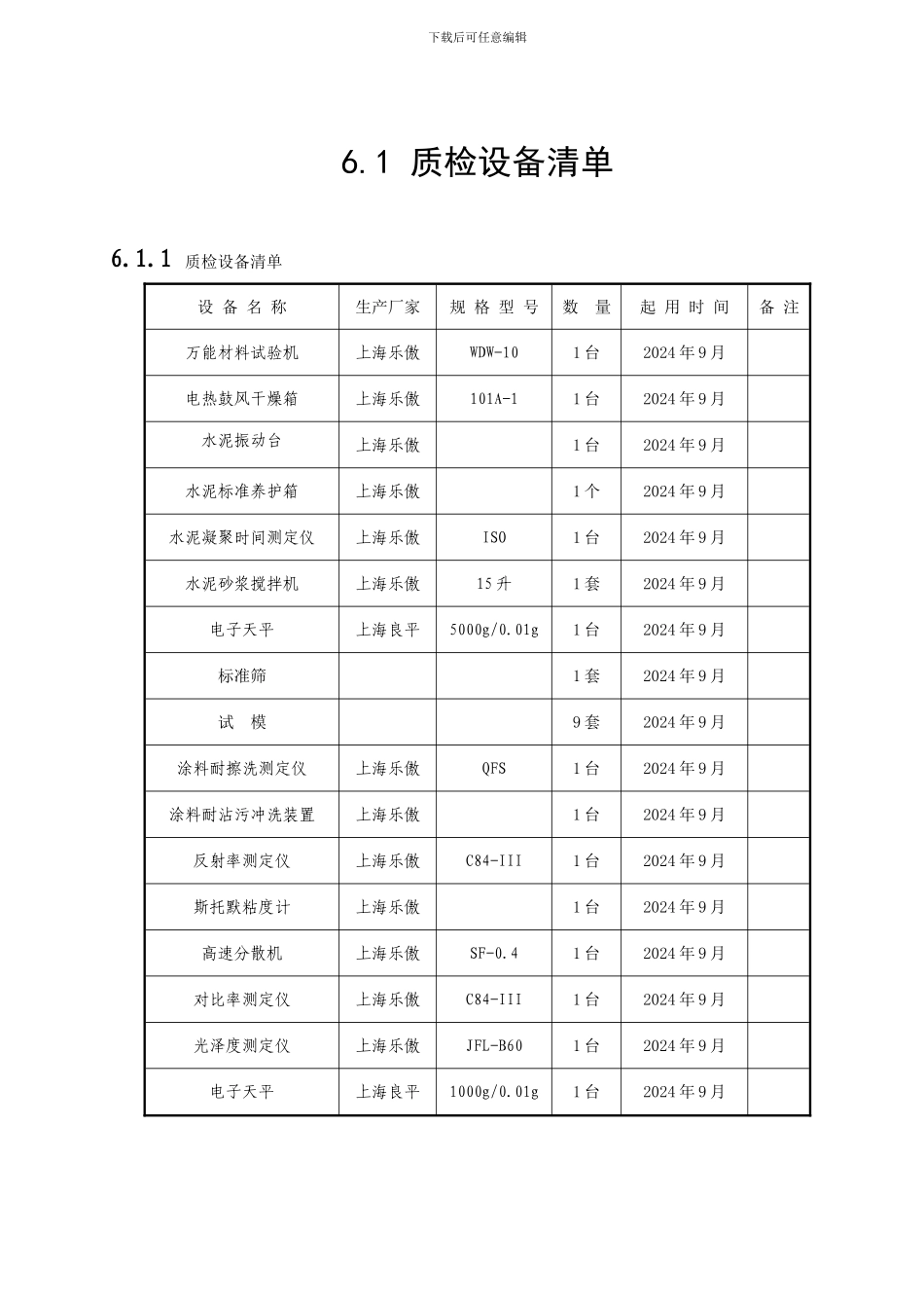
NCN 自洁弹性节能涂料保温系统( 6 )( 6 )产 品 质 量 保 证 体 系 报 告产 品 质 量 保 证 体 系 报 告盐 城 市 大 昌 建 材 科 技 有 限 公 司二 ○ 一 三 年 一 月六 产品质量保证体系报告下载后可任意编辑6.1 质检设备清单6.1.1 质检设备清单设 备 名 称生产厂家规 格 型 号数 量起 用 时 间备 注万能材料试验机上海乐傲WDW-101 台2024 年 9 月电热鼓风干燥箱上海乐傲101A-11 台2024 年 9 月水泥振动台上海乐傲1 台2024 年 9 月水泥标准养护箱上海乐傲1 个2024 年 9 月水泥凝聚时间测定仪上海乐傲ISO1 台2024 年 9 月水泥砂浆搅拌机上海乐傲15 升1 套2024 年 9 月电子天平上海良平5000g/0.01g1 台2024 年 9 月标准筛1 套2024 年 9 月试 模9 套2024 年 9 月涂料耐擦洗测定仪上海乐傲QFS1 台2024 年 9 月涂料耐沾污冲洗装置上海乐傲1 台2024 年 9 月反射率测定仪上海乐傲C84-III1 台2024 年 9 月斯托默粘度计上海乐傲1 台2024 年 9 月高速分散机上海乐傲SF-0.41 台2024 年 9 月对比率测定仪上海乐傲C84-III1 台2024 年 9 月光泽度测定仪上海乐傲JFL-B601 台2024 年 9 月电子天平上海良平1000g/0.01g1 台2024 年 9 月下载后可任意编辑六 产品质量保证体系报告6.2 质量保证组织措施6.2.1 质量保证组织机构6.2.2 质量保证组织机构岗位责任制6.2.2.1 总经理岗位职责1 贯彻国家有关技术质量的法律、法规和方针政策。增强企业全员的质量意识和工作责任心。2 对公司质量方针的制定,质量保证体系的建立、完善、实施保持全面负责,并对最终产品全面负责。3 批准压力容器制造质量手册。4 任命和解除质量保证体系责任人员。5 对质量保证体系的运行情况组织管理评审,确保质量保证体系的适宜性和有效性。6.2.2.2 技术负责人岗位职责总经理质量负责人技术负责人仓库保管车间主任项目经理试验室下载后可任意编辑1 协助经理贯彻国家有关技术质量法律、法规、标准和方针政策,并检查落实情况。2 协助经理制定和实施质量方针和质量目标。3 对产品质量形成全过程的质量活动实行统一领导和管理,主持日常质量控制和质量保证的具体业务工作。4 对重大质量问题的改进与技术改造的制定,纠正和预防措施作出决策并组织实施。5 组织内部质量审核活动,负责管理评审的准备工作,向经理报告质量保证体系运行情况,以供管理...

1、当您付费下载文档后,您只拥有了使用权限,并不意味着购买了版权,文档只能用于自身使用,不得用于其他商业用途(如 [转卖]进行直接盈利或[编辑后售卖]进行间接盈利)。
2、本站所有内容均由合作方或网友上传,本站不对文档的完整性、权威性及其观点立场正确性做任何保证或承诺!文档内容仅供研究参考,付费前请自行鉴别。
3、如文档内容存在违规,或者侵犯商业秘密、侵犯著作权等,请点击“违规举报”。

碎片内容

XPS板-企业质保体系管理制度

一二三四传媒+ 关注
实名认证
内容提供者

大量资料供您选择,没有合适的可以联系小二。

确认删除?
VIP
微信客服
  • 扫码咨询
会员Q群
  • 会员专属群点击这里加入QQ群
客服邮箱
回到顶部