电脑桌面
添加小米粒文库到电脑桌面
安装后可以在桌面快捷访问

混凝土回弹及钢筋扫描要求VIP免费

混凝土回弹及钢筋扫描要求_第1页
1/8
混凝土回弹及钢筋扫描要求_第2页
2/8
混凝土回弹及钢筋扫描要求_第3页
3/8
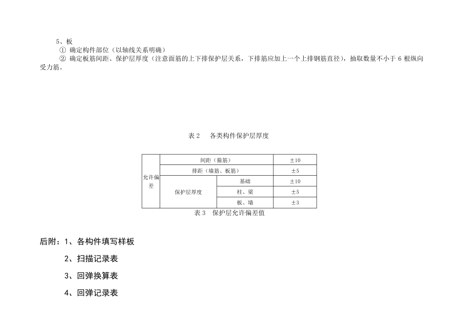
飞大·壹号广场 主体结构混凝土及钢筋检验标准 依据:1、设计图纸; 2、《混凝土结构工程施工质量验收规范》GB50204-2011; 3、《回弹法检测混凝土抗压强度技术规程》JGJ/T23-2011; 4、《混凝土中钢筋检测技术规程》JGJ/T152-2008 一、回弹法检测混凝土抗压强度 (1)检测范围 1、地下室:地下室分为主楼部分及纯地下室部分 主楼:按每批次浇筑范围、浇筑时间划分检测范围; 纯地下室部分:按后浇带每批次浇筑范围、浇筑时间划分检测范围; 2、主楼:按部位、层数及浇筑时间划分 (2)检测步骤 1、确定检测范围(批次); 2、根据检测范围确定检测构件及构件数量; 构件分类:框架柱、剪力墙(包含暗柱)、梁(包含框架梁、连梁、次梁)、板、挡土墙(地下室部分)。 检测数量:取同批次构件数量的 30%且不小于 10 个构件(其中梁按照跨数划分,挡土墙按照轴线划分,板按照块划分)进行检测,每个构件为 5 个测区,每个测区为 16 个测点。 3、检测要求 测区要求:测区应均匀分布在检测构件上,且间距不应大于 2m,距构件端部、施工缝不应小于 0.2m,不大于 0.5m,每个测区面积不大于 0.2m×0.2m,每个测区均匀分布 16 测点; 测点要求:测点间距不小于 2cm,均匀分布在每一测区内。 4、回弹值计算 每个测区 16 个回弹值中剔除 3 个最大值和 3 个最小值,将剩余 10 个回弹值相加平均得出测区平均值; 测区平均值按混凝土测区强度换算表及修正值附表进行换算得出混凝土抗压强度。 二、混凝土中钢筋检测 ( 1)检测范围 1、地下室:按区段划分,每层为一个检测范围; 2、主楼:按单元划分,每层为一个检测范围; (2)检测步骤 1、确定检测范围; 2、根据检测范围确定检测数量及构件数量; 构件分类:框架柱、剪力墙(包含地下室挡土墙)、暗柱、梁(包含框架梁、连梁、次梁)、板(包括地下室底板)。 构件数量:取同范围构件数量的2%且不小于5 个构件进行检测(当有悬挑梁、板时,抽取的悬挑梁、板类构件数量不应小于同类构件所占比例的50%)。 (3)检测注意事项 1、柱 ① 确定该构件的部位、代号、尺寸; ② 确定其构件主筋数量、箍筋间距(加密与非加密)、保护层厚度; 2、剪力墙(挡土墙) ① 确定该构件部位(以轴线关系明确) ② 确定水平及竖向钢筋的间距、保护层厚度(注意:地下室挡土墙竖向筋在外侧,水平筋在内测;同时应注意迎水、迎土面的保护层厚度); 3、暗...

1、当您付费下载文档后,您只拥有了使用权限,并不意味着购买了版权,文档只能用于自身使用,不得用于其他商业用途(如 [转卖]进行直接盈利或[编辑后售卖]进行间接盈利)。
2、本站所有内容均由合作方或网友上传,本站不对文档的完整性、权威性及其观点立场正确性做任何保证或承诺!文档内容仅供研究参考,付费前请自行鉴别。
3、如文档内容存在违规,或者侵犯商业秘密、侵犯著作权等,请点击“违规举报”。

碎片内容

混凝土回弹及钢筋扫描要求

您可能关注的文档

确认删除?
VIP
微信客服
  • 扫码咨询
会员Q群
  • 会员专属群点击这里加入QQ群
客服邮箱
回到顶部