电脑桌面
添加小米粒文库到电脑桌面
安装后可以在桌面快捷访问

管桩生产工艺VIP免费

管桩生产工艺_第1页
1/8
管桩生产工艺_第2页
2/8
管桩生产工艺_第3页
3/8
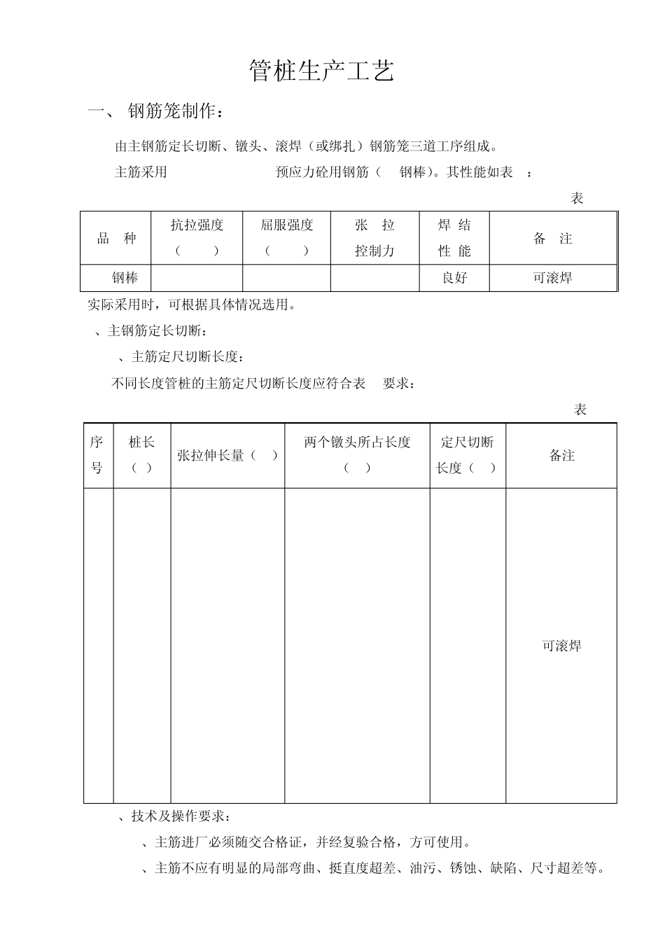
管桩生产工艺 一、 钢筋笼制作: 由主钢筋定长切断、镦头、滚焊(或绑扎)钢筋笼三道工序组成。 主筋采用 SBPDL-1275/1420预应力砼用钢筋(PC钢棒)。其性能如表-1: 表-1 品 种 抗拉强度(N/mm2) 屈服强度(N/mm2) 张 拉 控制力 焊 结 性 能 备 注 PC钢棒 1420 1275 0.7fpyk 良好 可滚焊 实际采用时,可根据具体情况选用。 1、主钢筋定长切断: A、主筋定尺切断长度: 不同长度管桩的主筋定尺切断长度应符合表-2要求: 表-2 序号 桩长 (m) 张拉伸长量(mm) 两个镦头所占长度(mm) 定尺切断长度(mm) 备注 1 2 3 4 5 6 7 8 9 10 11 12 15 14 13 12 11 10 9 8 7 6 5 4 75 70 65 60 55 50 45 40 35 30 25 20 26 14951 13956 12961 11966 10971 9976 8981 7986 6991 5996 5001 4006 可滚焊 B、技术及操作要求: a、主筋进厂必须随交合格证,并经复验合格,方可使用。 b、主筋不应有明显的局部弯曲、挺直度超差、油污、锈蚀、缺陷、尺寸超差等。 2 c、严格按生产计划通知单所要求的钢筋直径、材质、数量、切断长度等下料。 d、下料长度偏差不得大于定尺长度 1/5000,超差的必须分组组合使用。 e、不同技术性能的钢筋严禁混用。 f、切口平整,与中线垂直,无飞边、切斜现象。 2、镦头 A、镦头几何尺寸按表-3要求: 表-3 钢筋直径(d) 镦头直径(D) 镦头高度(H) 备 注 7.1 9 10.7 12.6 13.5-14.5 16-17.5 18-19.5 21.5-23 5.5-7.5 6.5-8 7-8.5 8.5-10 PC钢棒用 PC钢棒用 PC钢棒用 PC钢棒用 B、PC钢棒采用热镦。应根据线径及材质,调校加热时间、电流和镦头行程,气压应大于 0.55MPa,使镦头形状和尺寸符合要求。 C、技术操作要求: a、出现单边镦、偏头、歪头、爆裂、尺寸超差等不得使用。 b、镦头强度应不低于母材的 90% ,即不低于 1280MPa . c、镦头前应使用废料短钢棒进行预试,一般锤头和夹具距离 19-21mm。正常后开始成品生产。 3、钢筋笼成型: A、对主筋为PC钢棒的钢筋笼,应滚焊成型。成型的钢筋笼均应符合管桩设计要求。 B、技术操作要求: a、螺旋筋应采用乙级冷拉低碳钢丝,表面不得有油污、锈蚀; b、螺旋筋螺距:两端1.5m为40-60mm,中间间距为100 mm,两端密绕3-4圈并收头,密绕圈距端板应不大于 50 mm。 c、骨架成型后,应符合下列要求: (1) 预应力主筋间距偏差≯±5mm;...

1、当您付费下载文档后,您只拥有了使用权限,并不意味着购买了版权,文档只能用于自身使用,不得用于其他商业用途(如 [转卖]进行直接盈利或[编辑后售卖]进行间接盈利)。
2、本站所有内容均由合作方或网友上传,本站不对文档的完整性、权威性及其观点立场正确性做任何保证或承诺!文档内容仅供研究参考,付费前请自行鉴别。
3、如文档内容存在违规,或者侵犯商业秘密、侵犯著作权等,请点击“违规举报”。

碎片内容

管桩生产工艺

确认删除?
VIP
微信客服
  • 扫码咨询
会员Q群
  • 会员专属群点击这里加入QQ群
客服邮箱
回到顶部