电脑桌面
添加小米粒文库到电脑桌面
安装后可以在桌面快捷访问

管线工程检验批VIP免费

管线工程检验批_第1页
1/11
管线工程检验批_第2页
2/11
管线工程检验批_第3页
3/11
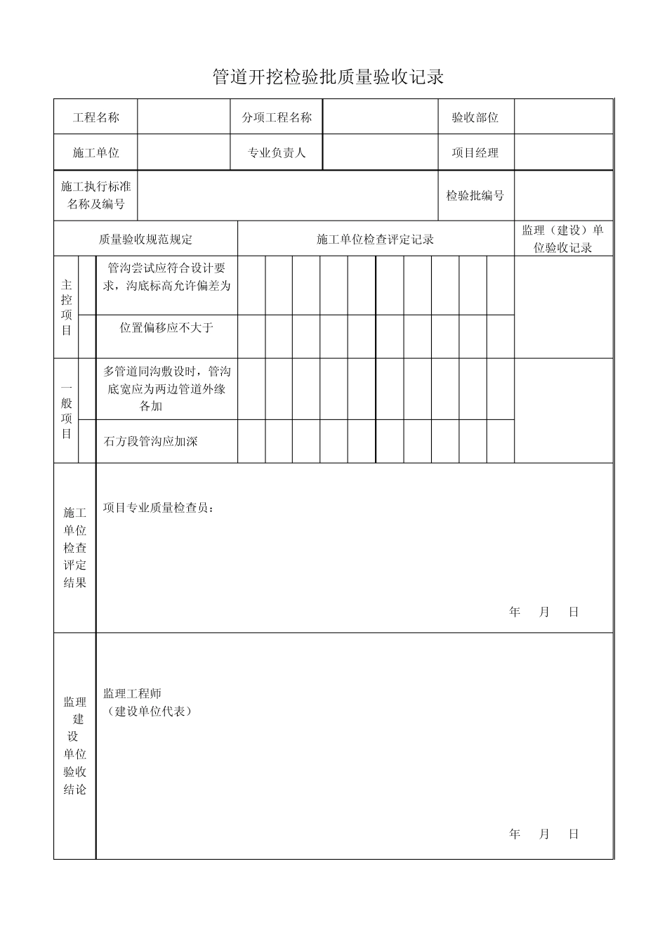
管道预制检验批质量验收记录 工程名称 分项工程名称 验收部位 施工单位 专业负责人 项目经理 施工执行标准 名称及编号 检验批编号 质量验收规范规定 施工单位检查评定记录 监理(建设)单 位验收记录 主控项目 1 管道的规格及材质应符合设计文件要求 一般项目 1 单根直管下料长度允许偏差应为单管长度的千分之一 2 管口不平度应小于或等于 1mm 3 管口的端面倾斜偏差应不大于钢管外径的1%,且不应超过 2mm 4 直管相邻环焊缝间距应大于管径的1.5倍且不应小于 150mm 施工 单位 检查 评定 结果 项目专业质量检查员: 年 月 日 监理 (建设) 单位 验收 结论 监理工程师 (建设单位代表) 年 月 日 管道开挖检验批质量验收记录 工程名称 分项工程名称 验收部位 施工单位 专业负责人 项目经理 施工执行标准 名称及编号 检验批编号 质量验收规范规定 施工单位检查评定记录 监理(建设)单位验收记录 主控项目 1 管沟尝试应符合设计要 求,沟底标高允许偏差为 0mm~100mm 2 位置偏移应不大于 100mm 一般项目 1 多管道同沟敷设时,管沟 底宽应为两边管道外缘 各加 250mm 2 石方段管沟应加深 200mm 施工 单位 检查 评定 结果 项目专业质量检查员: 年 月 日 监理 (建设) 单位 验收 结论 监理工程师 (建设单位代表) 年 月 日 管道组队检验批质量验收记录 工程名称 分项工程名称 验收部位 施工单位 专业负责人 项目经理 施工执行标准 名称及编号 检验批编号 质量验收规范规定 施工单位检查评定记录 监理(建设)单位验收记录 主控 项目 1 管道的规格和材质应符合设计要求 一般项目 1 管道接头的坡口型式及组队尺寸应符合焊接工艺规程的规定 坡口型式 坡口角度 钝边 间隙 2 对口错边量应符合下列要求 高压管道对口错边量不应超过壁厚的10%且不大于 1mm 中压管道对口错边量不应超过壁厚的15%且不大于 1.6mm 3 直缝或螺旋焊缝错开间距不应小于 100mm 施工 单位 检查 评定 结果 项目专业质量检查员: 年 月 日 监理 (建设) 单位 验收 结论 监理工程师 (建设单位代表) 年 月 日 管道焊接检验批质量验收记录 工程名称 分项工程名称 验收部位 施工单位 专业负责人 项目经理 施工执行标准名称及编号 检验批编号 质量验收规范规定 施工单位检查评定记录 监理(建设) 单位验收记录 主控 项目 1 ...

1、当您付费下载文档后,您只拥有了使用权限,并不意味着购买了版权,文档只能用于自身使用,不得用于其他商业用途(如 [转卖]进行直接盈利或[编辑后售卖]进行间接盈利)。
2、本站所有内容均由合作方或网友上传,本站不对文档的完整性、权威性及其观点立场正确性做任何保证或承诺!文档内容仅供研究参考,付费前请自行鉴别。
3、如文档内容存在违规,或者侵犯商业秘密、侵犯著作权等,请点击“违规举报”。

碎片内容

管线工程检验批

您可能关注的文档

确认删除?
VIP
微信客服
  • 扫码咨询
会员Q群
  • 会员专属群点击这里加入QQ群
客服邮箱
回到顶部