电脑桌面
添加小米粒文库到电脑桌面
安装后可以在桌面快捷访问

管道及系统验收表Word文档VIP免费

管道及系统验收表Word文档_第1页
1/41
管道及系统验收表Word文档_第2页
2/41
管道及系统验收表Word文档_第3页
3/41
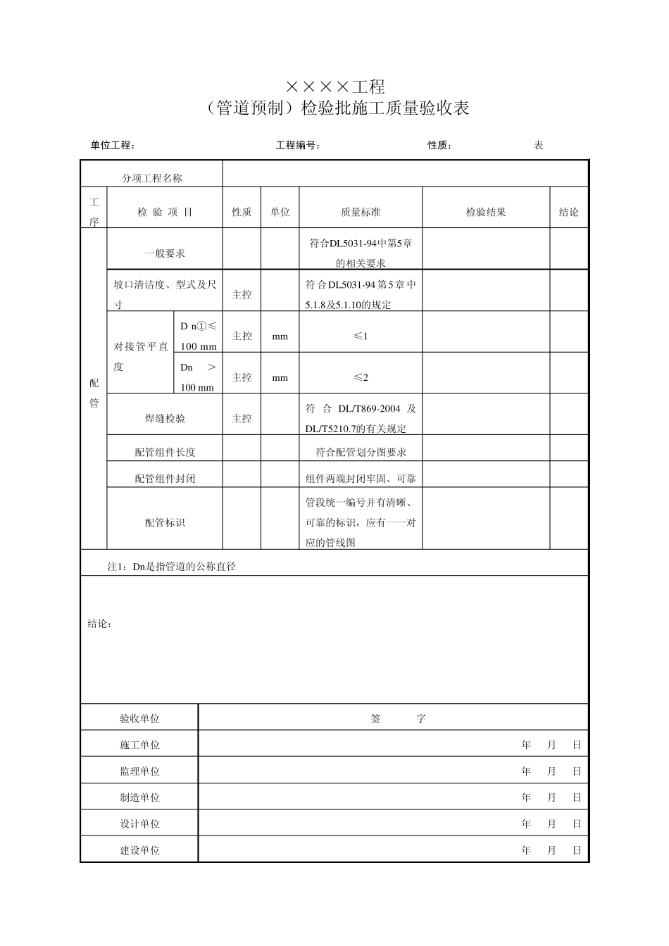
××××工程 (管道外观检查及清理)检验批施工质量验收表 单位工程: 工程编号: 性质: 表4.3.1-1 分项工程名称 工序 检 验 项 目 性质 单位 质量标准 检验结果 结论 管道 外观检查 规格、型号 主控 符 合 设 计 要 求 并 符 合DL5031-94中第3章的有关规定 材质 主控 符合设计要求,其材料化学成分、机械性能、冲击韧性、热处理状态或金相分析结果应符合相应国家标准 表面检查 无裂纹、缩孔、夹杂、粘砂、折迭、漏焊、重皮等缺陷;表面应光滑,不允许有尖锐划痕;凹陷深度不得超过1.5m m ,凹陷尺寸不应大于管子周长的5%,且不大于40m m 管道清理 一般要求 管道内部无严重锈蚀、油污、油漆、焊渣、泥沙等杂物 内部清理 酸洗清理 主控 符合厂家要求酸洗工艺,内部无锈蚀,并有一层钝化保护膜 蒸汽清理 主控 管道内部无锈蚀、重皮、焊渣等杂物,露金属光泽 物理清理 主控 管道内部无油污、锈蚀、重皮、焊渣等杂物,露金属光泽 封闭 管道两端封闭牢固、可靠 结论: 验收单位 签 字 施工单位 年 月 日 监理单位 年 月 日 制造单位 年 月 日 设计单位 年 月 日 建设单位 年 月 日 ××××工程 (管道预制)检验批施工质量验收表 单位工程: 工程编号: 性质: 表4.3.1-2 分项工程名称 工序 检 验 项 目 性质 单位 质量标准 检验结果 结论 配管 一般要求 符合DL5031-94中第5章的相关要求 坡口清洁度、型式及尺寸 主控 符合DL5031-94第5章中5.1.8及5.1.10的规定 对接管平直度 D n①≤100 mm 主控 mm ≤1 Dn>100 mm 主控 mm ≤2 焊缝检验 主控 符 合 DL/T869-2004 及DL/T5210.7的有关规定 配管组件长度 符合配管划分图要求 配管组件封闭 组件两端封闭牢固、可靠 配管标识 管段统一编号并有清晰、可靠的标识,应有一一对应的管线图 注1:Dn是指管道的公称直径 结论: 验收单位 签 字 施工单位 年 月 日 监理单位 年 月 日 制造单位 年 月 日 设计单位 年 月 日 建设单位 年 月 日 ××××工程 (阀门安装检查)检验批施工质量验收表 单位工程: 工程编号: 性质: 表4.3.1-3 分项工程名称 工序 检 验 项 目 性质 单位 质量标准 检验结果 结论 阀门 检查 检查一般要求 符合DL5031-94第3章中3.5.1的规定和设计要求 规格、型号 主控 符合设计规定 阀门行程 开闭灵活到...

1、当您付费下载文档后,您只拥有了使用权限,并不意味着购买了版权,文档只能用于自身使用,不得用于其他商业用途(如 [转卖]进行直接盈利或[编辑后售卖]进行间接盈利)。
2、本站所有内容均由合作方或网友上传,本站不对文档的完整性、权威性及其观点立场正确性做任何保证或承诺!文档内容仅供研究参考,付费前请自行鉴别。
3、如文档内容存在违规,或者侵犯商业秘密、侵犯著作权等,请点击“违规举报”。

碎片内容

管道及系统验收表Word文档

您可能关注的文档

确认删除?
VIP
微信客服
  • 扫码咨询
会员Q群
  • 会员专属群点击这里加入QQ群
客服邮箱
回到顶部