电脑桌面
添加小米粒文库到电脑桌面
安装后可以在桌面快捷访问

管道材料等级表VIP免费

管道材料等级表_第1页
1/17
管道材料等级表_第2页
2/17
管道材料等级表_第3页
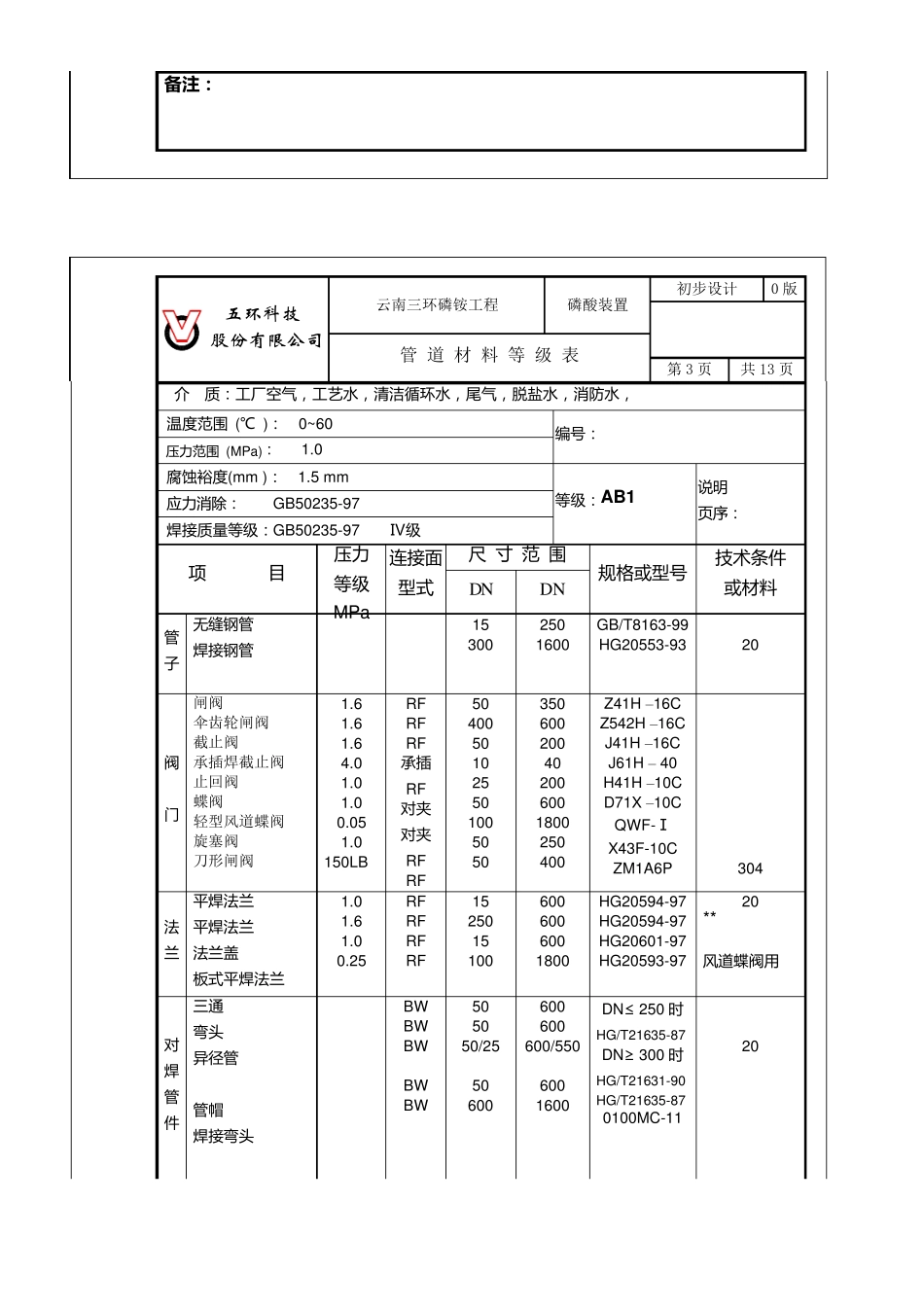
3/17
五环科技 股份有限公司 云南三环磷铵工程 磷酸装置 初步设计 0 版 管 道 材 料 等 级 表 第 1 页 共 13 页 管 道 材 料 等 级 表 编 制/日期 校核/日期 审核/日期 审定/日期 五环科技 股份有限公司 云南三环磷铵工程 磷酸装置 初步设计 0 版 管 道 材 料 等 级 表 第 2 页 共 13 页 介 质 : 仪 表 空 气 , 饮 用 水 温 度 范 围 (℃): 0~60 编 号 : 压 力 范 围 (MPa) : 1.0 腐 蚀 裕 度 (mm ): 1.5 mm 等 级 : AA1 说 明 页 序 : 应 力 消 除 : GB50235-97 焊 接 质 量 等 级 : GB50235-97 Ⅳ 级 项 目 压 力 等 级 MPa 连 接 面 型 式 尺 寸 范 围 规 格 或 型 号 技 术 条 件 或 材 料 DN DN 管子 无 缝 钢 管 焊 接 钢 管 15 1/2″ 100 2″ GB/T8163-99 GB/T3091-93 20 ( 镀 锌 ) 阀 门 闸阀 截止阀 承插焊截止阀 止回阀 球阀 1.6 1.6 4.0 1.0 1.0 RF RF 承 插 RF 螺 纹 50 50 15 15 15 100 100 40 100 50 Z41H-16C J41H-16C J61H-40 H41H-10C Q11F-10C 法兰 平 焊 法 兰 法 兰 盖 1.0 1.0 RF RF 15 15 100 100 HG20594-97 HG20601-97 20 对焊管件 三 通 弯 头 异 径 管 管 帽 BW BW BW BW 50 50 50/25 50 100 100 100/ 80 100 HG/T21635-87 20 螺纹管件 三 通 弯 头 异 径 管 3000LB 3000LB 3000LB 螺 纹 螺 纹 螺 纹 15 15 15 50 50 50 GB/T14626-93 20 ( 镀 锌 ) 其它 螺 柱 螺 母 垫 片 RF 双 头 GB/T901-88 GB/T6170-86 HG20607-97 8.8 级 8 级 石 棉 橡 胶 板 备注: 五环科技 股份有限公司 云南三环磷铵工程 磷酸装置 初步设计 0 版 管 道 材 料 等 级 表 第 3 页 共 13 页 介 质 : 工 厂 空 气 , 工 艺 水 , 清 洁 循 环 水 , 尾 气 , 脱 盐 水 , 消 防 水 , 温 度 范 围 (℃ ): 0~60 编 号 : 压 力 范 围 (MPa) : 1.0 腐 蚀 裕 度 (mm ): 1.5 mm 等 级 : AB1 说 明 页 序 : 应 力 消 除 : GB50235-97 焊 接 质 量 等 级 : GB50235-97 Ⅳ级 项 目 压 力 等 级 MPa 连 接 面 型...

1、当您付费下载文档后,您只拥有了使用权限,并不意味着购买了版权,文档只能用于自身使用,不得用于其他商业用途(如 [转卖]进行直接盈利或[编辑后售卖]进行间接盈利)。
2、本站所有内容均由合作方或网友上传,本站不对文档的完整性、权威性及其观点立场正确性做任何保证或承诺!文档内容仅供研究参考,付费前请自行鉴别。
3、如文档内容存在违规,或者侵犯商业秘密、侵犯著作权等,请点击“违规举报”。

碎片内容

管道材料等级表

您可能关注的文档

确认删除?
VIP
微信客服
  • 扫码咨询
会员Q群
  • 会员专属群点击这里加入QQ群
客服邮箱
回到顶部