电脑桌面
添加小米粒文库到电脑桌面
安装后可以在桌面快捷访问

开工资料报审表格VIP免费

开工资料报审表格_第1页
1/20
开工资料报审表格_第2页
2/20
开工资料报审表格_第3页
3/20
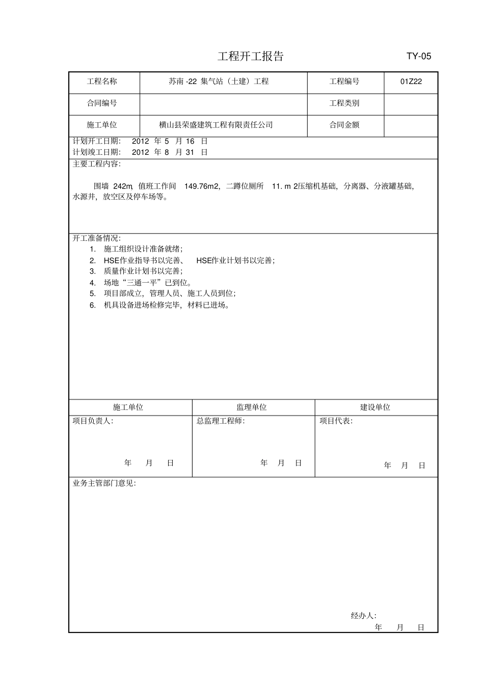
工程开 / 复工报审表JL-A01 工程名称苏南 -22 集气站(土建)工程编号01Z22 致:西安长庆工程建设监理有限公司长南定吴区块项目监理部根据合同约定,我方已完成了开/复工的各项准备工作,具备了开/复工条件,特此申请施工,请核查并批准开/复工。附件:开工报告项目经理(签字) :施工单位(章) :年月日审查意见:总监理工程师(签字) :项目监理机构(章) :年月日工程开工报告TY-05 工程名称苏南 -22 集气站(土建)工程工程编号01Z22合同编号工程类别施工单位横山县荣盛建筑工程有限责任公司合同金额计划开工日期:2012 年 5 月 16 日计划竣工日期:2012 年 8 月 31 日主要工程内容:围墙 242m,值班工作间149.76m2,二蹲位厕所11. m 2压缩机基础,分离器、分液罐基础,水源井,放空区及停车场等。开工准备情况:1.施工组织设计准备就绪;2.HSE作业指导书以完善、HSE作业计划书以完善;3.质量作业计划书以完善;4.场地“三通一平”已到位。5.项目部成立,管理人员、施工人员到位;6.机具设备进场检修完毕,材料已进场。施工单位监理单位建设单位项目负责人:年月日总监理工程师:年月日项目代表:年月日业务主管部门意见:经办人:年月日施工组织设计(方案)报审表JL-A02 工程名称苏南 -22 集气站(土建)工程编号01Z22 致:西安长庆工程建设监理有限公司长南定吴区块项目监理部我方已根据施工合同的有关规定完成了苏南 -22 集气站土建工程施工组织设计(方案),请予以审核。附件:施工组织设计(方案)项目经理(签字) :施工单位(章) :年月日专业监理工程师审查意见:专业监理工程师(签字):年月日总监理工程师审核意见:总监理工程师(签字) :项目监理机构(章) :年月日施工组织设计审批表TY-26 工程名称:苏南 -22 集气站(土建)工程施 审工 批单 意位 见技术质量部(章)审查人:日期:年月日安全环保部(章)审查人:日期:年月日监 审理 批单 意位 见监理单位(章)审查人:日期:年月日建 审设 批单 意位 见建设单位(章)审查人:日期:年月日质量计划报审表工程名称苏南 -22 集气站(土建)工程编号01Z22 致:西安长庆工程建设监理有限公司长南定吴区块项目监理部我方已根据施工合同的有关规定完成了苏南 -22 集气站土建工程质量计划的编制工作,请予以审核。附件:质量计划书项目经理(签字) :施工单位(章) :年月日专业监理工程师审查意见:专业...

1、当您付费下载文档后,您只拥有了使用权限,并不意味着购买了版权,文档只能用于自身使用,不得用于其他商业用途(如 [转卖]进行直接盈利或[编辑后售卖]进行间接盈利)。
2、本站所有内容均由合作方或网友上传,本站不对文档的完整性、权威性及其观点立场正确性做任何保证或承诺!文档内容仅供研究参考,付费前请自行鉴别。
3、如文档内容存在违规,或者侵犯商业秘密、侵犯著作权等,请点击“违规举报”。

碎片内容

开工资料报审表格

您可能关注的文档

确认删除?
VIP
微信客服
  • 扫码咨询
会员Q群
  • 会员专属群点击这里加入QQ群
客服邮箱
回到顶部