电脑桌面
添加小米粒文库到电脑桌面
安装后可以在桌面快捷访问

弯曲件展开及r角VIP免费

弯曲件展开及r角_第1页
1/2
弯曲件展开及r角_第2页
2/2
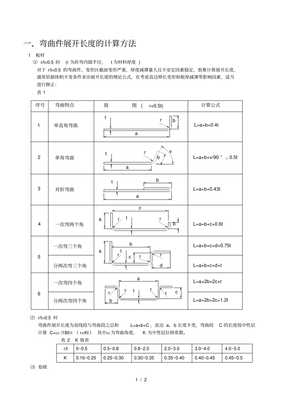
1 / 2 一、弯曲件展开长度的计算方法1 板材⑴ r/t<0.5 时(r 为折弯内圆半径,t 为材料厚度 ) 对于 r/t<0.5 的弯曲件,变形区截面变形严重,厚度减薄量大且不安定因素稳定,很难计算展开长度,通常依据体积不变条件求出展开长度的理论公式,在考虑直边伸长变形和板厚减薄等影响因素,适当进行修正:表 1 rrrrtcba65432trrrdcbatrrcbatabvrrtabbat分两次弯四个角一次弯四个角L=a+2b+2c+1.2tL=a+2b+2c+tL=a+b+c+d+t分两次弯三个角L=a+b+c+d+0.75t一次弯三个角L=a+b+c+0.6t一次弯两个角L=a+b+0.43t对折弯曲L=a+b+v/90 °0.5t单角弯曲L=a+b+0.4t单直角弯曲1计算公式简 图 (r<0.5t)弯曲特点序号⑵ r/t>0.5 时弯曲件展开长度为直线段与弯曲段之总和L=a+b+C ,直边 a、b 长度不变,弯曲段C 的长度按中性层计算 C=ω /180π ( r+Kt ) 其中ω 为弯曲角度,K 为中性层位移系数。表 2 K 值表r/t 0~0.5 0.5~0.8 0.8~2.0 2.0~3.0 3.0~4.0 4.0~5.0 K 0.16~0.25 0.25~0.30 0.30~0.35 0.35~0.40 0.40~0.45 0.45~0.5 ⑶ 卷圆2 / 2 卷圆的展开长度也按中性层位移系数计算,L=A+a/180 π (r+Kt) 表 3 K 值表r/t 0.6~0.8 0.8~1.2 1.2~1.8 1.8~2.2 ArK 0.76~0.70 0.70~0.64 0.64~0.58 0.58~0.5 2铁线⑴ r/d<0.5 时(r 为折弯内圆半径,d 为线径 ) 铁线的展开长度计算沿用板材的方法(见表 1);⑵ r/d>0.5 时展开长度也按中性层位移系数计算表 4 K 值表r/d 0.5 1 >1.5 K 0.53 0.51 0.5 3管材:管材的弯曲工艺性差,中性层系数难以准确确定且r/d 的值远大于0.5,所以让中性层系数K=0.5 ,展开长度就等于管的中心线长度。

1、当您付费下载文档后,您只拥有了使用权限,并不意味着购买了版权,文档只能用于自身使用,不得用于其他商业用途(如 [转卖]进行直接盈利或[编辑后售卖]进行间接盈利)。
2、本站所有内容均由合作方或网友上传,本站不对文档的完整性、权威性及其观点立场正确性做任何保证或承诺!文档内容仅供研究参考,付费前请自行鉴别。
3、如文档内容存在违规,或者侵犯商业秘密、侵犯著作权等,请点击“违规举报”。

碎片内容

弯曲件展开及r角

您可能关注的文档

确认删除?
VIP
微信客服
  • 扫码咨询
会员Q群
  • 会员专属群点击这里加入QQ群
客服邮箱
回到顶部