电脑桌面
添加小米粒文库到电脑桌面
安装后可以在桌面快捷访问

微波测量试验报告书VIP免费

微波测量试验报告书_第1页
1/45
微波测量试验报告书_第2页
2/45
微波测量试验报告书_第3页
3/45
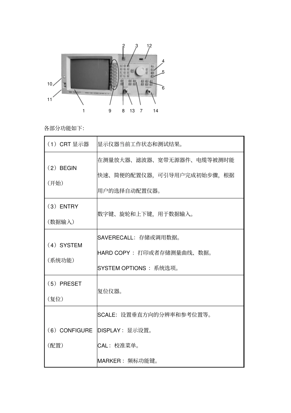
北京邮电大学微波测量实验学院:电子工程学院班号:学号:姓名:班内序号:时间: 2015 年 1 月实验一 熟悉微波同轴测量系统一、实验目的1、了解常用微波同轴测量系统的组成,熟悉其操作和特性。2、熟悉矢量网络分析仪的操作以及测量方法。二、实验内容1、常用微波同轴测量系统的认识,简要了解其工作原理。矢量网络分析仪的面板组成以及各部分功能:微波同轴测量系统包括三个主要部分:矢量网络分析仪、 同轴线和校准元件或测量元件。各部分功能如下:1)矢量网络分析仪:对 RF 领域的放大器、衰减器、天线、同轴电缆、滤波器、分支分配器、功分器、耦合器、隔离器、环形器等RF 器件进行幅频特性、反射特性和相频特性测量。2)同轴线:连接矢量网络分析仪和校准元件或测量元件。3)校准元件:对微波同轴侧量系统进行使用前校准,以尽量减小系统误差。测量元件:待测量的原件(如天线、滤波器等),可方便地通过同轴线和矢量网络分析仪连起来。面板组成图如下所示:各部分功能如下:(1)CRT 显示器显示仪器当前工作状态和测试结果。(2)BEGIN (开始)在测量放大器、滤波器、宽带无源器件、电缆等被测时能快速、简便的配置仪器,可引导用户完成初始步骤,根据用户的选择自动配置仪器。(3)ENTRY (数据输入)数字键、旋轮和上下键,用于数据输入。(4)SYSTEM (系统功能)SAVERECALL:存储或调用数据。HARD COPY :打印或者存储测量曲线、数据。SYSTEM OPTIONS :系统选项。(5)PRESET (复位)复位仪器。(6)CONFIGURE (配置)SCALE:设置垂直方向的分辨率和参考位置等。DISPLAY :显示设置。CAL:校准菜单。MARKER :频标功能键。1 2 3 5 4 6 7 9 8 10 11 12 13 14 FORMAT :数据显示格式。AVG :平均功能设置和中频带宽设置。(7)SOURSE (源)FREQ:频率设置。SWEEP:设置扫描方式、扫描时间。POWER:RF 信号输出开关或者设置RF信号输出功率。MENU :设置扫描点数及单次扫描、连续扫描或保持等。(8)MEAS (测量通道)MEAS1 :设置通道 1 的测量方式。MEAS2 :设置通道 2 的测量方式。(9)软键对应的功能显示在左边显示屏上。(10)亮度调节旋钮 调节显示器亮度。(11)电源开关打开或关闭整机电源。(12)U 盘接口Usb 盘接口(13)RF OUT (射频输出)射频信号输出口, N 型 K 头。(14)RF IN (射频输入)射频信号输入口, N 型 K 头。2、掌握矢量网络分析仪的操...

1、当您付费下载文档后,您只拥有了使用权限,并不意味着购买了版权,文档只能用于自身使用,不得用于其他商业用途(如 [转卖]进行直接盈利或[编辑后售卖]进行间接盈利)。
2、本站所有内容均由合作方或网友上传,本站不对文档的完整性、权威性及其观点立场正确性做任何保证或承诺!文档内容仅供研究参考,付费前请自行鉴别。
3、如文档内容存在违规,或者侵犯商业秘密、侵犯著作权等,请点击“违规举报”。

碎片内容

微波测量试验报告书

您可能关注的文档

确认删除?
VIP
微信客服
  • 扫码咨询
会员Q群
  • 会员专属群点击这里加入QQ群
客服邮箱
回到顶部