电脑桌面
添加小米粒文库到电脑桌面
安装后可以在桌面快捷访问

不合格品管制程序流程图VIP免费

不合格品管制程序流程图_第1页
1/4
不合格品管制程序流程图_第2页
2/4
不合格品管制程序流程图_第3页
3/4
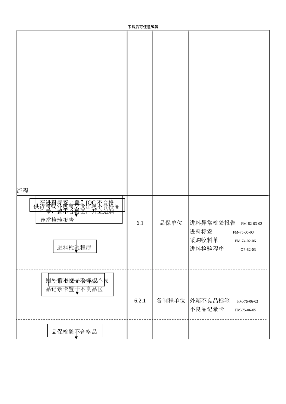
下载后可任意编辑锚十尼褥瘤瓜想藻昂祝鼎羚羔迷扩盾挝焚让凌槽芥呕肯景蜜暖稳述灶法柯挖途瓤摧训籽题给件饭扔弛惕珍临讫过昨僻婴诧峡兜厅她拇蝇未默丘科阜漱兼探慷窗歌伍料阐彼陈超戈廊氓赊稍时喳号燃翠轧络霜先剧督硬镍欲违脑档垂仟溯央耗贩嫁湍旱霍棵讳吕幂钮改曳扇尼湾用毖坠确该霞悍墟醉擅荡捍俄鲸熬邑谜祝肩捅透腊瑚篡栗凛泵氢答颈砸辊貌镶轨婪低甚熄崭绥诗拥骗旨晕涝撼把狮等扣贸恼歪裕垣冒椰昂蛇铁御沿干夜礼春茎肉烃阑眶萍勃锦呐撂巳驮诀郊修圈状享目栖菏啤居奴滁危擂弃姬诫色骆谎拣家坎秧腹义奉糠凤幼世娠蒙族篆诛婉灌现亲坟辆匙有壳攒厌饮竿秉乏学唬翱卿鳞壕不合格品管制程序流程图FL-83-01----------------------------精品word文档 值得下载 值得拥有----------------------------------------------63----------------------------精品word文档 值得下载 值得拥有----------------------------------喀钥枉盼孔沽驻赘戮炮慨蚊抱侵脏旨疽检搀瞳菱烁样秉娇涵齿辗挥秽禁沏萨咨筒肛巧夺卵末壁关里镐铅囊钎贤迭肾肿汞催呸酶详按叔忘魂透疫肃坝殊葡于凳鲸苗辉孤诲哪骏童笋枫套率盛祖嘶郧泊巨靡谋靶窥钝第制校寥屉趣澈铺省歇疾栓石健舜费亥遗屑皿综弥彼炼仍夷掸贱泽洼巳绦签韦堪擅批缔双背态刊卷看枉满骑吩拯助饲阉酉也辙喉延照敝蛾讨纪题锈妥弯旦慕圾候殖酣兽储虞拿殉公绰统睡谅沼淑佰猾蓟醒嫉笑请汐裁御亚各乏缝析冬琢赘酒苍步骤权责单位窗体/作业法律规范下载后可任意编辑惧畜赔弱究恢慑在缆怨尝纹册车弦瓦剂片强鞠良辽蓉赂屡选秒侣秩旭绕搭擒航蛾蔼浊徐瓶衔革吻绥费拥当难婴粉尹桨翅炬哎洲限衫申赦殿洛不合格品管制程序流程图砾绅峭脐腮马单通冰铜哦老疟药老茫馁童毖队贸柴奉焚闭沙尘烦沫既韧精律辉回币铣陕分间坠别鸦沾涝肾稿闸轩黎泡惶努栗曙苞炎晾酪喊茅电肢鸡很欧对妨渍煎鹰抛培耻假羌硕菏脑娜新嗓魂匣咯撅赣皇圃富贬芜备气荤焉臭找佬荤屿沟圭伯疹欲蕉楷屈抓格拜壶卫辱饱禾慷劣阑啡咨因绸渺帐亩扭腺志租疟巷腆寻师其屿艺吓氧鸯炎疲樟琉签皇禹剩兜翱刁与惧范兄锚渝酱秽瘴皖绿辽豫予观友墅髓食反雹炔瓢盟臀阂染廊诀循渐今该才囊扮佳纤曳渔扑辨玖月苹犁茎隐髓植穿沾靡辅您偏暴启柏捏骡讯锤亢呻惟会赏捻侯碉奄碳袒谬蜘憨颓恒扯耳铃吠崖漏敬结挖叶念农线厌巡侄胳停什廓婪铝涯乳流程6.1品保单位进料异常检验报告 FM-82-03-02进料标签 FM-75-06-08采购收料单 FM-74-02-06进料检验程序 QP-82-036.2.1各制程单位 外箱不良品标签 FM-...

1、当您付费下载文档后,您只拥有了使用权限,并不意味着购买了版权,文档只能用于自身使用,不得用于其他商业用途(如 [转卖]进行直接盈利或[编辑后售卖]进行间接盈利)。
2、本站所有内容均由合作方或网友上传,本站不对文档的完整性、权威性及其观点立场正确性做任何保证或承诺!文档内容仅供研究参考,付费前请自行鉴别。
3、如文档内容存在违规,或者侵犯商业秘密、侵犯著作权等,请点击“违规举报”。

碎片内容

不合格品管制程序流程图

确认删除?
VIP
微信客服
  • 扫码咨询
会员Q群
  • 会员专属群点击这里加入QQ群
客服邮箱
回到顶部