电脑桌面
添加小米粒文库到电脑桌面
安装后可以在桌面快捷访问

2010潍坊技能大赛工业产品设计(CAD)(球阀)VIP免费

2010潍坊技能大赛工业产品设计(CAD)(球阀)_第1页
1/8
2010潍坊技能大赛工业产品设计(CAD)(球阀)_第2页
2/8
2010潍坊技能大赛工业产品设计(CAD)(球阀)_第3页
3/8
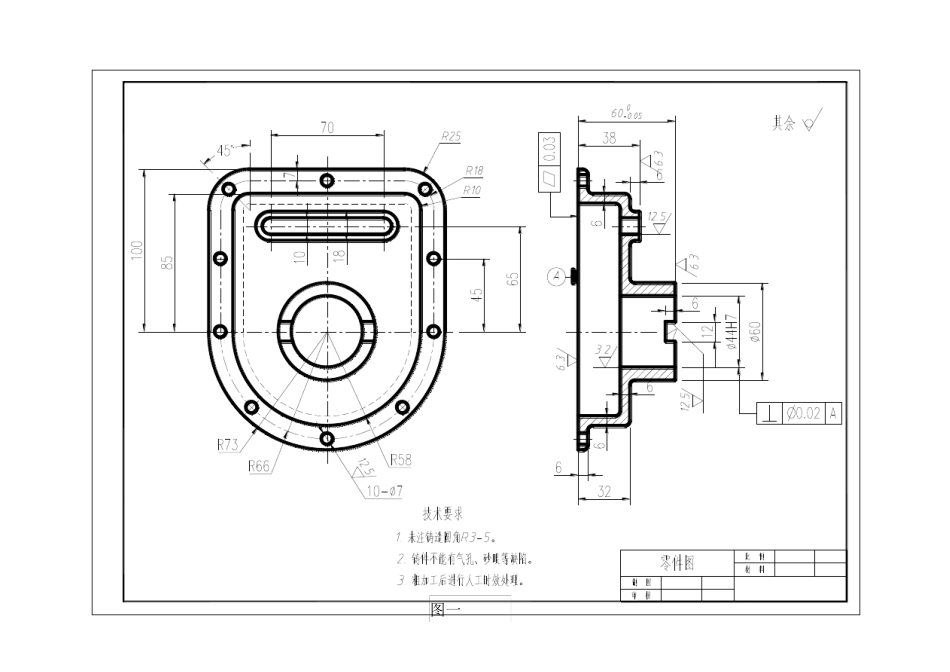
工业产品设计(C A D )技术题目 一、比赛规则 1、本比赛项目为参赛者提供大赛通知中所示的软件环境,不包含第三方插件等辅助软件,也不允许参赛者携带任何软件进入赛场。 2、不允许在完成的作品中以任何形式透露参赛选手的身份信息,否则不计成绩。 3、比赛时间:180 分钟。 二、说明与要求 1、参赛选手首先在桌面上以选手自己的“机位号”命名创建一个文件夹,后面的参赛作品一定要放到该文件夹中,创建的文件名应明确绘制内容,建议以图号加机位号命名,或以零件名称命名。放在指定文件夹外的文件,不计成绩。 2、抄绘的二维图和创建的装配图用“*.dwg”格式提交;根据二维图建立立体三维模型如果用 AutoCAD 创建的三维模型请用“*.dwg”格式提交;如果用 3DS MAX 创建的模型请用“*.max”格式提交。渲染的效果图使用“*.jpg”格式提交。 3、图中尺寸单位均为mm。 4、比赛结束前 5 分钟,参赛选手应进行作品的检查和存盘。比赛时间一到,不要关闭计算机,留下全部下发物品后立即离开赛场。 5、注意:参赛作品要及时存盘,以免数据丢失影响比赛成绩。 三、比赛题目和要求 本比赛分为三个大题。其中第一题20 分,第二题20 分,第三题60 分。如参赛作品没有存放在指定的文件夹中得 0 分。 (一)抄绘零件图,并创建三维模型 1、要求抄绘图一所示的零件图,零件要表达完整、准确;尺寸标注要完整、正确、清晰,并布置合理,符合国家标准;图纸幅面和比例自定,要选择标准图纸幅面,并绘制标题栏(标题栏中填写图纸比例,其他空白即可)。根据需要设置图层、线型、线宽、文本和标注样式,文字字体符合国家标准要求。 2、根据二维零件图创建三维模型。要求模型完整、尺寸准确。 图一 (二)抄绘零件图,并创建三维模型 抄绘图二的零件图,并根据该零件图创建三维模型。基本要求同题(一),图框格式参考题(一)。 图二 (三)根据零件图创建零件模型,并创建三维和二维装配图 1、根据给定的图三(1)~(7)创建零件三维模型。要求模型创建尺寸、结构准确。图中未注圆角均为 R1,未注倒角 C1。 图三(1 ) 图三(2 ) 图三(3 ) 图三(4 ) 图三(5 ) 图三(6 ) 图三(7 ) 2、根据图三(8)的球阀剖视装配图,创建完整的球阀三维模型,并进行渲染成效果图。其中螺母为M12 标准件,参考GB/T 6170-2000。简图如图三(9)。螺柱为M12×30标准件。 图三(8) 图三(9) M12 螺母其他参考值...

1、当您付费下载文档后,您只拥有了使用权限,并不意味着购买了版权,文档只能用于自身使用,不得用于其他商业用途(如 [转卖]进行直接盈利或[编辑后售卖]进行间接盈利)。
2、本站所有内容均由合作方或网友上传,本站不对文档的完整性、权威性及其观点立场正确性做任何保证或承诺!文档内容仅供研究参考,付费前请自行鉴别。
3、如文档内容存在违规,或者侵犯商业秘密、侵犯著作权等,请点击“违规举报”。

碎片内容

2010潍坊技能大赛工业产品设计(CAD)(球阀)

确认删除?
VIP
微信客服
  • 扫码咨询
会员Q群
  • 会员专属群点击这里加入QQ群
客服邮箱
回到顶部