电脑桌面
添加小米粒文库到电脑桌面
安装后可以在桌面快捷访问

S7200模拟量编程VIP免费

S7200模拟量编程_第1页
1/23
S7200模拟量编程_第2页
2/23
S7200模拟量编程_第3页
3/23
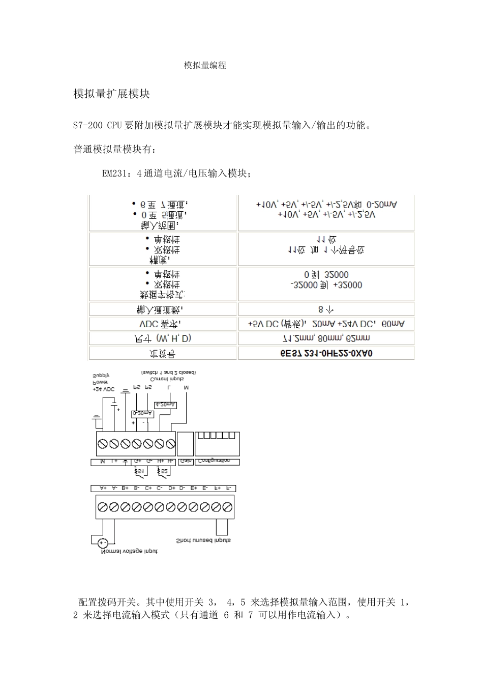
模拟量编程模拟量扩展模块S7-200 CPU 要附加模拟量扩展模块才能实现模拟量输入/输出的功能。普通模拟量模块有:• EM231:4 通道电流/电压输入模块;配置拨码开关。其中使用开关 3, 4,5 来选择模拟量输入范围,使用开关 1,2 来选择电流输入模式(只有通道 6 和 7 可以用作电流输入)。8 输入的EM231 模块只有第6、7 两通道可以用做电流输入,使用拨码开关1、2 对其进行设置:当开关1 为“ON”时,通道6 用做电流输入;开关2 为“ON”时,通道7 用做电流输入。反之,当1、2 开关为“OFF”时,6、7 通道用做电压输入。表 2. 新 EM 231 8 模拟量输入配置开关表• EM232:2 通道电流/电压输出模块;• EM235:4 通道电流/电压输入,1 通道电流/电压输出。温度测量型模块有:• EM231 TC:4 通道热电偶输入模块;• EM231 RTD:2 通道热电阻输入模块。有一款新产品 CPU 224 XP 在 CPU 本体上集成了简单的模拟量 I/O 通道,性能不如模拟量模块。将模拟量传感器信号连接到 S7-200 模拟量输入模块(EM231,EM235)模拟量输入模块可以通过 DIP 拨码开关设置为不同的测量方法。开关的设置应用于整个模块,一个模块只能设置为一种测量范围。(注:开关设置只有在重新上电后才能生效)DIP 拨码开关的具体设置请参照《S7-200系统手册》。输入阻抗与连接有关:电压测量时,输入是高阻抗为10 MOhm ;电流测量时,需要将 Rx 和 x 短接,阻抗降到 250 Ohm 。下列各图是各种传感器连接到S7-200 模拟量输入模块的示例:1. 四线制-外供电-电流型信号接线2. 二线制-电流测量接线图中的L+和M 属于为模拟量模块供电的CPU 传感器电源。如果使用其他外接电源,只要用相应电源的输出端取代上图中的L+和M,而且要使其 M 和为模块供电的M 连接起来,如图3。图3. 三线制电流信号测量接线图4. 四线制电压信号测量为了防止模拟量模块因短路而损坏,可以在传感器回路中串入一个 750 Ohm 电阻。它将串接在内部 250 Ohm 电阻上并保证电流在 32 m A 以下。图5. 三线制电压信号测量模拟量模块设置应用模拟量模块时,需要根据输入信号的规格设置右下角的DIP 开关(Configuration 开关)。DIP 开关只对输入信号有效,并且对所有的输入通道都是相同的。EM231、EM235 带模拟量输入通道的模块,还分别有电位器用于对输入信号进行校正。EM231 和EM235 上的Gain(增益)电位器用于调整输入信号和...

1、当您付费下载文档后,您只拥有了使用权限,并不意味着购买了版权,文档只能用于自身使用,不得用于其他商业用途(如 [转卖]进行直接盈利或[编辑后售卖]进行间接盈利)。
2、本站所有内容均由合作方或网友上传,本站不对文档的完整性、权威性及其观点立场正确性做任何保证或承诺!文档内容仅供研究参考,付费前请自行鉴别。
3、如文档内容存在违规,或者侵犯商业秘密、侵犯著作权等,请点击“违规举报”。

碎片内容

S7200模拟量编程

小辰7+ 关注
实名认证
内容提供者

出售各种资料和文档

确认删除?
VIP
微信客服
  • 扫码咨询
会员Q群
  • 会员专属群点击这里加入QQ群
客服邮箱
回到顶部