电脑桌面
添加小米粒文库到电脑桌面
安装后可以在桌面快捷访问

我国VOCs排放控制标准VIP免费

我国VOCs排放控制标准_第1页
1/6
我国VOCs排放控制标准_第2页
2/6
我国VOCs排放控制标准_第3页
3/6
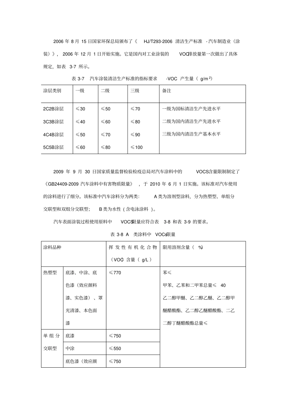
2006 年 8 月 15 日国家环保总局颁布了《HJ/T293-2006 清洁生产标准 - 汽车制造业(涂装)》, 2006 年 12 月 1 日开始实施。它是国内对工业涂装的VOC排放量第一次做出了具体规定,如表3-7 所示。表 3-7 汽车涂装清洁生产标准的指标要求-VOC 产生量( g/m 2)涂层类别一级二级三级备注2C2B涂层≤30≤50≤70一级为国标清洁生产先进水平二级为国内清洁生产先进水平三级为国内清洁生产基本水平3C3B涂层≤40≤60≤804C4B涂层≤50≤70≤905C5B涂层≤60≤80≤1002009 年 9 月 30 日国家质量监督检验检疫总局对汽车涂料中的VOCS含量限制制定了《GB24409-2009 汽车涂料中有害物质限量》,于 2010 年 6 月 1 日实施。该标准对汽车使用的涂料进行了细分。该标准中汽车涂料分为两类:A 类为溶剂型涂料,分为热塑型、单组分交联型和双组分交联型;B 类为水性 ( 含电泳涂料 )。汽车表面涂装过程使用原料中VOCS限量应符合表3-8 和表 3-9 的要求。表 3-8 A类涂料中VOCs限量涂料品种挥 发 性 有 机 化 合 物(VOC)含量( g/L )限用溶剂含量(%)热塑型底漆、中涂、底色漆(效应颜料漆、实色漆) 、罩光清漆、本色面漆≤770苯≤甲苯、乙苯和二甲苯总量≤40乙二醇甲醚、乙二醇乙醚、乙二醇甲醚醋酸酯、乙二醇乙醚醋酸酯、二乙二醇丁醚醋酸酯总量≤单 组 分交联型底漆≤750中涂≤550底色漆(效应颜≤750料漆、实色漆)罩光清漆、本色面漆≤580双 组 分交联型底漆、中涂≤670底色漆(效应颜料漆、实色漆)≤750罩光清漆≤560本色面漆≤630注:1. 涂料供应商应提供组分配比和能保证施涂的稀释比例范围,测试挥发性有机化合物和限用溶剂含量项目时按组分配比和最大稀释比例配制后进行测试。2.汽车发动机、排气管等部位使用的耐高温涂料归入底漆类别;单组分交联型中用于3C1B(三涂 - 烘干 ) 涂装工艺喷涂的第1、2 道涂料归入底色漆类别。3.某个产品作为不同涂料品种使用,应执行最严要求,如双组分交联型涂料中既能作为实色漆也能作为本色面漆使用的产品,应执行本色面漆的指标。表 3-9 B类涂料中VOCs限量涂料品种限用溶剂含量%水性涂料(含电泳涂料)乙二醇甲醚、乙二醇乙醚、乙二醇甲醚醋酸酯、乙二醇乙醚醋酸酯、二乙二醇丁醚醋酸酯总量≤粉末、光固化涂料——注:对于水性涂料(含电泳涂料),涂料供应商应提供施工配比。进行限用溶剂含量测试时:不加水,将各组分和溶剂(如产品规定施涂时需加...

1、当您付费下载文档后,您只拥有了使用权限,并不意味着购买了版权,文档只能用于自身使用,不得用于其他商业用途(如 [转卖]进行直接盈利或[编辑后售卖]进行间接盈利)。
2、本站所有内容均由合作方或网友上传,本站不对文档的完整性、权威性及其观点立场正确性做任何保证或承诺!文档内容仅供研究参考,付费前请自行鉴别。
3、如文档内容存在违规,或者侵犯商业秘密、侵犯著作权等,请点击“违规举报”。

碎片内容

我国VOCs排放控制标准

确认删除?
VIP
微信客服
  • 扫码咨询
会员Q群
  • 会员专属群点击这里加入QQ群
客服邮箱
回到顶部