电脑桌面
添加小米粒文库到电脑桌面
安装后可以在桌面快捷访问

截污工程施工专业技术方案VIP免费

截污工程施工专业技术方案_第1页
1/21
截污工程施工专业技术方案_第2页
2/21
截污工程施工专业技术方案_第3页
3/21
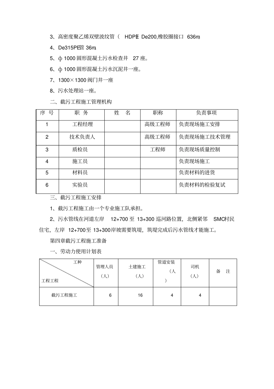
目录第一章工程简况----------------------------------2 第二章编制依据 ----------------------------------2 第三章截污工程施工部署--------------------------2 第四章截污工程施工准备 --------------------------------- 3 第五章截污工程主要施工方法 ----------------------------5 第六章截污工程施工技术质量措施-------------------------19 第七章 安全文明施工、环境保护措施-----------------------20 第一章工程简况1、工程概述:NQS河是 JM河的二级支流,发源于FS 区西南 STC 。自西北向东南流经DSW镇、CG镇,后经 HBS于 ZC汇入 BJM河。 NQS河出 BJ 市界后称为 HL 河。市内流域面积 71.78km2,河长 15.68km,河宽 10~50m,河道平均比降0.72%。现状河道大部分河段不足5 年一遇洪水标准。本次河道治理范围为:从STC至 NQS河出 BJ 市境,全长 15.6km。主要工程内容:河道疏挖、新挖河槽、堤防填筑、新建跌水、巡河道路、改建桥梁、新建雨水口、铺设截污管线以及景观绿化、管线改移等工程。2、本标段为FS 区 NQS河治理工程第 * 标段BBD 桥下游770m(桩号11+500;该处为 CG镇、 DSW镇交界)至 SMC东侧 300m(桩号 13+700),总治理长度 2.2km。3 截污工程管线位置在河道桩位12+700 至 13+400 右岸,污水检查井27座、沉泥井一座、闸阀井一座、污水处理站一座,污水管线672m。第二章编制依据1、施工图纸FS区 NQS河治理工程第* 标段河道布置施工图。2、规程规范①《工程建设标准强制性条文》(2010 年版)。②《水利水电工程单元工程质量评定标准》土石方工程(SL631-2012)。③《砌体结构工程施工质量验收规范》(GB50203-2011)。④《国家建筑标准设计图集》06MS201。⑤《给水排水管道工程施工及验收规范》GB 50268-2008。⑥《给水排水构筑物工程施工及验收规范》GB50141-2008。⑦《水工混凝土施工规范》SL677-2014。⑧《水工混凝土钢筋施工规范》DL/T5169-2002。第三章截污工程施工部署一、截污工程主要工程量1、土方开挖 2468m3。2、土方回填 2434m3。3、高密度聚乙烯双壁波纹管(HDPE)De200,橡胶圈接口 636m。4、De315PE管 36m。5、ф 1000 圆形混凝土污水检查井27 座。6、ф 1000 圆形混凝土污水沉泥井一座。7、1300×1300 阀门井一座8、污水处理站一座。二、截污工程施工管理机构序 号职 务姓名职称负责事项1 工程经理高级工程师负责现场施工安排2 技术负责人...

1、当您付费下载文档后,您只拥有了使用权限,并不意味着购买了版权,文档只能用于自身使用,不得用于其他商业用途(如 [转卖]进行直接盈利或[编辑后售卖]进行间接盈利)。
2、本站所有内容均由合作方或网友上传,本站不对文档的完整性、权威性及其观点立场正确性做任何保证或承诺!文档内容仅供研究参考,付费前请自行鉴别。
3、如文档内容存在违规,或者侵犯商业秘密、侵犯著作权等,请点击“违规举报”。

碎片内容

截污工程施工专业技术方案

确认删除?
VIP
微信客服
  • 扫码咨询
会员Q群
  • 会员专属群点击这里加入QQ群
客服邮箱
回到顶部