电脑桌面
添加小米粒文库到电脑桌面
安装后可以在桌面快捷访问

技能大赛工业产品设计CAD技术题目分析VIP免费

技能大赛工业产品设计CAD技术题目分析_第1页
1/8
技能大赛工业产品设计CAD技术题目分析_第2页
2/8
技能大赛工业产品设计CAD技术题目分析_第3页
3/8
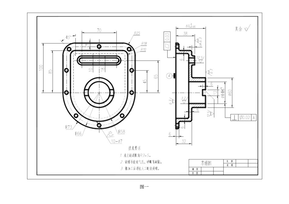
工业产品设计 (CAD) 技术题目一、比赛规则1、本比赛项目为参赛者提供大赛通知中所示的软件环境,不包含第三方插件等辅助软件,也不允许参赛者携带任何软件进入赛场。2、不允许的完成的作品中以任何形式透露参赛选手的身份信息,否则不计成绩。3、比赛时间: 180 分钟。二、说明与要求1、参赛选手首先在桌面上以选手自己的“机位号”命名创建一个文件夹,后面的参赛作品一定要放到该文件夹中,创建文件名应明确绘制内容,建议以图号加机位号命名,或以零件名称命名。 若在指定文件夹内相关的文件,则该项作品不计成绩。2、抄绘的二维图和创建的装配图用“*.dwg ”格式提交;根据二维图建立立体三维模型如果用 AutoCAD 创建的三维模型请用“ *.dwg ”格式提交;如果用3DS MAX 创建的模型请用“*.max ”格式提交。渲染的效果图使用“*.jpg ”格式提交。3、图中尺寸单位均为mm。4、比赛结束前 5 分钟,参赛选手应进行作品的检查和存盘。比赛时间一到,不要关闭计算机,留下全部下发物品后立即离开赛场。5、注意:参赛作品要及时存盘,以免数据丢失影响比赛成绩。三、比赛题目和要求(一)抄绘零件图,并创建三维模型1、要求抄绘图一所示的零件图,零件要表达完整,准确;尺寸标注要完整、正确、清晰,并布置合理,符合国家标准;图纸幅面和比例自定,要选择标准图纸幅面,并绘制标题栏(标题栏中填写图纸比例,其他空白即可)。根据需要设置图层、线型、线宽、文本和标注样式,文字字体符合国家标准要求。2、根据二维零件图创建三维模型。要求模型完整、尺寸准确。图一(二)抄绘零件图,并创建三维模型抄绘图二的零件图,并根据该零件图创建三维模型。基本要求同题(一),图框格式参考题(一) 。图二(三)根据零件图创建零件模型,并创建三维和二维装配图1、根据给定的图三( 1)~(7)创建零件三维模型。要求模型创建尺寸、结构准确。图中未注圆角均为 R1,未注倒角 C1。图三( 1)图三( 2)图三( 3)图三( 4)图三( 5)图三( 6)图三( 7)2、根据图三( 8)的球阀剖视装配图,创建完整的球阀三维模型,并进行渲染成效果图。其中螺母为M12 标准件,参考GB/T 6170-2000。简图如图三( 9)。螺柱为 M12×30标准件。图三( 8)图三( 9)M12 螺母其他参考值: c=0.6;da=13;dw=16.6;e=20.03;m=10.8;mw=8.3;s=18 3、根据零件图和球阀剖视装配图,绘制球阀的二维装配图。要求准确表明零件的装配关系,...

1、当您付费下载文档后,您只拥有了使用权限,并不意味着购买了版权,文档只能用于自身使用,不得用于其他商业用途(如 [转卖]进行直接盈利或[编辑后售卖]进行间接盈利)。
2、本站所有内容均由合作方或网友上传,本站不对文档的完整性、权威性及其观点立场正确性做任何保证或承诺!文档内容仅供研究参考,付费前请自行鉴别。
3、如文档内容存在违规,或者侵犯商业秘密、侵犯著作权等,请点击“违规举报”。

碎片内容

技能大赛工业产品设计CAD技术题目分析

确认删除?
VIP
微信客服
  • 扫码咨询
会员Q群
  • 会员专属群点击这里加入QQ群
客服邮箱
回到顶部