电脑桌面
添加小米粒文库到电脑桌面
安装后可以在桌面快捷访问

二维机械滑台设计指导书草稿VIP免费

二维机械滑台设计指导书草稿_第1页
1/22
二维机械滑台设计指导书草稿_第2页
2/22
二维机械滑台设计指导书草稿_第3页
3/22
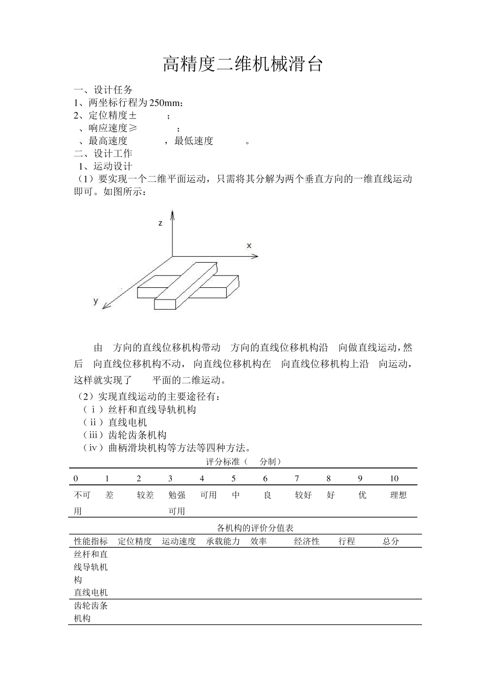
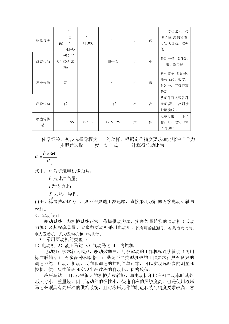
高精度二维机械滑台 一、设计任务 1、两坐标行程为250m m ; 2、定位精度±0.01mm; 3、响应速度≥1.5m/s^2; 4、最高速度12m/min,最低速度1m/min。 二、设计工作 1、运动设计 (1)要实现一个二维平面运动,只需将其分解为两个垂直方向的一维直线运动即可。如图所示: 由 X方向的直线位移机构带动 Y方向的直线位移机构沿 X向做直线运动,然后 X向直线位移机构不动,Y向直线位移机构在 X向直线位移机构上沿 Y向运动,这样就实现了 XOY平面的二维运动。 (2)实现直线运动的主要途径有: (ⅰ)丝杆和直线导轨机构 (ⅱ)直线电机 (ⅲ)齿轮齿条机构 (ⅳ)曲柄滑块机构等方法等四种方法。 评分标准(10分制) 0 1 2 3 4 5 6 7 8 9 10 不可用 差 较差 勉强可用 可用 中 良 较好 好 优 理想 各机构的评价分值表 性能指标 定位精度 运动速度 承载能力 效率 经济性 行程 总分 丝杆和直线导轨机构 9 9 8 10 7 9 52 直线电机 8 8 7 8 7 9 47 齿轮齿条机构 5 6 9 5 8 6 39 曲柄滑块机构 7 9 9 4 9 6 44 从上图可以看出,第一种方法——丝杆与直线导轨机构较符合。 (3)总体设计方案图: 根据前文进行的运动设计,初步拟定用步进电机驱动滚珠丝杆,带动滚动导轨上工作做直线运动,采用开环控制系统进行点位控制,由脉冲数控制位移、脉冲频率控制工作台速度的方案。 2、传动设计 机床传动系统是实现机床运动的。 下图是各种传动类型的比较: 传动类型 传动效率 传动比 圆周速度 外廓尺寸 相对成本 性能特点 带传动 0.94~0.96(平带)0.92~0.97(V带) ≤5~7 5~25(30) 大 低 过载打滑,传动平稳,能缓冲吸振,不能保证定传动比,远距离传动 0.95~0.98(齿型带) ≤1 0 50(80) 中 低 传动平稳,能保证固定传动比 链传动 0.90~0.92(开式)0.96~0.97(闭式) ≤5 (8 ) 5~25 大 中 平均传动比准确,可在高温下传动,远距离传动,高速有冲击振动 齿轮传动 0.920.96(开式)0.96~0.99(闭式) ≤3~5(开式)≤7~10(闭式) ≤5 ≤2 0 0 中小 中 传动比恒定,功率和速度适用范围广,效率高,寿命长。 滚动丝杆 步进电机 联轴器 步进电机 联轴器 Y 方向传动机构 X 方向传动机构 滚动丝杆 蜗轮传动 0.40~0.45(自锁)0.7~0.9(不自锁) 8~80(1 0 0 0 ) 15~50 小 高 传动比大,传动平稳,结构紧凑,可...

1、当您付费下载文档后,您只拥有了使用权限,并不意味着购买了版权,文档只能用于自身使用,不得用于其他商业用途(如 [转卖]进行直接盈利或[编辑后售卖]进行间接盈利)。
2、本站所有内容均由合作方或网友上传,本站不对文档的完整性、权威性及其观点立场正确性做任何保证或承诺!文档内容仅供研究参考,付费前请自行鉴别。
3、如文档内容存在违规,或者侵犯商业秘密、侵犯著作权等,请点击“违规举报”。

碎片内容

二维机械滑台设计指导书草稿

小辰7+ 关注
实名认证
内容提供者

出售各种资料和文档

确认删除?
VIP
微信客服
  • 扫码咨询
会员Q群
  • 会员专属群点击这里加入QQ群
客服邮箱
回到顶部