电脑桌面
添加小米粒文库到电脑桌面
安装后可以在桌面快捷访问

排水沟施工技术交底VIP免费

排水沟施工技术交底_第1页
1/6
排水沟施工技术交底_第2页
2/6
排水沟施工技术交底_第3页
3/6
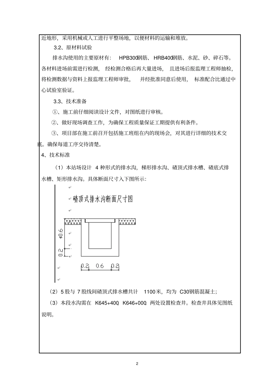
1 排水沟施工技术交底排水沟技术交底书表格编号1310 项目名称沙良站货场工程第页共页交底编号工程名称排水沟施工技术交底设计文件图号沙良站 01-03-43 施工部位K645+150-K646+250 交底日期2015 年 6 月 1 日技术交底内容:1、技术交底范围本交底适用于 K645+150~K646+250,水沟中心距离既有5 道中心线为 3.25m。2、设计情况(1)排水沟应根据地形及附近桥涵设置情况,因地制宜,就近引入排水桥涵,以确保排水畅通。 车站排水设备包括纵向和横向排水设备,纵向排水设备包括排水明沟、带盖板的排水槽、纵向道路外侧的公路排水槽,横向排水设备只要为横向排水管、沟。(2)纵向排水设备其纵向坡度不小于2‰;横向排水槽采用坡度不小于5‰;排水沟的起沟或分水点深度不低于0.4 米,沟底宽度不小于0.6 米;(3)排水设施不应与其它构筑物交叉,排水设施起讫点里程施工时视具体情况可做调整;(4)不同类型的排水设施连接时,应做好顺接和引排,并按要求做好渗漏措施,纵向排水设施与横向排水设施连接时,应设检查井。3、开始施工的条件及施工准备工作3.1 、施工准备⑴开工前,对排水沟平面布置图、及路基断面设计图纸等结合现场实际地形、地质情况与设计进行核对。⑵根据现场地形情况,选用临时道路及地方小路作为进场道路,并根据施工场地附2 近地形,采用机械或人工进行平整场地,以便材料的运输和堆放。3.2、原材料试验排水沟使用的主要原材有:HPB300钢筋、 HRB400钢筋、水泥、砂、碎石等。各材料进场前需进行检测, 经检测合格后再大量进场, 且进场后报监理工程师抽检,将检测数据与资料上报监理工程师审批,并经批准同意后使用, 标准配合比通过中心试验室验证。3.3、技术准备①、施工前仔细阅读设计文件,对图纸进行审核。②、做好现场调查工作,为确保工程质量保证工期提供有利条件。③、项目部在施工前召开包括施工班组在内的现场会,对其进行详细的技术交底。确保每道工序交待清楚。4、技术标准(1)本站场设计 4 种形式的排水沟,梯形排水沟、碴顶式排水槽、碴底式排水槽、矩形排水沟。具体断面尺寸入下图所示:(2)5 股与 7 股线间碴顶式排水槽共计1100米,均为 C30钢筋混凝土;(3)本段水沟需在 K645+400,K646+000;两处设置检查井。检查井具体见图纸说明。3 5、施工工艺5.1 测量放线项目部技术人员按照设计图纸进行放线,对标高进行测量, 协作队伍应配合技术人员做好铺面桩位及标高桩定位。货场基层...

1、当您付费下载文档后,您只拥有了使用权限,并不意味着购买了版权,文档只能用于自身使用,不得用于其他商业用途(如 [转卖]进行直接盈利或[编辑后售卖]进行间接盈利)。
2、本站所有内容均由合作方或网友上传,本站不对文档的完整性、权威性及其观点立场正确性做任何保证或承诺!文档内容仅供研究参考,付费前请自行鉴别。
3、如文档内容存在违规,或者侵犯商业秘密、侵犯著作权等,请点击“违规举报”。

碎片内容

排水沟施工技术交底

确认删除?
VIP
微信客服
  • 扫码咨询
会员Q群
  • 会员专属群点击这里加入QQ群
客服邮箱
回到顶部