电脑桌面
添加小米粒文库到电脑桌面
安装后可以在桌面快捷访问

城市道路路灯安装检验批表格VIP免费

城市道路路灯安装检验批表格_第1页
1/23
城市道路路灯安装检验批表格_第2页
2/23
城市道路路灯安装检验批表格_第3页
3/23
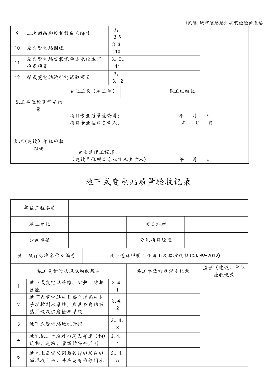
(完整)城市道路路灯安装检验批表格 变压器质量验收记录 单位工程名称 施工单位 项目经理 分包单位 分包项目经理 施工执行标准名称及编号 城市道路照明工程施工及验收规程(CJJ89—2012) 施工质量验收规范的的规定 施工单位检查评定记录 监理(建设)单位验收记录 1 室外压器安装方式宜采用柱上台架安装 3。2.1 2 柱上台架的混凝土杆应符合本规程中架空线路部分的相关要求,并且双杆基坑的埋设深度一致,两杆中心偏差不应超过±30mm 3。2。2 3 跌落式熔断器安装 3.2.3 4 柱上变压器试运行前检查项目 3。2。4 5 吊装油浸式变压器应利用油箱体吊钩,不得用变压器顶盖上盘的吊环吊装整台变压器,吊装干式变压器,可利用变压器上部钢横梁主吊环吊装 3。2。5 6 变压器附件安装 3。2.6 7 室内变压器就位 3.2.7 8 变压器绝缘油 3.2.8 9 变压器应按设计要求进行高压侧、低压侧电器连接 3。2.9 施工单位检查评定结果 专业工长(施工员) 施工班组长 项目专业质量检查员: 年 月 日 (完整)城市道路路灯安装检验批表格 项目专业技术负责人: 年 月 日 监理(建设)单位验收结论 专业监理工程师: (建设单位项目专业技术负责人) 年 月 日 箱式变电站质量验收记录 单位工程名称 施工单位 项目经理 分包单位 分包项目经理 施工执行标准名称及编号 城市道路照明工程施工及验收规程(CJJ89—2012) 施工质量验收规范的的规定 施工单位检查评定记录 监理(建设)单位验收记录 1 箱式变电站基础 3。3.1 2 箱式变电站基础内的接地装置 3。3。2 3 箱式变电站起重吊装 3.3。3 4 箱式变电站内应有铭心啊部位张贴本变电站的一二次回路接地线,接线图应清晰、准确 3。3.4 5 引出电缆每一回路标志牌应标明电缆型号、回路编号、电缆走向等内容,并应字体清晰工整,经久耐用、不易褪色 3.3。5 6 引出电缆芯线排列整齐,固定牢固,使用的螺栓、螺母宜选用不锈钢材质,每个接线端子接线不应超过两根 3.3。6 7 箱体引出电缆芯线和接线端子连接处宜采用专门的电缆套保护,引出电缆孔应采用有效的封堵措施 3。3。7 8 二次回路和控制线配线 3。3。8 (完整)城市道路路灯安装检验批表格 9 二次回路和控制线成束绑扎 3。3.9 10 箱式变电站围栏 3.3.10 11 箱式变电站安装完毕送电投运前检查项目 3。3。11 12 箱式变电站运行前试验项目 3。3.12 施工单位检查评定结果 专业工长(施工...

1、当您付费下载文档后,您只拥有了使用权限,并不意味着购买了版权,文档只能用于自身使用,不得用于其他商业用途(如 [转卖]进行直接盈利或[编辑后售卖]进行间接盈利)。
2、本站所有内容均由合作方或网友上传,本站不对文档的完整性、权威性及其观点立场正确性做任何保证或承诺!文档内容仅供研究参考,付费前请自行鉴别。
3、如文档内容存在违规,或者侵犯商业秘密、侵犯著作权等,请点击“违规举报”。

碎片内容

城市道路路灯安装检验批表格

您可能关注的文档

小辰9+ 关注
实名认证
内容提供者

出售各种资料和文档

确认删除?
VIP
微信客服
  • 扫码咨询
会员Q群
  • 会员专属群点击这里加入QQ群
客服邮箱
回到顶部