电脑桌面
添加小米粒文库到电脑桌面
安装后可以在桌面快捷访问

基础工程质量控制要点VIP免费

基础工程质量控制要点_第1页
1/6
基础工程质量控制要点_第2页
2/6
基础工程质量控制要点_第3页
3/6
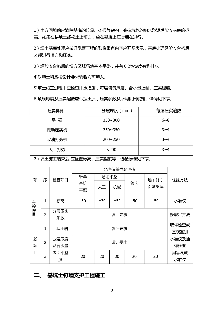
1 基 础 工 程 质 量 控 制 要 点 一 、 土方开挖 ( 一 ) 质 量 控 制 要 点 1、在土方工程施工测量 中,应对水平位置( 包括控 制 边界线、分界线、边坡线) 、边坡坡度( 包括放坡线、边坡线等) 和标高( 包括各个地段的标高等) 经常进行测量 ,校核是否符合设计要 求。 2、开挖过程中的挖土堆放不能离基坑上边缘土太近。 3、土方开挖应具备有一 定的边坡坡度,临时性开挖的边坡值一 定要 满足设计规定。 临时性挖土的边坡值见下表 土的类别 边坡值( 高:宽) 砂土( 不包括细砂,粉砂) 1:1.25~ 1:1.50 一 般性黏土 硬 1:0.75~ 1:1.00 硬、塑 1:1.00~ 1:1.25 软 1:1.50 或更缓 碎石类土 充填坚硬、硬塑黏性土 1:0.5~ 1:1.00 充填砂土 1:1.00~ 1:1.50 4、为了是建筑物有一 个比较均匀的下沉,对地基应进行严格的检验,与地质 勘察报告进行核对,检查地基土与工程地质 的勘察报告、设计图纸是否相符,有无破坏原状土的结构或发生较大的扰动现象。 ( 二) 验槽方法 ( 1) 表面检查验收法 1) 根据槽壁土层分布情况及走向,初判明全部基地是否已开挖至设计所要 求的土层。 2) 检查槽底是否已开挖至原( 老) 土部位,是否需要 继续下挖或进行处理。 3) 检查整个槽底土的颜色是否均匀一 致;土的坚硬程度是否一 样,是否局部过松或过坚硬的部位;有没有局部含水量 异常现象,如果有异常部位,要 汇报相关单位进行处理。 2 ( 2) 钎 探 检 查 验 槽 法 : 基 坑 挖 好 后 , 用 锤 把 钢 钎 打 入 槽 底 的 基 土 内 , 根 据 每 打 入 一 定深 度 的 锤 击 次 数 , 来 判 断 地 基 土 质 的 情 况 。 1) 钢 钎 的 规 格 和 重 量 : 钢 钎 用 直 径22~25mm 的 钢 筋 制 成 , 600 尖 锥 状 , 长 度1.8~2.1m, 配 合 重 量3.6~4.5kg 铁 锤 。 打 锤 时 , 举 高 离 钎 顶50~70cm, 将 钢 钎 垂 直打 入 土 中 , 并 记 录 每 打 入 土 层 30cm 的 锤 击 数 。 2) 钎 孔 布 设 位 置 和 钎 探 深 度 : 应 根 据 地 基 土 质 的 复 杂 情 况 和 基 槽 宽 度 、形状 而定 , 一般情 况 可参考下表。 钎 孔 布 置 孔 槽 宽 ( cm) 排列方式及示图 间距(m) ...

1、当您付费下载文档后,您只拥有了使用权限,并不意味着购买了版权,文档只能用于自身使用,不得用于其他商业用途(如 [转卖]进行直接盈利或[编辑后售卖]进行间接盈利)。
2、本站所有内容均由合作方或网友上传,本站不对文档的完整性、权威性及其观点立场正确性做任何保证或承诺!文档内容仅供研究参考,付费前请自行鉴别。
3、如文档内容存在违规,或者侵犯商业秘密、侵犯著作权等,请点击“违规举报”。

碎片内容

基础工程质量控制要点

您可能关注的文档

确认删除?
VIP
微信客服
  • 扫码咨询
会员Q群
  • 会员专属群点击这里加入QQ群
客服邮箱
回到顶部