电脑桌面
添加小米粒文库到电脑桌面
安装后可以在桌面快捷访问

塑料厂QC工程图VIP免费

塑料厂QC工程图_第1页
1/6
塑料厂QC工程图_第2页
2/6
塑料厂QC工程图_第3页
3/6
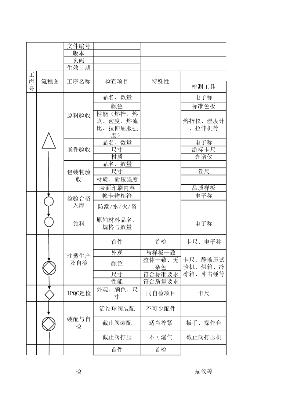
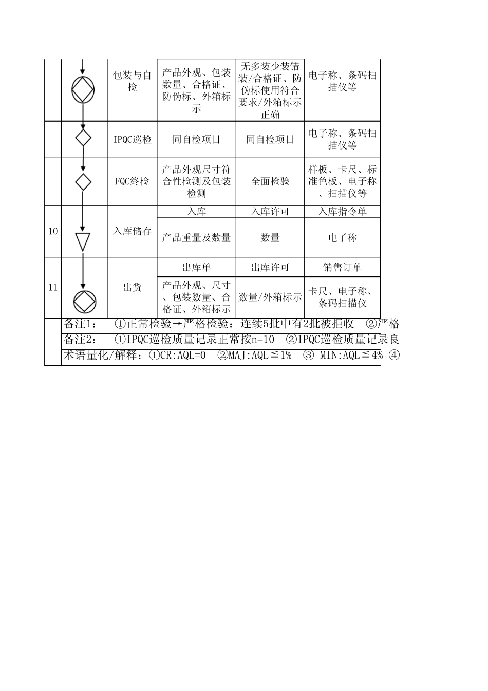
文件编号版本页码生效日期检测工具品名、数量电子称颜色标准色板性能(熔指、熔点、密度、熔流比、拉伸屈服强度)熔指仪、湿度计、拉伸机等品名、数量电子称尺寸游标卡尺材质光谱仪品名、数量尺寸卷尺材质、耐压强度表面印刷内容品质样板帐卡物相符电子称防潮/水/火/盗3领料原辅材料品名、规格与数量电子称首件首检 卡尺、电子称外观与样板一致颜色整体一致、无杂色尺寸符合标准要求性能符合质量要求5IPQC巡检外观、颜色、尺寸同自检项目卡尺活结球阀装配不可少配件截止阀装配适当拧紧扳手、操作台截止阀打压不可漏气截止阀打压机首件首检检描仪等4注塑生产及自检特殊性6装配与自检卡尺、静液压试验机、烘箱、冷冻箱、冲击锤等2检验合格入库检查项目工序号流程图1嵌件验收包装物验收工序名称原料验收产品外观、包装数量、合格证、防伪标、外箱标示无多装少装错装/合格证、防伪标使用符合要求/外箱标示正确8IPQC巡检同自检项目同自检项目电子称、条码扫描仪等9FQC终检产品外观尺寸符合性检测及包装检测全面检验样板、卡尺、标准色板、电子称、扫描仪等入库入库许可入库指令单产品重量及数量数量电子称出库单出库许可 销售订单产品外观、尺寸、包装数量、合格证、外箱标示数量/外箱标示卡尺、电子称、条码扫描仪备注1: ①正常检验→严格检验:连续5批中有2批被拒收 ②严格备注2: ①IPQC巡检质量记录正常按n=10 ②IPQC巡检质量记录良术语量化/解释:①CR:AQL=0 ②MAJ:AQL≦1% ③ MIN:AQL≦4% ④10入库储存7包装与自检11出货电子称、条码扫描仪等检测方式检验标准检测频次样本数参照文件检验部门担当目视、称重目视、对比实验GB/2828.1-2003目视、称重订货单测量实验抽检目视订货单测量手折、翻转对比封样目视、称重100%每月安检按安检要求目视、称重生产计划单每次ERP运作流程PMC物料员目视、测量、称重样板每次开机 1啤首检规程质量部QC2h2h2h每次开机 1啤目视、测量GB/2828.1-20032h5啤检验规程质量部IPQC目视 装配标准全检包装部作业员/装配标准全检包装部作业员实验GB/2828.1-2003全检包装部作业员每批包装 1箱首检规程质量部QC2啤n=LOT扫描核对准作业指导书IQC1、n=LOT*5%但10≦n≧5002、首次供货执行全检3、视供货质量曲线图调整为严格检验/减量检验(解释见备注1)目视、测量、实验武汉 XX 塑胶有限公司QC工程图GB/2828.1-2003作业指导书生产部检验规程1、来料检验流程;2、不合格品控制程序质量部PMC仓管员仓库管理制度订货...

1、当您付费下载文档后,您只拥有了使用权限,并不意味着购买了版权,文档只能用于自身使用,不得用于其他商业用途(如 [转卖]进行直接盈利或[编辑后售卖]进行间接盈利)。
2、本站所有内容均由合作方或网友上传,本站不对文档的完整性、权威性及其观点立场正确性做任何保证或承诺!文档内容仅供研究参考,付费前请自行鉴别。
3、如文档内容存在违规,或者侵犯商业秘密、侵犯著作权等,请点击“违规举报”。

碎片内容

塑料厂QC工程图

您可能关注的文档

确认删除?
VIP
微信客服
  • 扫码咨询
会员Q群
  • 会员专属群点击这里加入QQ群
客服邮箱
回到顶部