电脑桌面
添加小米粒文库到电脑桌面
安装后可以在桌面快捷访问

塑胶材料资料物性大全VIP免费

塑胶材料资料物性大全_第1页
1/7
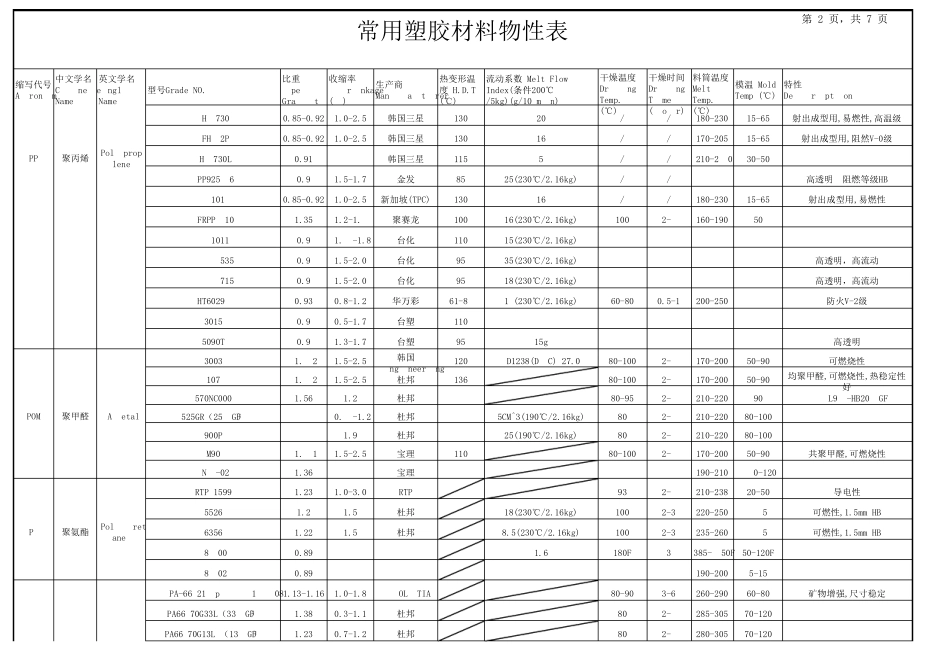
塑胶材料资料物性大全_第2页
2/7
塑胶材料资料物性大全_第3页
3/7
第 1 页,共 7 页缩写代号Acronym中文学名ChineseName英文学名EnglishName型号Grade NO.比重SpecificGravity收缩率Shrinkage(%)生产商Manufacturer热变形温度 H.D.T(℃)流动系数 Melt FlowIndex(条件200℃/5kg)(g/10 min)干燥温度DryingTemp.(℃)干燥时间DryingTime(hour)料筒温度MeltTemp.(℃)模温 MoldTemp (℃)特性DescriptionGP221.050.4-0.8巴斯夫99570-901-2180-23050-80高光泽性,高刚性MG381.050.125GE/15(200/10KG)70-802-4175-24535-60MGX53GP1.050.5-0.7GE817(230℃/3.8kgf)80-952-4190-26050-70高光泽性,高刚性,流动性佳15E1.//台化///////0150W1.04/三星872(200℃/5kg)/////920 5550.4-0.6日本东丽8325(220℃/10kg)/////AF3421.05LG80-902200-24025-70717C奇美1.4200℃/5kg)(g/10 min)802-3180-23030-70高冲击强度7271.050.4-0.7奇美831.8(200℃/5kg)220-26040-807651.20.4-0.8奇美832.565-851-2170-21040-70难燃性,耐光性765A1.170.4-0.8奇美852.165-851-2170-21040-70难燃性,耐光性7571.050.4-0.8奇美1001.870-901-2180-23050-80通用级757k1.050.4-0.8奇美88//////7631.19奇美//////7581.050.3-0.7奇美97370-901-2170-21040-70高光泽性,高刚性,透明性764B1.190.4-0.8奇美922.865-851-2170-21040-70防火VO级777D1.060.4-0.8奇美1150.695-1053-4230-26550-80超耐热性777E1.070.4-0.8奇美1200.595-1053-4230-26550-80超高耐热KJB110011.210.4-0.8日本UMG907.5(230℃/3.8kg)65-851-2190-23040-70阻燃V-0CK-58120G1.050.1-0.3金发9810(220℃/10kg)80-902-4210-26040-70TX-0520TLOTTE802-4180-23050-70710G4N (20%GF)1.20.1-0.3欧力隆9380-1003-4180-23050-80阻燃 chisso K7019H0.91.2-1.6日本聚丙烯株式会社9(230℃/2.16kgf)//190-30015-651.6mm HB TPI 1100NK泰国POLENE11(230℃/2.16kgf)//190-24015-65348N0.85-0.921.0-2.5巴赛尔13012//180-23015-65半透明体,射出成型用,易燃性EP 332k0.85-0.921.0-2.5巴赛尔13016//180-23015-65共聚级,易燃性RP348S0.9巴赛尔8635(230℃/2.16kg)//HJ 40120.911.4-1.8大韩油化13014//180-23015-65射出成型用,易燃性FB 510.931.4-1.7韩国三星12012(230℃/2.16kg)//170-20515-65射出成型用,阻然V-2级AcrylonitrileButadieneStyrene丙烯腈-丁二烯-苯乙烯常用塑胶材料物性表ABS第 2 页,共 7 页缩写代号Acronym中文学名ChineseName英文学名EnglishName型号Grade NO.比重Specif...

1、当您付费下载文档后,您只拥有了使用权限,并不意味着购买了版权,文档只能用于自身使用,不得用于其他商业用途(如 [转卖]进行直接盈利或[编辑后售卖]进行间接盈利)。
2、本站所有内容均由合作方或网友上传,本站不对文档的完整性、权威性及其观点立场正确性做任何保证或承诺!文档内容仅供研究参考,付费前请自行鉴别。
3、如文档内容存在违规,或者侵犯商业秘密、侵犯著作权等,请点击“违规举报”。

碎片内容

塑胶材料资料物性大全

确认删除?
VIP
微信客服
  • 扫码咨询
会员Q群
  • 会员专属群点击这里加入QQ群
客服邮箱
回到顶部