电脑桌面
添加小米粒文库到电脑桌面
安装后可以在桌面快捷访问

提高外墙面砖观感质量qc小组VIP免费

提高外墙面砖观感质量qc小组_第1页
1/25
提高外墙面砖观感质量qc小组_第2页
2/25
提高外墙面砖观感质量qc小组_第3页
3/25
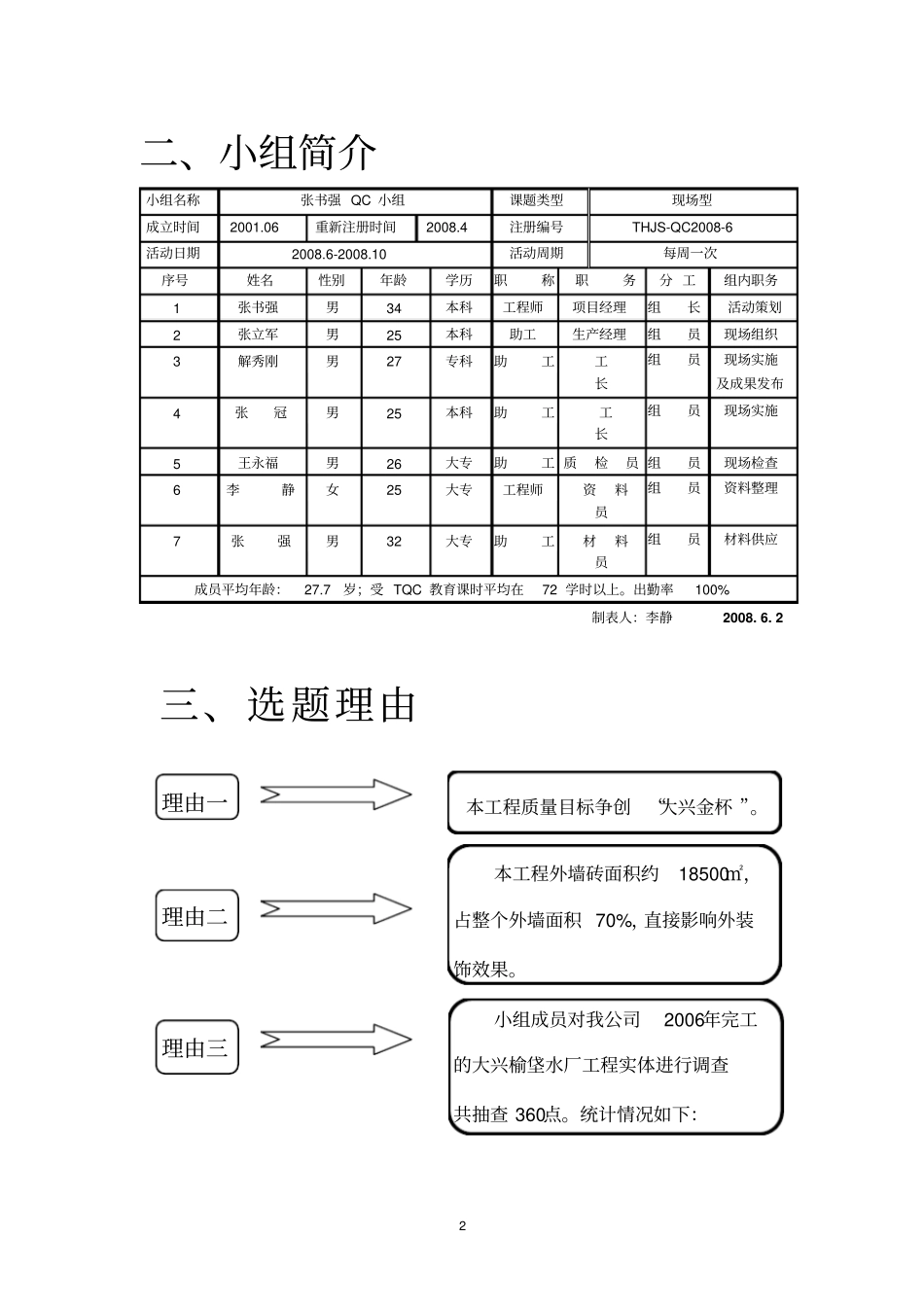
1 提高外墙面砖观感质量北京天恒建设工程有限公司小组名称:张书强QC小组一、工程概况摄像人:张冠大 兴 新 城 北 区 8# 地 块 A 区1#— 6#住宅楼位于大兴黄村卫星城北区,建筑面积78013.98 ㎡。现浇剪力墙结构, 地下一层 / 地上十一至十六层。立面装修底部为200*100mm面砖,中部 200*60mm面砖,上部为涂料饰面。外墙砖面积约 18500㎡,占外墙面积70%。工程质量目标:“大兴金杯”。2 二、小组简介小组名称张书强 QC 小组课题类型现场型成立时间2001.06重新注册时间2008.4注册编号THJS-QC2008-6活动日期2008.6-2008.10活动周期每周一次序号姓名性别年龄学历职称职务分 工组内职务1张书强男34本科工程师项目经理组长活动策划2张立军男25本科助工生产经理组员现场组织3解秀刚男27专科助工工长组员现场实施及成果发布4张冠男25本科助工工长组员现场实施5王永福男26大专助工 质检员 组员现场检查6李静女25大专工程师资料员组员资料整理7张强男32大专助工材料员组员材料供应成员平均年龄:27.7岁;受 TQC 教育课时平均在72 学时以上。出勤率100% 制表人:李静2008. 6. 2三、选题理由理由三小组成员对我公司2006年完工的大兴榆垡水厂工程实体进行调查共抽查 360点。统计情况如下:理由一本工程外墙砖面积约18500㎡,占整个外墙面积 70%,直接影响外装饰效果。本工程质量目标争创“大兴金杯 ”。理由二3 榆垡水厂工程质量情况调查表序号项目频数(不合格数量)频率(% )累计频率(% )1外墙面砖观感质量3564.864.82室内墙面观感质量916.781.53门窗安装观感质量59.390.84设备安装观感质量35.696.35其它23.7100合计54100制表人:李静2008. 6.4 频数(个)累计频率( %)各分项质量排列图制图人:王永福制图时间: 2008.6.5 0 20 40 80 100 90 60 由 排 列 图 可 知 影 响工 程 实 体 的 关 键 因素 为 外 墙 面 砖 观 感质量 差外墙面砖观感质量室内墙面观感质量门窗安装观感质量设备安装观感质量其它0 10 20 54 35 9 5 3 2 64.8% 81.5% 90.8% 96.3% 40 30 4 四、 现状调查小组成员对我项目部6#楼( 11-14 层)样板墙随机抽查220 点,调查结果如下:序号项目频数(不合格点数)频率(﹪)累计频率(﹪)1阳角观感质量差3151.751.72勾缝观感质量差1626.778.43砖面污染610.088.44砖面平整度差46.795.05其它35.0100合计60100100注:合格率( 220-60)/220=72.7%...

1、当您付费下载文档后,您只拥有了使用权限,并不意味着购买了版权,文档只能用于自身使用,不得用于其他商业用途(如 [转卖]进行直接盈利或[编辑后售卖]进行间接盈利)。
2、本站所有内容均由合作方或网友上传,本站不对文档的完整性、权威性及其观点立场正确性做任何保证或承诺!文档内容仅供研究参考,付费前请自行鉴别。
3、如文档内容存在违规,或者侵犯商业秘密、侵犯著作权等,请点击“违规举报”。

碎片内容

提高外墙面砖观感质量qc小组

您可能关注的文档

确认删除?
VIP
微信客服
  • 扫码咨询
会员Q群
  • 会员专属群点击这里加入QQ群
客服邮箱
回到顶部