电脑桌面
添加小米粒文库到电脑桌面
安装后可以在桌面快捷访问

政工程供热管道工程表格VIP免费

政工程供热管道工程表格_第1页
1/34
政工程供热管道工程表格_第2页
2/34
政工程供热管道工程表格_第3页
3/34
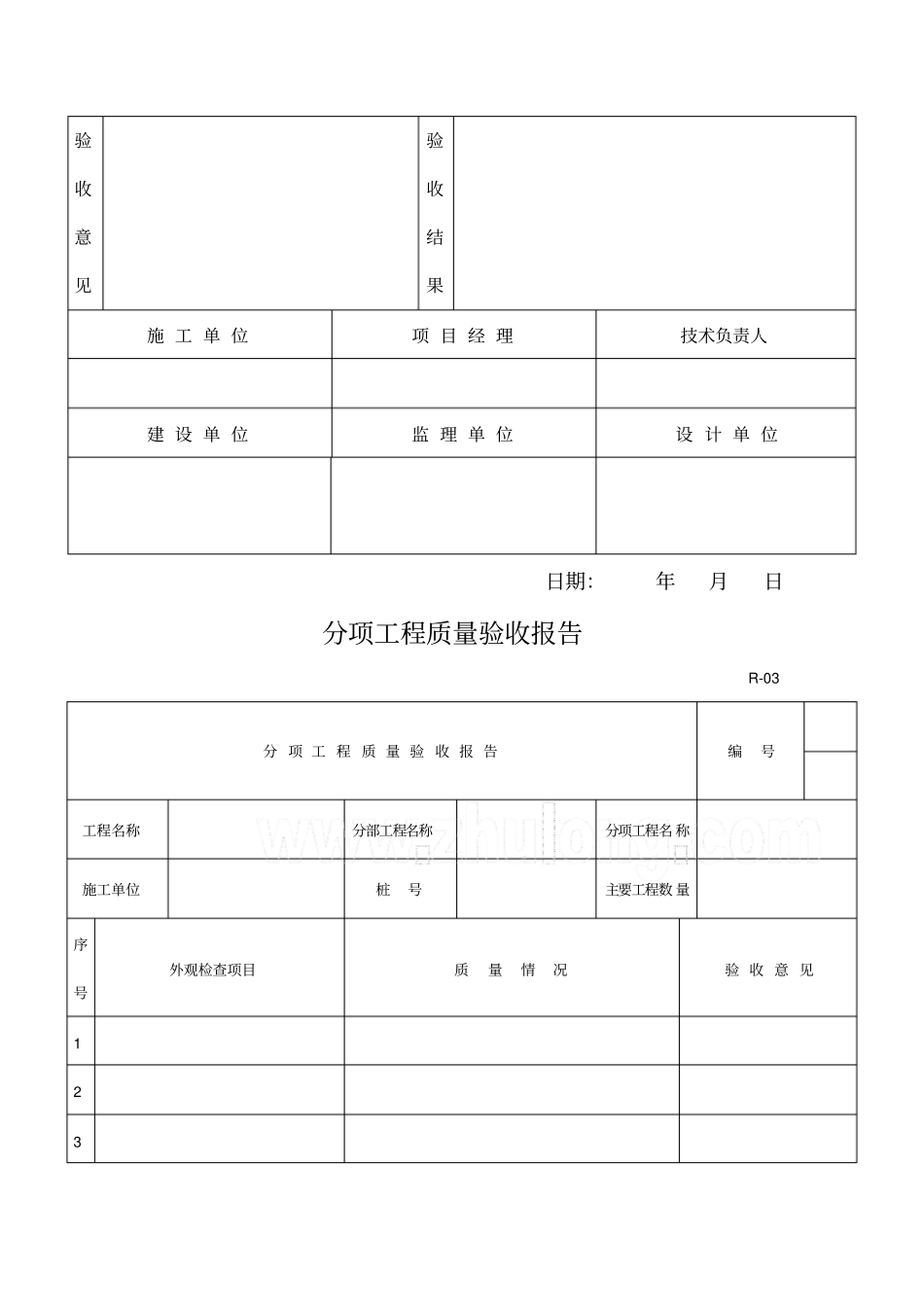
单位工程质量验收报告单 位 工 程 质 量 验 收 报 告编号单位工程名称施 工 单 位序号外 观 检 查质 量 情 况1 2 3 4 序号部位(分部)工程 名 称合 格 率 (%)验 收 结 果备 注1 2 3 4 5 6 7 8 9 平均合格率日期:年月日分项工程质量验收报告R-03 分 项 工 程 质 量 验 收 报 告编号工程名称分部工程名称分项工程名 称施工单位桩号主要工程数 量序号外观检查项目质量情况验 收 意 见1 2 3 验收意见验收结果施 工 单 位项 目 经 理技术负责人建 设 单 位监 理 单 位设 计 单 位4 5 序号量测项目允许偏差项目(规定值)检验频率实测点偏差值或实测值应量测点数合 格点 数合格率(%)范围点数交 方 班 组接 方 班 组平均合格率( %)测定结果施工负责人质 检 员监理工程师监理意见测定日期:年月日钢管道安装分项工程质量验收报告R-14分 项 工 程 质 量 验 收 报 告环保人才网编 号工程名称分部工程名称分项工程名称施工单位桩 号主 要 数 量序号外观检查项目质 量 情 况验 收 意 见1 材质、规格、品种、外观情况2 管道安装的坡向、坡度3 套管的尺寸及安装4 管道对口情况5 预制保温管的现场切割序号量 测项 目允许偏差项目(规定值)检验频率实测点偏差值或实测值应量测点数合 格点 数合格率(%)范围点数1 △高程±10 50m 2 2 中心线位移每10m 不超过5,全长不超过30 3 立管垂直度每米不超过2,全高不超过10 每根1 4 对口壁厚间隙偏差每1 间隙4~9 1.5~2.0 ±1.0 10口≥10 2.0~3.0 +10 -20 5 连接预警系统满足产品预警系统的技术要求100% 6 △节点的保温和密封外观检查无缺陷100% 气密性试验一级网无气泡二级网无气泡交 方 班 组接 方 班 组平均合格率(%)测定结果施工员质 检 员监理工程师监理意见测定日期:年月日管道支、吊架安装分项工程质量验收报告R-15分 项 工 程 质 量 验 收 报 告编号工程名称分部工程名 称分项工程名称施工单位桩 号主要工程数量序号外观检查项目质量情况验 收 意 见1 安装位置,埋设牢固2 偏移方向、偏移量、及导向性3 滑动面情况序号量 测项 目允许偏差项目(规定值mm )检验频率实测点偏差值或实测值应量测点数合格点数合格率(%)范围点数1 支吊架中心点平面位置25 每个2 2 支架标高-10 3 两个固定支架之间的其他支距固定支架每...

1、当您付费下载文档后,您只拥有了使用权限,并不意味着购买了版权,文档只能用于自身使用,不得用于其他商业用途(如 [转卖]进行直接盈利或[编辑后售卖]进行间接盈利)。
2、本站所有内容均由合作方或网友上传,本站不对文档的完整性、权威性及其观点立场正确性做任何保证或承诺!文档内容仅供研究参考,付费前请自行鉴别。
3、如文档内容存在违规,或者侵犯商业秘密、侵犯著作权等,请点击“违规举报”。

碎片内容

政工程供热管道工程表格

确认删除?
VIP
微信客服
  • 扫码咨询
会员Q群
  • 会员专属群点击这里加入QQ群
客服邮箱
回到顶部