电脑桌面
添加小米粒文库到电脑桌面
安装后可以在桌面快捷访问

政道路雨污水管线施工技术交底记录VIP免费

政道路雨污水管线施工技术交底记录_第1页
1/12
政道路雨污水管线施工技术交底记录_第2页
2/12
政道路雨污水管线施工技术交底记录_第3页
3/12
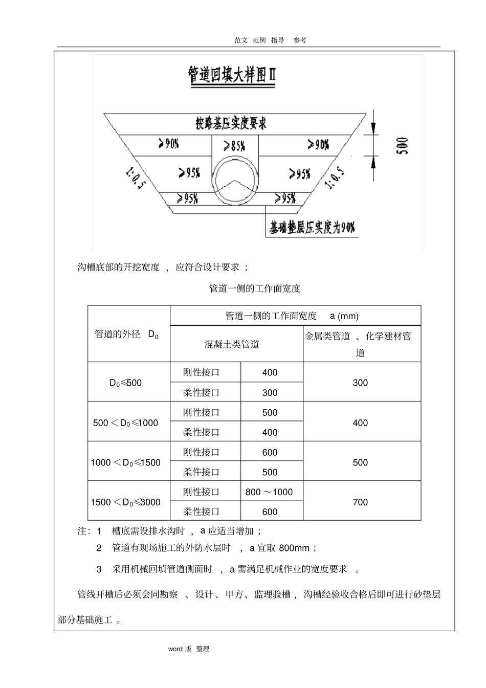
范文 范例 指导参考word 版 整理技术交底书单位 :中铁十八局集团贵州平坝至马场城市快速工程指挥部编号工程项目排水工程工程部位雨污水管接受班组及有关人员工程数量进度要求按项目部要求日期交底内容 :一、施工准备1、材料本工程雨水管采用 DN800 钢筋砼 Ⅱ级管 ,污水管主要是 DN400 ,DN500 两种种管径 ;采用 HDPE 钢塑复合排水管 。管道运到现场 ,采用目测法 ,对管道是否有损伤进行检查:管道内外壁光滑无气泡 、裂口、脱皮及明显的凹陷 、杂质 、颜色不均匀 ;管节的同一截面壁厚偏差不能超过14%;管节弯曲不得大于1%;管节端口平整 ,并垂直于轴线 。并做好记录与验收手续 ,同时按要求见证取样送检 。2、机具电动工具 :立式夯实机 。手动工具 :手锯 ,吊链,棉纱绳 ,锉刀 ,电热熔机 。二、施工工艺管道铺设施工工序流程如下:沟槽开挖及处理管道安装闭合性试验沟槽回填 。1、沟槽开挖及处理 :沟槽开挖放坡坡比采用1:1,现场如遇不良土层可适当调整。范文 范例 指导参考word 版 整理开挖及回填断面图如下 :工程部负责人现场技术员班组签认范文 范例 指导参考word 版 整理沟槽底部的开挖宽度 ,应符合设计要求 ;管道一侧的工作面宽度管道的外径D0管道一侧的工作面宽度a (mm) 混凝土类管道金属类管道 、化学建材管道D0≤500 刚性接口400 300 柔性接口300 500 <D0≤1000 刚性接口500 400 柔性接口400 1000 <D0≤1500 刚性接口600 500 柔件接口500 1500 <D0≤3000 刚性接口800 ~1000 700 柔性接口600 注:1 槽底需设排水沟时 ,a 应适当增加 ;2 管道有现场施工的外防水层时,a 宜取 800mm ;3 采用机械回填管道侧面时,a 需满足机械作业的宽度要求。管线开槽后必须会同勘察 、设计 、甲方、监理验槽 ,沟槽经验收合格后即可进行砂垫层部分基础施工 。范文 范例 指导参考word 版 整理砂基础采用中粗砂 ,雨水管槽砂垫层厚150-200mm ,污水管槽砂垫层厚150mm ,由人工铺设 ,振密实 。中粗砂含水量不大于砂重的10%。砂石基础铺设作到表面平整,其横断面最大水平偏差控制在10mm 以内,压实系数不低于 90%,以满足管道的安装要求 。工程部负责人现场技术员班组签认范文 范例 指导参考word 版 整理当现场状况不符合设计要求时,及时进行现场处理 ;遇有地下水时 ,应采用可靠的降水措施 ,地下水将至管底 0.5m 以下 。...

1、当您付费下载文档后,您只拥有了使用权限,并不意味着购买了版权,文档只能用于自身使用,不得用于其他商业用途(如 [转卖]进行直接盈利或[编辑后售卖]进行间接盈利)。
2、本站所有内容均由合作方或网友上传,本站不对文档的完整性、权威性及其观点立场正确性做任何保证或承诺!文档内容仅供研究参考,付费前请自行鉴别。
3、如文档内容存在违规,或者侵犯商业秘密、侵犯著作权等,请点击“违规举报”。

碎片内容

政道路雨污水管线施工技术交底记录

您可能关注的文档

确认删除?
VIP
微信客服
  • 扫码咨询
会员Q群
  • 会员专属群点击这里加入QQ群
客服邮箱
回到顶部