电脑桌面
添加小米粒文库到电脑桌面
安装后可以在桌面快捷访问

安全生产费用使用台账.VIP免费

安全生产费用使用台账._第1页
1/5
安全生产费用使用台账._第2页
2/5
安全生产费用使用台账._第3页
3/5
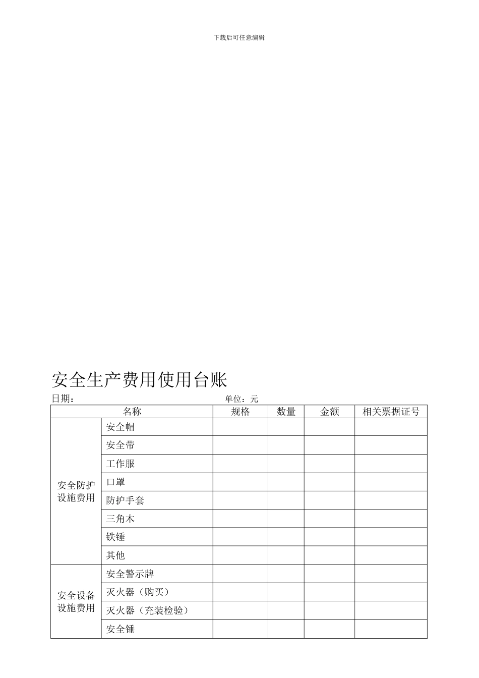
下载后可任意编辑安全生产费用使用台账日期: 单位:元名称规格数量金额相关票据证号安全防护 设施费用安全帽安全带工作服口罩防护手套三角木铁锤其他安全设备设施费用安全警示牌灭火器(购买)灭火器(充装检验)安全锤下载后可任意编辑消防设备其他卫星定位卫星定位装置费用保险为从业人员缴纳保险应急救援应急救援演练费用安全检查安全工作检查费用安全教育培训费用安全员培训学习的费用员工日常安全培训费用安全标准化培训费用重大隐患重大隐患治理所需费用体检驾驶员体检费用用于安全生产奖励的费用除四害、放火患等费用工伤保险总 计安全生产费用台账月日项目说明费用提取金额 (元)费用合计金额(元)结存金额(元)备注下载后可任意编辑安全专项费用使用申请表申请部门: 部门负责人: 日期: 年 月 日项目(或物资)名称项目性质投资总额申请理由及效果工艺及布置说明项目主要内容所需主要设备(材料)数量完成时间和进度审批意见安全部门下载后可任意编辑财务部门分管经理会计师总经理备注(1) 应列入安全费用的物资名单: 工作服(夏、冬)、三防工作服、计划外工作服、工作帽、工作鞋、防护衣、安全帽、安全带、安全绳、绝缘鞋、高压绝缘鞋、雨衣、毛巾、肥皂、防爆手电(灯泡、电池)、各类手套、各类口罩、各类防护面罩、各类防毒面具及配件、空气呼吸器、安全警示标牌、各类灭火器及消防设施、避雷针、洗眼器、淋浴器、安全项目所需要的各类物资、安全部门同意的各类漏电保护器、安全部门同意的其它安全防护用品 (2) 应列入安全费用的支出: 教育、检测、体检、安全设备设施维修、劳保用品、安全评价、培训等费用 下载后可任意编辑

1、当您付费下载文档后,您只拥有了使用权限,并不意味着购买了版权,文档只能用于自身使用,不得用于其他商业用途(如 [转卖]进行直接盈利或[编辑后售卖]进行间接盈利)。
2、本站所有内容均由合作方或网友上传,本站不对文档的完整性、权威性及其观点立场正确性做任何保证或承诺!文档内容仅供研究参考,付费前请自行鉴别。
3、如文档内容存在违规,或者侵犯商业秘密、侵犯著作权等,请点击“违规举报”。

碎片内容

安全生产费用使用台账.

确认删除?
VIP
微信客服
  • 扫码咨询
会员Q群
  • 会员专属群点击这里加入QQ群
客服邮箱
回到顶部