电脑桌面
添加小米粒文库到电脑桌面
安装后可以在桌面快捷访问

大位移井钻井技术VIP免费

大位移井钻井技术_第1页
1/26
大位移井钻井技术_第2页
2/26
大位移井钻井技术_第3页
3/26
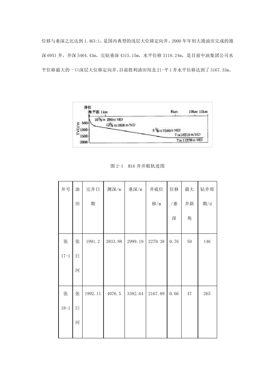
大位移井钻井技术 所谓大位移井钻井技术,是一种高精尖的钻井工艺,是当今定向井、水平井技术的综合系统工程,可广泛地应用于滩海油田、海上油田和地面条件极其复杂的油气藏的勘探开发。尤其位于我国南海西江和渤海湾的近海地区的浅海区域有许多油田,可以利用大位移井钻井技术进行海油陆采,可节约大量的修建海堤或人工造岛等投资费用。 我国引进应用和研究大位移井钻井技术,是从 1997 年开始的。应用大位移井,不仅使西江24-1 边际油田得以成功开发,而且极大地推动了国外先进的大位移井技术在国内的研究与应用。近年来,专家针对大位移井的六大技术难点,对大位移井钻井的优化设计理论、国产化配套技术、计算机应用软件技术等进行研究摸索,形成了正确的理论研究方法。在先导性实验井埕北21-平1 井的施工中,首次在我国使用变曲率悬链线井身 轨 迹 剖 面设计方法,首次引进具 有世 界 先进水平的调 式 AGS 稳 定器 和 FEWD 无 线随 钻测 量仪 等组 成带 地质 导向的先进钻井技术,并 配合使用新 型 黑 色 正电 胶 硅 聚 钻井液 ,有效 地解 决 了摩 阻 、扭 矩 等技术难题 ,这 口 井创 出 目 前 国内陆上大位移延 伸 井水平位移最 长 全 国新 纪 录 ,并 在大位移井优化设计、井眼 轨 迹 控 制 、井下 工具 应用和研制 以及 钻井液 、完 井液 等方面,取 得了 7 项 突 破 性的研究成果 ,形成了钻3000m 以上大位移井的配套技术,开展 了水平位移4000m 以上大位移井的钻井工程设计及 井眼 轨 迹 控 制 技术模 拟实验,具 备 了 5000m 以内大位移的施工能 力 。 与此 同 时 ,在塔 里 木 酸 盐 岩 地层 中,打 出 一口 超 深 水平井— — — 解 放 128 井,填 补 了国内钻井施工运 用 6in 钻头 水平段 和采用世 界 先进的换 压 钻进技术边喷 、边钻两 项 钻井技术空 白 ,创 出了水平井施工垂 深 最 深 的亚 洲 记 录 ; 并 在渤海湾附 近的桩 西古 潜 山 地层 中,钻出 一口 水平位移超2000m 的高难度 海油陆探大位移延 伸 定向井---桩 斜 314 井,均 见 到 良 好 油气显 示 。 大 位 移 井 井 身 结 构 设 计 的 基 本 原 则 : 1.能 够 有 效 地 保 护 储 油 气 层 ; 2.避 免 产 生 井 漏 、 井 塌 、卡 钻 等 井 下...

1、当您付费下载文档后,您只拥有了使用权限,并不意味着购买了版权,文档只能用于自身使用,不得用于其他商业用途(如 [转卖]进行直接盈利或[编辑后售卖]进行间接盈利)。
2、本站所有内容均由合作方或网友上传,本站不对文档的完整性、权威性及其观点立场正确性做任何保证或承诺!文档内容仅供研究参考,付费前请自行鉴别。
3、如文档内容存在违规,或者侵犯商业秘密、侵犯著作权等,请点击“违规举报”。

碎片内容

大位移井钻井技术

您可能关注的文档

确认删除?
VIP
微信客服
  • 扫码咨询
会员Q群
  • 会员专属群点击这里加入QQ群
客服邮箱
回到顶部