电脑桌面
添加小米粒文库到电脑桌面
安装后可以在桌面快捷访问

岩棉板外墙保温监理实施细则VIP免费

岩棉板外墙保温监理实施细则_第1页
1/11
岩棉板外墙保温监理实施细则_第2页
2/11
岩棉板外墙保温监理实施细则_第3页
3/11
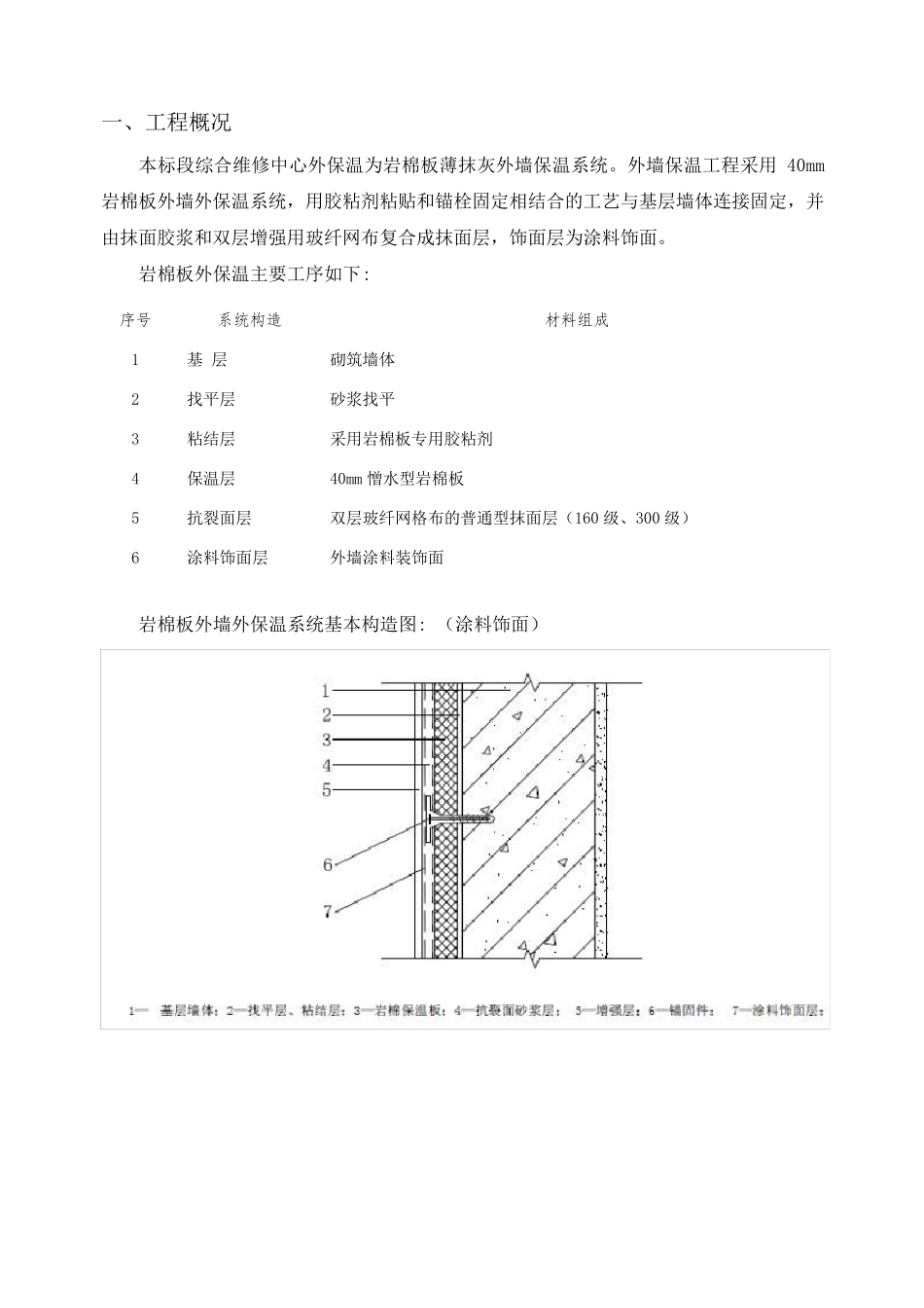
合 肥 市 轨 道 交 通 1 号线滨湖车辆段与综合基地施工 CD01 标工程 监理实施细则 B 13 (岩棉板外墙工程专项) 项目监理机构(章): 专业监理工程师: 总监理工程师: 日 期: 目 录 一、工程设计概况 二、监理依据 三、监理工作流程 四、监理控制要点 五、监理控制目标值 六、监理工作方法及措施 七、安全、文明施工及资料归档要求 一、工程概况 本标段综合维修中心外保温为岩棉板薄抹灰外墙保温系统。外墙保温工程采用 40mm岩棉板外墙外保温系统,用胶粘剂粘贴和锚栓固定相结合的工艺与基层墙体连接固定,并由抹面胶浆和双层增强用玻纤网布复合成抹面层,饰面层为涂料饰面。 岩棉板外保温主要工序如下: 序号 系统构造 材料组成 1 基 层 砌筑墙体 2 找平层 砂浆找平 3 粘结层 采用岩棉板专用胶粘剂 4 保温层 40mm 憎水型岩棉板 5 抗裂面层 双层玻纤网格布的普通型抹面层(160 级、300 级) 6 涂料饰面层 外墙涂料装饰面 岩棉板外墙外保温系统基本构造图: (涂料饰面) 1 主要施工工艺为:建筑物基层墙面处理(找平层验收)、施工面岩棉板布胶粘贴(包括岩棉板界面处理)、抹面胶浆批涂、两道玻纤网布铺设、锚栓固定;细部节点(变形缝、门窗洞口、保温端口等)网布加强及防水构造设置。窗侧边20mm厚保温砂浆保温构造 二、监理依据 1、本工程招标文件及所列的《技术要求》 2、监理规划、现有设计图纸 3、《岩棉板外墙外保温系统应用技术导则》(DBHJT002 -2011), 4、《建筑外墙外保温用岩棉制品》(GBT25975-2010), 5、《建筑装饰装修工程施工质量验收规范》(GB 50210-2001), 6、《建筑节能工程施工质量验收规范》(GB/T50411-2007), 7、《外墙外保温工程技术规程》(JGJ 144-2004 ), 8、《建筑工程施工现场共用电安全规范》(GB50194)。 9、施工单位上报的专项施工方案 2 三、监理工作流 监理工程师巡视 监理工程师验收 检查施工单位技术交底 施工单位报验,填报《报验申请单)A 4 表 完成后施工单位自检 纠 正 监理工程师签认 施工 纠 正 3 四、监理控制要点 1、施工方案的编制和审批: 施工前施工单位应根据设计特点及外墙保温质量规程、施工验收规范等要求,认真编制切实可行的外墙外保温施工组织设计/施工方案并填写施工组织设计(方案)报审表送监理审查批准,由总监理工程师审定批准后方可进行施工。 2、挂基准线、弹控制线: 为...

1、当您付费下载文档后,您只拥有了使用权限,并不意味着购买了版权,文档只能用于自身使用,不得用于其他商业用途(如 [转卖]进行直接盈利或[编辑后售卖]进行间接盈利)。
2、本站所有内容均由合作方或网友上传,本站不对文档的完整性、权威性及其观点立场正确性做任何保证或承诺!文档内容仅供研究参考,付费前请自行鉴别。
3、如文档内容存在违规,或者侵犯商业秘密、侵犯著作权等,请点击“违规举报”。

碎片内容

岩棉板外墙保温监理实施细则

确认删除?
VIP
微信客服
  • 扫码咨询
会员Q群
  • 会员专属群点击这里加入QQ群
客服邮箱
回到顶部