电脑桌面
添加小米粒文库到电脑桌面
安装后可以在桌面快捷访问

常用非金属材料一览表VIP免费

常用非金属材料一览表_第1页
1/12
常用非金属材料一览表_第2页
2/12
常用非金属材料一览表_第3页
3/12
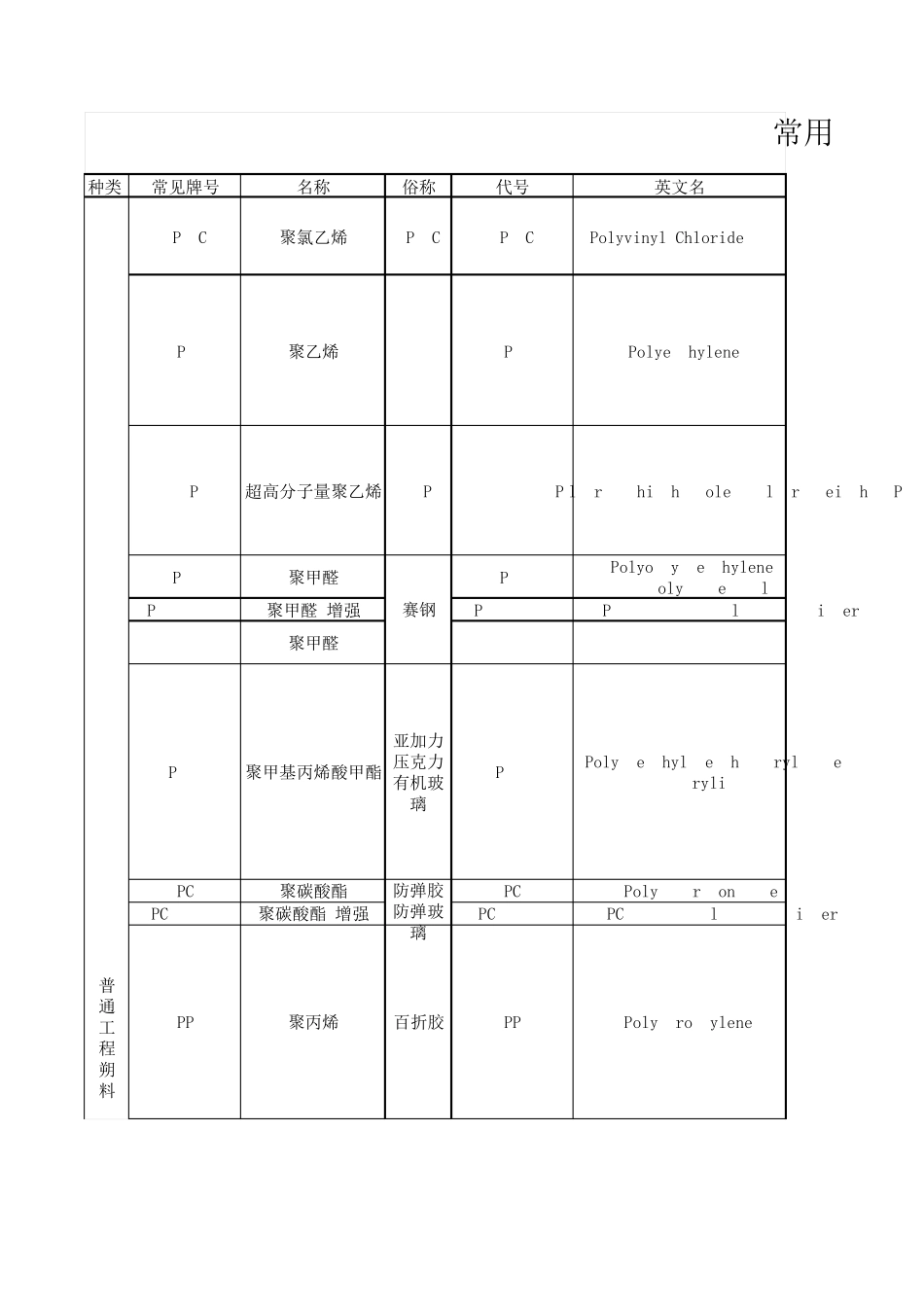
种 类常 见 牌 号名 称俗 称代 号英 文 名PVC聚 氯 乙 烯PVCPVC Polyvinyl Chloride PE聚 乙 烯PEPolyethyleneUPE超 高 分 子 量 聚 乙 烯UPEUHMWPEUltra-high molecular weight PEPOM聚 甲 醛POMPolyoxymethylene polyacetalPOM+25%GF聚 甲 醛 增 强POM+25%GFPOM+25%Glass FiberDERLIN聚 甲 醛DERLINPMMA聚 甲 基 丙 烯 酸 甲 酯亚 加 力压 克 力有 机 玻璃PMMAPolymethylMethacrylate(Acrylic)PC聚 碳 酸 酯PCPolycarbonatePC+30%GF聚 碳 酸 酯 增 强PC+30%GF PC+30%Glass FiberPP聚 丙 烯百 折 胶PPPolypropylene赛 钢防 弹 胶防 弹 玻璃常 用普通工程朔料PS聚 苯 乙 烯硬 胶PSPolystyreneABS丙 烯 腈 .丁 二 烯 .苯 乙 烯超 不 碎 胶ABSylonitrite Butadiene StyrenPA6聚 酰 胺 6PA6Polyamide-6(nylon)PA66聚 酰 胺 66 PA66 Polyamide-66 PA66+30%GF聚 酰 胺 66 增 强PA66+30%GFA66+30% Glass Fiber(NYLATRONPA-MC聚 酰 胺 铸 型PA-MCMonomer casting nylon PTFE聚 四 氟 乙 烯朔 料 王铁 氟 龙PTFEPolytetrafluoroethylenePETPETpoly(Ethylene Terephthalate)PET+TXPET TX GRAUPET+30%GFPET+30%GFPET+30%Glass FiberPBT聚 对 苯 二 甲 酸 丁 二 醇 酯PBTPoly(Butylene Terephthalate)PEEKPEEKPolyetheretherketonePEEK1000PEEK1000EKH-SS09ESDPEEKPEIUL TEM1000UL TEM2300PI聚 酰 亚 胺PIPolyimideDERLIN AF 聚 甲 醛 含 氟 合 金DERLIN AF聚 醚 酰 亚 胺PEIPoly(etherimide)聚 醚 醚 酮涤 纶的 确 良尼 龙聚 对 苯 二 甲 酸 乙 二 醇 酯通工程朔料ESD225防静电POMESD225ESD420防静电PEIESD420ESD520防静电PAIESD520MC501CDR6防静电尼龙MC501CDR6导电尼龙 导电尼龙导电PA66导电PA12PPO聚苯醚PPOPoly(phenylene oxide)PU聚氨酯 弹弓胶优力胶 PUPolyurethaneNBR腈基丁二烯橡胶丁腈橡胶NBR高级工程朔料橡胶硅胶硅氧烷 硅胶 MQ&SRSilicon dioxide纸电木布电木环氧树脂冷凝胶玻纤EP Epoxy, epoxideFR4玻璃纤维FR4合成石碳纤维合成石CDMZrO2氧化锆陶瓷ZrO2AL2O3氧化铝陶瓷AL2O3环氧树脂酚醛树脂 电木胶木PF陶瓷胶绝缘材料Phenol-formaldehyderesinBakelite颜 色密 度特 性透 明灰 色白 色蓝 色1.3-1.58聚 氯 乙 烯 是 世 界 上 产 量 最 大...

1、当您付费下载文档后,您只拥有了使用权限,并不意味着购买了版权,文档只能用于自身使用,不得用于其他商业用途(如 [转卖]进行直接盈利或[编辑后售卖]进行间接盈利)。
2、本站所有内容均由合作方或网友上传,本站不对文档的完整性、权威性及其观点立场正确性做任何保证或承诺!文档内容仅供研究参考,付费前请自行鉴别。
3、如文档内容存在违规,或者侵犯商业秘密、侵犯著作权等,请点击“违规举报”。

碎片内容

常用非金属材料一览表

您可能关注的文档

小辰8+ 关注
实名认证
内容提供者

出售各种资料和文档

确认删除?
VIP
微信客服
  • 扫码咨询
会员Q群
  • 会员专属群点击这里加入QQ群
客服邮箱
回到顶部