电脑桌面
添加小米粒文库到电脑桌面
安装后可以在桌面快捷访问

数控中级铣工培训资料VIP免费

数控中级铣工培训资料_第1页
1/9
数控中级铣工培训资料_第2页
2/9
数控中级铣工培训资料_第3页
3/9
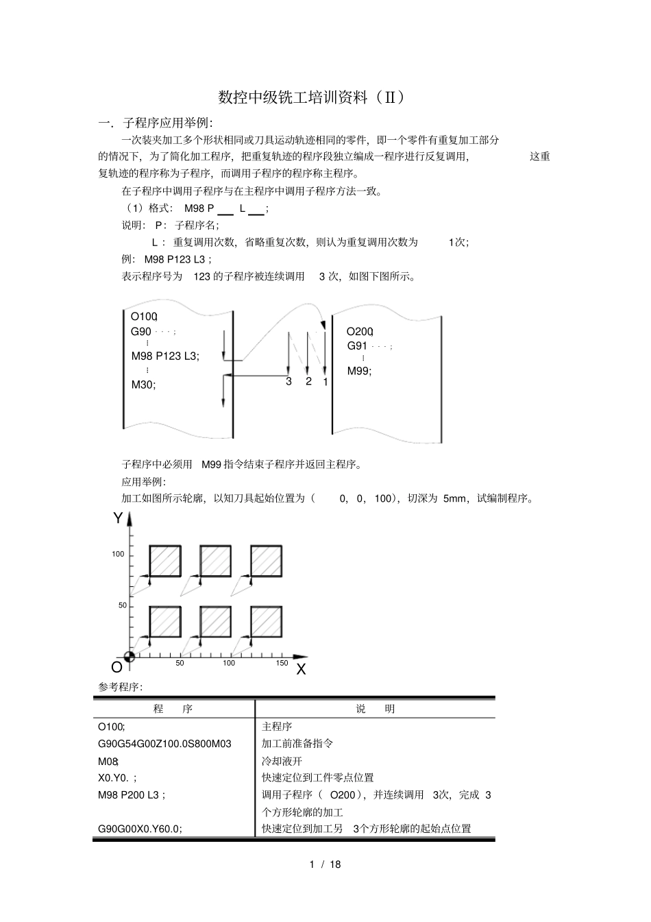
1 / 18 数控中级铣工培训资料(Ⅱ)一.子程序应用举例:一次装夹加工多个形状相同或刀具运动轨迹相同的零件,即一个零件有重复加工部分的情况下,为了简化加工程序,把重复轨迹的程序段独立编成一程序进行反复调用,这重复轨迹的程序称为子程序,而调用子程序的程序称主程序。在子程序中调用子程序与在主程序中调用子程序方法一致。(1)格式: M98 P L ;说明: P:子程序名; L :重复调用次数,省略重复次数,则认为重复调用次数为1次;例: M98 P123 L3 ;表示程序号为123 的子程序被连续调用3 次,如图下图所示。O200;G91 · · · ; ┇M99;132O100;G90 · · · ; ┇M98 P123 L3; ┇M30;子程序中必须用M99 指令结束子程序并返回主程序。应用举例:加工如图所示轮廓,以知刀具起始位置为(0,0,100),切深为 5mm,试编制程序。50O50100Y100150 X参考程序:程序说明O100;G90G54G00Z100.0S800M03 M08;X0.Y0. ;M98 P200 L3 ;G90G00X0.Y60.0;主程序加工前准备指令冷却液开快速定位到工件零点位置调用子程序( O200 ),并连续调用3次,完成 3个方形轮廓的加工快速定位到加工另3个方形轮廓的起始点位置2 / 18 M98 P200 L3 ;G90G00Z100.0;X0.Y0. ;M09;M05;M30;O200;G91Z-95.0 ;G41X20.0Y10.0D1;G01Z-10.0F100 ;Y40.0 ;X30.0 ;X-40.0 ;G00Z110.0;G40X-10.0Y-20.0 ;X50.0 ;M99;调用子程序( O200 ),并连续调用3次,完成 3个方形轮廓的加工快速定位到工件零点位置冷却液关主轴停程序结束子程序,加工一个方形轮廓的轨迹路径相对坐标编程建立刀补铣削深度直线插补直线插补直线插补快速退刀取消刀补为铣削另一方形轮廓做好准备子程序结束相关知识点:●在使用子程序编程时,应注意主、子程序使用不同的编程方式。一般主程序中使用G90 指令,而子程序使用G91 指令,避免刀具在同一位置加工。●当子程序中使用M99指令指定顺序号时,子程序结束时并不返回到调用子程序程序段的下一程序段,而是返回到M99指令指定的顺序号的程序段,并执行该程序段。编程举例:: 如图 1-6所示。 主程序; ┇M98 P2;┇N18 ┅ ; ┇M30; 子程序; ┇M99 P18;执行程序段图1-6 M99 顺序号的指定子程序执行完以后,执行主程序顺序号为18的程序段。思考:铣平面程序的如何编制;3 / 18 二、镜像功能 G50.1, G51.1应用格式:G51.1 X__Y__Z__ ;M98 P_ G50.1 X...

1、当您付费下载文档后,您只拥有了使用权限,并不意味着购买了版权,文档只能用于自身使用,不得用于其他商业用途(如 [转卖]进行直接盈利或[编辑后售卖]进行间接盈利)。
2、本站所有内容均由合作方或网友上传,本站不对文档的完整性、权威性及其观点立场正确性做任何保证或承诺!文档内容仅供研究参考,付费前请自行鉴别。
3、如文档内容存在违规,或者侵犯商业秘密、侵犯著作权等,请点击“违规举报”。

碎片内容

数控中级铣工培训资料

确认删除?
VIP
微信客服
  • 扫码咨询
会员Q群
  • 会员专属群点击这里加入QQ群
客服邮箱
回到顶部